Запчасти Case IH 1460 (10-041) - HYDROSTATIC PUMP, CYLINDER BLOCK, EATON (07) - HYDRAULICS

Схема запчастей Case IH 1460 - (10-041) - HYDROSTATIC PUMP, CYLINDER BLOCK, EATON (07) - HYDRAULICS
5
7
32
30
16
1
13
2
31
29
10
24
15
23
16
3
15
16
28
6
14
27
21
14
12
33
8
9
19
18
32
31
34
17
11
20
33
26
22
4
29
25
30
FIT
1:1
100%

Артикул

Название

Примечание

Количество

1252352C92

PUMP, HYDRAULIC

ASSY, HYDROSTATIC DRIVE - EATON - RENEWED

1шт.

180183

BOLT,Hex, 1/2" - 13 x 2 1/4", Gr 5

1шт.

120378

NUT,Hex, 1/2" - 13, Gr 5

1шт.

120384

WASHER,1/2"

1шт.

283856C1

WASHER

17/32 X 1 X .188

1шт.

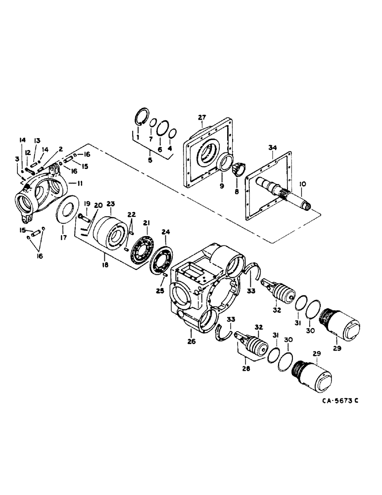
1

606937C1

SNAP RING,2.835", Int, #281

1шт.

2

133757C1

PIN

LINKAGE CLEVIS

1шт.

3

133758C1

SPRING

PIN, HITCH

1шт.

4

22278R1

O-RING,0.103" Thk x 1.674" ID, -131, Cl 5, 75 Duro

SHAFT SEAL

2шт.

5

142518C91

KIT

SEAL ASSY, SHAFT, WITH 1, 4, 6, 7

1шт.

6

383017R1

O-RING,0.103" Thk x 2.55" ID, -145, Cl 5, 75 Duro

SHAFT SEAL

1шт.

7

24472R1

O-RING,0.07" Thk x 1.334" ID, -28, Cl 6, 90 Duro

SHAFT SEAL

1шт.

8

636826R91

BEARING ASSY,44.45 mm ID x 51 mm OD x 25.4 mm

ASSY, INPUT SHAFT CONE

1шт.

9

130503H

BEARING CUP

INPUT SHAFT

1шт.

10

142400C1

SHAFT

INPUT

1шт.

11

142401C1

HOUSING

VARIABLE SWASHPLATE

1шт.

12

142402C1

LINK

CONTROL VALVE

1шт.

13

140765C1

PIN

CONTROL VALVE LINK

1шт.

14

233045R1

SNAP RING,#25, Ext, Crescent

2шт.

15

140766C1

PIN,14.22mm OD x 39.12mm L

SERVO LINKAGE

2шт.

16

28145R1

SNAP RING,#56, Ext

4шт.

17

142403C1

PLATE

THRUST

1шт.

18

142392C91

KIT

ROTATING GROUP, WITH 19 - 23

1шт.

19

142393C1

PISTON ASSY.

CYLINDER BLOCK

9шт.

20

142394C1

PIN

PRE-LOAD DOWEL

6шт.

21

142395C1

PLATE

BEARING

1шт.

22

140754C1

PIN

BEARING PLATE DOWEL

2шт.

23

BLOCK - NOT AVAILABLE SEPARATELY, ORDER 142392C91

1шт.

24

224668C1

PLATE

R.H. PUMP VALVE

1шт.

25

140754C1

PIN

PUMP VALVE

1шт.

26

HOUSING, VARIABLE - NOT AVAILABLE SEPARATELY, ORDER 1252352C92

1шт.

27

FLANGE, MOUNTING - NOT AVAILABLE SEPARATELY, ORDER 1252352C92

1шт.

179860

BOLT,Hex, 7/16" - 14 x 1 1/4", Gr 5

1шт.

28

224669C91

PISTON

SERVO

2шт.

29

142407C1

KIT

SERVO SLEEVE

2шт.

30

285724R1

O-RING,0.139" Thk x 3.359" ID, -237, Cl 5, 75 Duro

SERVO SLEEVE

2шт.

31

707220R1

O-RING,0.139" Thk x 2.984" ID, -234, Cl 5, 75 Duro

SERVO SLEEVE

2шт.

32

PISTON, SERVO - NOT AVAILABLE SEPARATELY, ORDER 224669C91

1шт.

33

142408C1

RETAINER

SERVO

2шт.

28144R1

HEX SOC SCREW,#8 - 32 x 3/8"

1шт.

34

142399C1

GASKET

MOUNTING FLANGE

1шт.

Выбрано товаров: 41