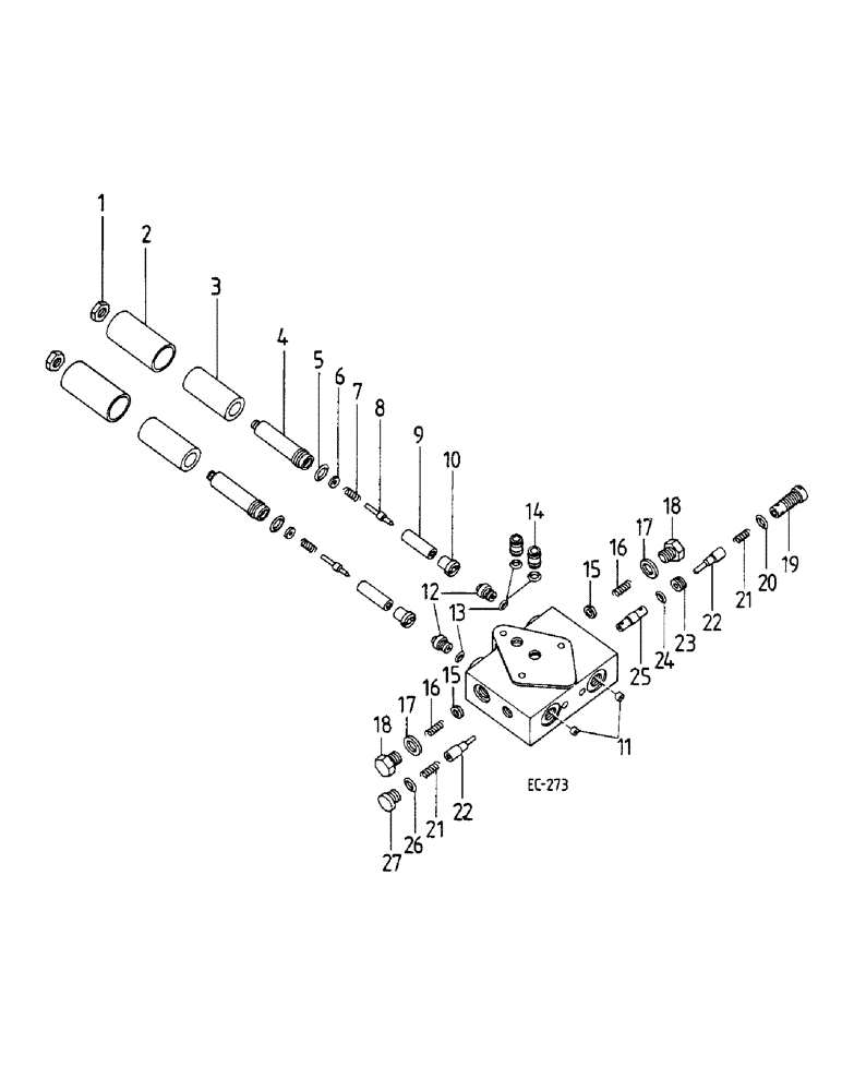
Запчасти Case IH 1460 (10-093) - DOUBLE-PILOTED VALVE, GERMAN REGULATIONS (07) - HYDRAULICS

Схема запчастей Case IH 1460 - (10-093) - DOUBLE-PILOTED VALVE, GERMAN REGULATIONS (07) - HYDRAULICS
27
24
18
5
4
8
7
20
21
15
16
6
9
12
16
21
14
10
19
26
17
18
1
25
15
23
22
3
11
13
17
2
22
FIT
1:1
100%

Артикул

Название

Примечание

Количество

1

107825

NUT,Stamped, 1/2"-20

1/2 UNF

2шт.

2

1301632C1

CAP

COIL

2шт.

3

1301633C1

COIL

SWITCH

2шт.

4

1301627C1

STUD

ASSY, N.C.

2шт.

5

384578R1

O-RING,0.07" Thk x 0.801" ID, -19, Cl 6, 90 Duro

2шт.

6

1301642C1

WASHER

2шт.

7

1301640C1

SPRING

2шт.

8

1301647C1

POPPET

PIN, DI-DIRECT

2шт.

9

1301648C1

ARMATURE

STUD ASSY, N.C.

2шт.

10

1301624C1

BUSHING

N.C. POLE

2шт.

11

1301637C1

ORIFICE

ORIFICE

2шт.

12

1301625C1

ORIFICE

PISTON

2шт.

13

379365R1

O-RING,0.07" Thk x 0.364" ID, -12, Cl 6, 90 Duro

4шт.

14

1301630C1

TUBE

THRU-TUBE

2шт.

15

1301687C1

WASHER

SPRING

2шт.

16

1301689C1

SPRING

2шт.

17

364885C1

O-RING

13/16 X 15/16

2шт.

18

1301686C1

CAP

PLUG, END

2шт.

19

1267164C1

FITTING

RETAINER GUIDE

1шт.

20

606271C1

O-RING,0.103" Thk x 0.612" ID, -114, Cl 6, 90 Duro

1шт.

21

1301729C1

SPRING

2шт.

22

1267160C1

VALVE

POPPET

2шт.

23

1267163C1

WASHER

WASHER

1шт.

24

382997R1

O-RING,0.07" Thk x 0.489" ID, -14, Cl 6, 90 Duro

1шт.

25

1267162C1

VALVE

SHUTTLE SPOOL

1шт.

26

364839R1

O-RING,0.078" Thk x 0.468" ID, -906, Cl 6, 90 Duro

3/8 OD tube

1шт.

27

1301670C1

PLUG

1шт.

Выбрано товаров: 27