Запчасти Case IH 1460 (10-111) - ACCUMULATORS (07) - HYDRAULICS

Схема запчастей Case IH 1460 - (10-111) - ACCUMULATORS (07) - HYDRAULICS
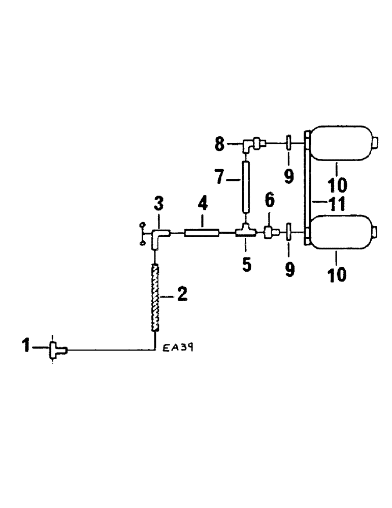
8
5
7
6
10
4
1
11
2
3
9
9
10
FIT
1:1
100%

Артикул

Название

Примечание

Количество

1

9410334

TEE,37 Degree, 7/8"-14 x 7/8"-14, Fem Sw Run

22.22 MM 14 37 DEG

1шт.

2

1312493R1

FLEXIBLE HOSE

ASSY, ACCUMULATOR 600 MM

1шт.

3

792831R92

VALVE

ASSY, - LE BOZEC

1шт.

3

790510R92

VALVE

ASSY, - BOCSH

1шт.

4

3164262R1

TUBE ASSY, ACCUMULATOR - WITH:

1шт.

790569R1

BUSHING

2шт.

790570R1

TUBE NUT

2шт.

5

1406046R1

TEE

1шт.

6

3157203R1

CONNECTOR, ELEC

CONNECTOR SWIVEL - WITH:

1шт.

790569R1

BUSHING

2шт.

790570R1

TUBE NUT

2шт.

8

1406057R1

ELBOW

SWIVEL

1шт.

9

3171671R1

SEAL

ACCUMULATOR

1шт.

10

790515R1

ACCUMULATOR

TANK ASSY

2шт.

933556R1

NUT

HM 28-150

2шт.

11

1312494C1

SUPPORT

ACCUMULATOR

1шт.

3175677R1

BOLT,Hex Serr Flg, M8 x 25mm

2шт.

86505868

SERRATED NUT,Hex, M8 x 1.25, Cl 8

Lock

2шт.

Выбрано товаров: 18