Запчасти Case IH 1460 (17-033) - STRAW CHOPPER DRIVE Mounted Equipment

Схема запчастей Case IH 1460 - (17-033) - STRAW CHOPPER DRIVE Mounted Equipment
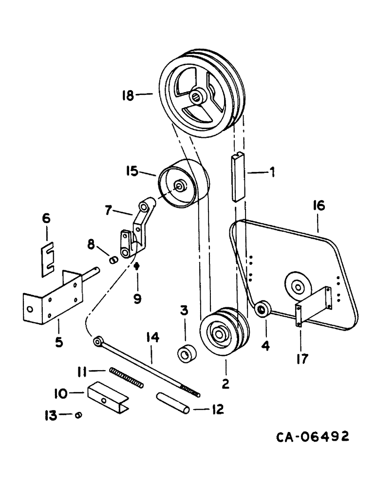
11
5
10
18
4
14
13
7
3
1
15
6
9
12
16
2
8
17
FIT
1:1
100%

Артикул

Название

Примечание

Количество

1

181012C1

BELT,0.630" W x 94.09" L, 2 Ribs

Straw chopper drive, OC

1шт.

2

181080C1

PULLEY

CHOPPER DRIVEN - 6 IN. OD

1шт.

3

181156C1

SPACER

CHOPPER DRIVEN PULLEY INNER

1шт.

4

298274R1

BUSHING

CHOPPER DRIVEN PULLEY OUTER

1шт.

5

181007C1

SUPPORT ASSY.

DRIVE IDLER PIVOT

1шт.

180122

BOLT,Hex, 3/8" - 16 x 1", Gr 5

1шт.

120377

NUT,3/8" - 16, Gr 5

1шт.

120382

LOCK WASHER,Helical Spring, 3/8"

1шт.

20803R1

WASHER

.406 X 1.000 X .105

1шт.

20340R1

COTTER PIN,1/4" x 1 1/2"

1шт.

496-21106

WASHER,1 1/16" x 2" x .209", HDN

1.062 X 2.000 X .108

1шт.

6

1302709C1

SHIM,50.8mm OD x 0.66mm Thk

BAR, CHOPPER DRIVEN

2шт.

7

181131C92

LEVER ASSY.

CHOPPER DRIVE, WITH 8

1шт.

8

559154R1

BUSHING,25.45mm ID x 28.6mm OD x 25.4mm L

CHOPPER DRIVE IDLER

2шт.

9

87414

LUBE NIPPLE,1/4" - 28

1шт.

10

181009C1

SUPPORT

CHOPPER DRIVE SPRING PIVOT

1шт.

413-1024

BOLT,Hex, 5/8" - 11 x 1-1/2", Gr 5

1шт.

280374

NUT,Hex, 5/8" - 11, Gr 5

1шт.

492-11062

BEARING WASHER,5/8"

1шт.

464623R1

WASHER

.656 X 1.500 X .105

1шт.

24552R1

WASHER

1.031 X 2.000 X .027

1шт.

11

523677R1

SPRING

CHOPPER DRIVE PIVOT

1шт.

12

181011C1

SPACER

DRIVE PIVOT SPRING

1шт.

13

472297R1

WASHER

.64 X 1.00 X .22

1шт.

14

182892C2

BOLT,1/2" - 13 x 330mm

CHOPPER DRIVE TENSION

1шт.

120378

NUT,Hex, 1/2" - 13, Gr 5

1шт.

18481R1

COTTER PIN,3/16" x 1"

1шт.

22089R1

HEADED PIN,1/2" x 2 7/8"

1/2 X 2.875 HD TYPE 5

1шт.

495-11053

WASHER,1/2", SAE

1шт.

20601R1

WASHER

.531 X 1.250 X .105

1шт.

15

181133C91

PULLEY ASSY.

STRAW CHOPPER DRIVE

1шт.

413-1064

BOLT,Hex, 5/8" - 11 x 4", Gr 5

1шт.

280374

NUT,Hex, 5/8" - 11, Gr 5

1шт.

492-11062

BEARING WASHER,5/8"

1шт.

396-21066

WASHER,16.66mm ID x 33.33mm OD x 4.27mm Thk

1шт.

16

194759C2

SUPPORT

STRAW CHOPPER DRIVE

1шт.

477-73108

SERRATED SCREW,Sl Truss Hd, 5/16" - 18 x 1/2"

1шт.

938017R1

FLANGE NUT,Flg, USR, 5/16"-18

1шт.

17

181142C1

SUPPORT

CHOPPER DRIVE SHIELD

2шт.

477-73108

SERRATED SCREW,Sl Truss Hd, 5/16" - 18 x 1/2"

1шт.

938017R1

FLANGE NUT,Flg, USR, 5/16"-18

1шт.

18

PULLEY, STRAW CHOPPER DRIVE - SEE STRAW CHOPPER GEAR CASE

1шт.

Выбрано товаров: 42