Запчасти Case IH 1460 (17-131) - TAILINGS DELIVERY AUGER Mounted Equipment

Схема запчастей Case IH 1460 - (17-131) - TAILINGS DELIVERY AUGER Mounted Equipment
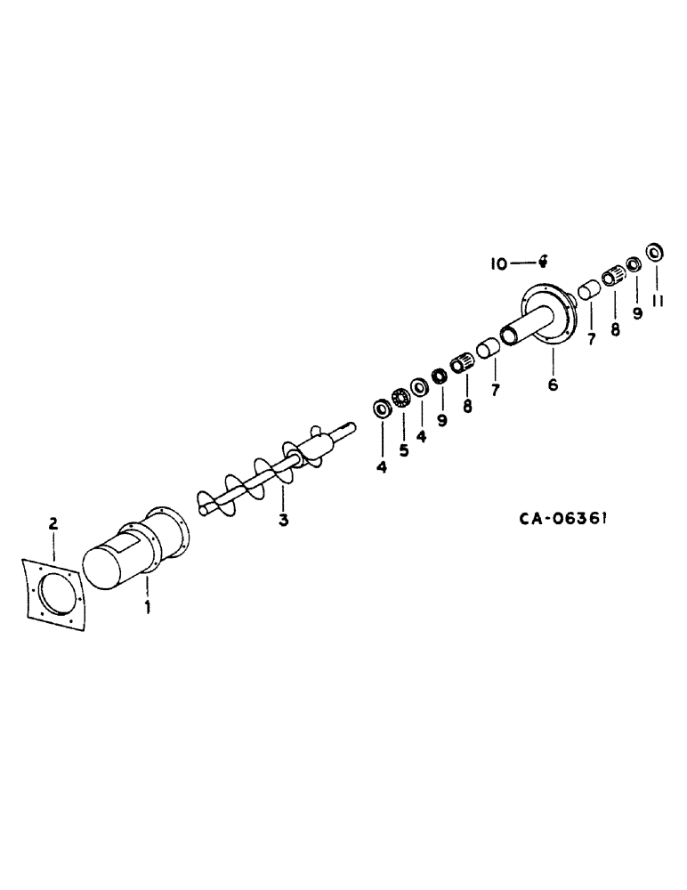
5
6
8
9
1
7
7
9
11
4
10
2
3
4
8
FIT
1:1
100%

Артикул

Название

Примечание

Количество

1

185225C1

TUBE,6.56" Length

TAILINGS DELIVERY AUGER

1шт.

135270

SERRATED SCREW,5/16" - 18 x 3/4"

5/16 X 3/4 ZNP SLT-TRUSS-HD

1шт.

120376

NUT,5/16"-18, G5

1шт.

80681

LOCK WASHER,5/16"

1шт.

938017R1

FLANGE NUT,Flg, USR, 5/16"-18

1шт.

2

186700C1

COVER

FLANGE, TAILINGS DELIVERY TUBE

1шт.

135270

SERRATED SCREW,5/16" - 18 x 3/4"

5/16 X 3/4 ZNP SLT-TRUSS-HD

1шт.

938017R1

FLANGE NUT,Flg, USR, 5/16"-18

1шт.

3

193225C1

AUGER

ASSY, TAILINGS DELIVERY

1шт.

496-21106

WASHER,1 1/16" x 2" x .209", HDN

1.062 X 2.000 X .108

1шт.

4

864982R1

THRUST WASHER,1.012" ID x 1.552" OD x 0.93"

DELIVERY AUGER THRUST

2шт.

5

368372R91

THRUST BEARING

DELIVERY AUGER

1шт.

6

192783C1

BEARING HOUSING,2" ID x 8" OD x 6.3"

DISTRIBUTOR AUGER BEARING

1шт.

18764R1

HARDWARE,Hex, 5/16"-18 x 3/4", G2

1шт.

120376

NUT,5/16"-18, G5

1шт.

80681

LOCK WASHER,5/16"

1шт.

151670C1

SHIM

WASHER, DELIVERY AUGER HUB

1шт.

7

588997R1

BUSHING,34.99mm ID x 36.55mm OD x 25.27mm L

DISTRIBUTOR AUGER BRG

2шт.

8

568029R1

BEARING, ROLLER

2шт.

9

564592R91

SEAL,23.5mm ID x 36.6mm OD x 6.5mm Thk

HUB

2шт.

10

87569

LUBE NIPPLE,45 Degree, 1/4" NPT x 4/5" L, Drive

FITTING, 1/4-28 45 DEG. LUB

1шт.

11

21885R1

WASHER

1.03 X 2.00 X .06 ZND

4шт.

Выбрано товаров: 22