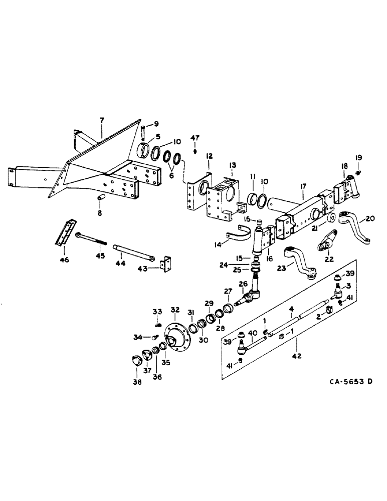
Запчасти Case IH 1460 (14-006) - STEERING AXLE, SUPPORT AND TIE ROD, ADJUSTABLE, FOR GRAIN AND CORN Suspension

Схема запчастей Case IH 1460 - (14-006) - STEERING AXLE, SUPPORT AND TIE ROD, ADJUSTABLE, FOR GRAIN AND CORN Suspension
45
23
35
1
16
47
4
17
32
8
33
38
1
6
21
29
41
31
39
36
46
24
15
41
42
15
27
11
14
28
22
2
10
25
43
18
10
20
39
37
19
7
34
9
13
26
3
5
30
44
40
12
FIT
1:1
100%

Артикул

Название

Примечание

Количество

1

180586C1

BRACKET

WASHER, TIE ROD END CLAMP L.H.

2шт.

25779R1

BOLT,Hex, 3/8" - 24 x 3", Gr 8

1шт.

2

225265R1

CLAMP

TIE ROD END

1шт.

180185

BOLT,Hex, 1/2" - 13 x 2 1/2", Gr 5

1шт.

232-4636

LOCK NUT,3/8"-24, GC

1шт.

9413967

LOCK NUT,1/2"-13, GB

1шт.

3

179228C1

END ASSY.

TIE ROD R.H., FOR 56 - 68 IN., FOR 67 - 91 IN.

1шт.

3

1302687C1

JOINT

END ASSY, TIE ROD R.H., FOR 92-120 IN.

1шт.

425-1310

SLOTTED NUT,5/8"-18, G5

1шт.

137204

COTTER PIN,1/8" x 1 1/2"

1шт.

4

185174C1

TUBE

TUBE, FOR WIDE ADJUSTABLE - 67 TO 91 IN.

1шт.

4

1300170C1

TUBE

TIE ROD - FOR WIDE ADJUSTABLE - 92 TO 120 IN.

1шт.

4

185176C1

TUBE

TIE ROD - FOR NARROW ADJ. - 56 TO 68 IN.

1шт.

5

182795C1

BUSHING,101.68mm ID x 127mm OD x 44.7mm L

AXLE PIVOT

1шт.

6

182794C1

BUSHING,101.77mm ID x mm OD x 19.1mm L

BUSHING, PIVOT

2шт.

7

1308816C1

SUPPORT

STEERING AXLE

1шт.

454998

BOLT,Hex, 1/2" - 13 x 1", Gr 8

1шт.

380916R1

BOLT,Hex, 3/4" - 10 x 1 1/2", Gr 8

1шт.

195312C1

FLANGE NUT,Flg, USR, 1/2"-13, G8

1шт.

177744C1

FLANGE NUT,Flg, USR, 3/4"-10

1шт.

25712R1

WASHER

.812 X 1.500 X .179 HDN

1шт.

8

177748C1

SPACER

STEERING AXLE SUPPORT

1шт.

9

28147R1

HEADED PIN,3/4" x 5 1/2"

3/4 X 5-1/2 STD. HD

1шт.

217973

COTTER PIN,1/4" x 1 1/4"

1шт.

10

168385C2

WASHER,102.6mm ID x 127mm OD x 3.3mm Thk

PIVOT TUBE

1шт.

11

177751C1

BUSHING,101.7mm ID x 106.36mm OD x 38.1mm L

PIVOT

1шт.

12

182792C92

SUPPORT ASSY.

FRONT PIVOT, WITH 6

1шт.

24896R1

BOLT,Hex, 3/4" - 10 x 5", Gr 8

1шт.

177744C1

FLANGE NUT,Flg, USR, 3/4"-10

1шт.

25712R1

WASHER

.812 X 1.500 X .179 HDN

1шт.

13

186599C92

SUPPORT ASSY.

PIVOT - 92 TO 120 IN., WITH 11

1шт.

24896R1

BOLT,Hex, 3/4" - 10 x 5", Gr 8

6шт.

177744C1

FLANGE NUT,Flg, USR, 3/4"-10

8шт.

30330R1

WASHER,M20 x 37.5 x 4, HT

20 MM HDN

8шт.

25360R1

BOLT,Hex, 3/4" - 10 x 5 1/2", Gr 8

2шт.

14

1302625C1

CHANNEL

COMBINE TOW - 92 TO 120 IN.

1шт.

24879R1

BOLT,Hex, 5/8" - 11 x 3", Gr 8

1шт.

174763C1

FLANGE NUT,Flg, USR, 5/8"-12

1шт.

15

376099R1

BUSHING

SPINDLE PIVOT

4шт.

16

183454C91

EXTENSION

ASSY, AXLE L.H. - WITH 15 - FOR WIDE ADJUSTABLE - 92 TO 120 IN.

1шт.

177744C1

FLANGE NUT,Flg, USR, 3/4"-10

1шт.

NLS

NO LONGER SERVICED

1шт.

17

1302522C1

STEERING AXLE

ASSY, WIDE ADJUSTABLE - 92 TO 120 IN.

1шт.

464623R1

WASHER

.656 X 1.500 X .105 - USED ON STEERING CYLINDER ANCHOR AS A SPACER WASHER

1шт.

18

183455C91

EXTENSION

ASSY, AXLE R.H. - WITH 15 - FOR WIDE ADJUSTABLE - 92 TO 120 IN.

1шт.

177744C1

FLANGE NUT,Flg, USR, 3/4"-10

1шт.

271781

BOLT (SPREADER),Hex, 3/4" - 10 x 4 1/2", Gr 5

1шт.

413-1280

BOLT,Hex, 3/4" - 10 x 5", Gr 5

Course threads

1шт.

19

80722

LUBE NIPPLE,3/16" x .55" lg, Drive

FITTING, 3/16 STR LUB

2шт.

20

193912C1

ARM

LEVER, KNUCKLE R.H.

1шт.

21

167955C2

SEAL

STEERING HOSE

2шт.

22

182782C1

ANCHOR

STEERING CYLINDER - FOR WIDE ADJUSTABLE - 92 TO 120 IN.

1шт.

177744C1

FLANGE NUT,Flg, USR, 3/4"-10

1шт.

19873R1

HARDWARE,Hex, 3/4"-10 x 5 1/2", G5

1шт.

413-1280

BOLT,Hex, 3/4" - 10 x 5", Gr 5

Course threads

1шт.

23

193911C1

LEVER

KNUCKLE L.H.

1шт.

24

185106C91

BEARING ASSY,44.2mm ID x 70.1mm OD x 19.05mm W

ASSY, KNUCKLE THRUST

2шт.

25

15943DA

SEALING WASHER,60.33mm ID x 72.23mm OD x 4.76mm Thk

Knuckle pivot felt

2шт.

26

196334C2

KNUCKLE

ASSY. STEERING WHEEL, WITH 27, 28

2шт.

427646

SLOTTED NUT,7/8"-14, G5

1шт.

427547

JAM NUT,Jam, 1 3/8"-12, G5

1шт.

137228

COTTER PIN,5/32" x 1 1/2"

1шт.

370255R2

WASHER,22.63mm ID x 47.75mm OD x 4.18mm Thk

.89 X 1.88 X 5 GA HARD

1шт.

22827R1

WASHER

1.406 X 2.750 X .042

1шт.

27

48701D

SHIELD

KNUCKLE DUST

2шт.

28

370254R91

OIL SEAL,57.02mm ID x 82.55mm OD x 6.86mm Thk

KNUCKLE OIL

2шт.

29

48703D

RETAINER

HUB SEAL

2шт.

30

G15215

ROLLER BEARING

ASSY, HUB INNER

2шт.

31

619387R1

BEARING CUP

HUB INNER

2шт.

32

391824R11

HUB ASSY.

AXLE, WITH 29, 31, 35

2шт.

414064C1

BOLT,Hex, 9/16" - 18 x 1 1/2"

16шт.

33

19700R91

FITTING

3/16 45 DEG. LUB

1шт.

34

364451R1

BOLT,9/16" - 18 x 1 7/32"

HUB

16шт.

35

618024R1

BEARING CUP,65.113mm OD x 13.97mm W

Hub Outer

2шт.

36

618023R91

BEARING ASSY,34.93mm ID x 18.2mm W

ASSY, HUB OUTER

2шт.

37

369860R1

GASKET,0.79mm Thk

HUB CAP

2шт.

38

369859R1

CAP

HUB

2шт.

180075

BOLT,Hex, 5/16" - 18 x 5/8", Gr 5

1шт.

80681

LOCK WASHER,5/16"

1шт.

39

382562R1

SEAL

TIE ROD DUST

2шт.

40

193371C1

END ASSY.

TIE ROD L.H. - FOR WIDE ADJUSTABLE - 67 TO 91 IN.

1шт.

40

1302686C1

JOINT

END ASSY, TIE ROD L.H. - FOR WIDE ADJUSTABLE - 92 TO 120 IN.

1шт.

40

196321C1

END

ASSY, TIE ROD L.H. - FOR NARROW ADJ. - 56 TO 68 IN.

1шт.

25779R1

BOLT,Hex, 3/8" - 24 x 3", Gr 8

1шт.

232-4636

LOCK NUT,3/8"-24, GC

1шт.

168392R1

BOLT,Hex, 1/2" - 13 x 2 1/2", Gr 8

1шт.

232-4636

LOCK NUT,3/8"-24, GC

1шт.

425-1310

SLOTTED NUT,5/8"-18, G5

1шт.

137204

COTTER PIN,1/8" x 1 1/2"

1шт.

41

109461

LUBE NIPPLE,1/8"-27 x .66 lg

2шт.

42

185173C91

ROD ASSY.

AXLE TIE - FOR WIDE ADJUSTABLE - 67 TO 91 IN.

1шт.

42

182783C91

ROD ASSY.

AXLE TIE - FOR WIDE ADJUSTABLE - 92 TO 120 IN.

1шт.

42

185175C91

ROD

ASSY, AXLE TIE - FOR NARROW ADJ., WITH 1 - 4, 40

1шт.

425-1310

SLOTTED NUT,5/8"-18, G5

1шт.

137204

COTTER PIN,1/8" x 1 1/2"

1шт.

43

183494C1

SUPPORT ASSY.

ROD REAR - FOR WIDE ADJUSTABLE - 92 TO 120 IN.

2шт.

44

181444C1

TIE-ROD,1" - 8

AXLE ROD REAR EYE - FOR WIDE ADJUSTABLE - 92 TO 120 IN.

2шт.

23313R1

HEADED PIN,7/8" x 3 1/2"

1шт.

217973

COTTER PIN,1/4" x 1 1/4"

1шт.

9849633

NUT,1"-8, G5

1шт.

45

181442C2

BOLT

AXLE ROD FRONT EYE - FOR WIDE ADJUSTABLE - 92 TO 120 IN.

2шт.

Q964

HEADED PIN,7/8" x 2.734"

7/8 X 3. PLN HD TYPE 1

1шт.

217973

COTTER PIN,1/4" x 1 1/4"

1шт.

46

183491C1

SUPPORT ASSY.

ROD FRONT - FOR WIDE ADJUSTABLE - 92 TO 120 IN.

1шт.

47

80722

LUBE NIPPLE,3/16" x .55" lg, Drive

FITTING, 3/16 HOLE LUB

1шт.

Выбрано товаров: 0