Запчасти Case IH 1480 (20-01) - SEPARATOR, SEPARATOR SIDES Separation

Схема запчастей Case IH 1480 - (20-01) - SEPARATOR, SEPARATOR SIDES Separation
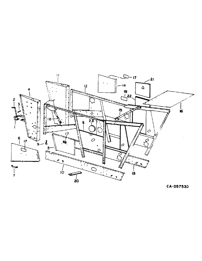
12
14
20
17
7
16
21
17
3
13
9
18
23
19
15
10
4
17
22
5
2
6
8
11
FIT
1:1
100%

Артикул

Название

Примечание

Количество

1

193834C1

BLOCK

feeder pivot

2шт.

2

192533C2

ROD

feeder pivot block

2шт.

3

486830R1

COTTER PIN

PIN, Q.A.

2шт.

4

193853C8

POST

ASSY, LH front

1шт.

454998

BOLT,Hex, 1/2" - 13 x 1", Gr 8

1/2 x 1 type 8

1шт.

20739R1

BOLT,Hex, 5/8" - 11 x 1 1/4", Gr 8

5/8 x 1-1/4 type 8

1шт.

195312C1

FLANGE NUT,Flg, USR, 1/2"-13, G8

1/2 PHC flange lock type 8

1шт.

195313C1

FLANGE NUT,Flg, USR, 5/8"-12

5/8 PHC flange lock type 8

1шт.

25556R1

WASHER,21/32" x 1 1/2" x .188", HDN

.656 x 1.500 x .188 PHC HDN

1шт.

169256C2

WASHER,16.28mm ID x 31.8mm OD x 3.05mm Thk

.641 x 1.25 x .120 gage znd

1шт.

5

192326C5

PANEL

SIDE ASSY, separator LH, Serial Range: -24000

1шт.

5

185130C3

PANEL

SIDE ASSY, separator side LH, Start Serial: 24001

1шт.

24872R1

BOLT,Hex, 5/8" - 11 x 1 1/4", Gr 8

1шт.

195313C1

FLANGE NUT,Flg, USR, 5/8"-12

5/8 PHC flange lock type 8

1шт.

454998

BOLT,Hex, 1/2" - 13 x 1", Gr 8

1/2 x 1 type 8

1шт.

195312C1

FLANGE NUT,Flg, USR, 1/2"-13, G8

1/2 PHC flange lock type 8

1шт.

6

182524C91

DOOR

ASSY, separator LH front, includes ref. no. 17

1шт.

7

160638C1

HANDLE

separator side and front door

3шт.

938017R1

FLANGE NUT,Flg, USR, 5/16"-18

5/16 flange lock

1шт.

477-73108

SERRATED SCREW,Sl Truss Hd, 5/16" - 18 x 1/2"

5/16 x 1/2 slt-truss-hd

1шт.

8

183020C91

DOOR

separator LH side, includes ref. no. 17

1шт.

9

167800C1

CLIP

door retainer

15шт.

174097C1

FLANGE NUT,Flg, USR, #10-24

10-24 C-Z flange lock

1шт.

159927

SCREW,Cross Pan Hd, #10 - 24 x 1/2"

1шт.

10

188447C3

SUPPORT

separator LH side main

1шт.

11

193854C2

POST

ASSY, RH front

1шт.

454998

BOLT,Hex, 1/2" - 13 x 1", Gr 8

1/2 x 1 type 8

1шт.

24872R1

BOLT,Hex, 5/8" - 11 x 1 1/4", Gr 8

1шт.

195312C1

FLANGE NUT,Flg, USR, 1/2"-13, G8

1/2 PHC flange lock type 8

1шт.

195313C1

FLANGE NUT,Flg, USR, 5/8"-12

5/8 PHC flange lock type 8

1шт.

25556R1

WASHER,21/32" x 1 1/2" x .188", HDN

.656 x 1.500 x .188 PHC HDN

1шт.

169256C2

WASHER,16.28mm ID x 31.8mm OD x 3.05mm Thk

.641 x 1.25 x .120 gage znd

1шт.

12

185461C95

PANEL

SIDE ASSY, separator RH, Serial Range: -24000

1шт.

12

1300266C91

SIDE ASSY.

SIDE ASSY, separator side RH, includes ref. no. 19, Start Serial: 24001

1шт.

24872R1

BOLT,Hex, 5/8" - 11 x 1 1/4", Gr 8

1шт.

482256R1

BEARING LOCK NUT,Flg, USR, 3/8"-16

3/8 flange lock

1шт.

195313C1

FLANGE NUT,Flg, USR, 5/8"-12

5/8 PHC flange lock type 8

1шт.

432366

HOLE PLUG BUTTON,1 3/8"

PLUG, 1-3/8 button

1шт.

477-73812

SERRATED SCREW,Truss HD, 3/8" - 16 x 3/4"

3/8 x 3/4 znp slt-truss-hd

1шт.

454998

BOLT,Hex, 1/2" - 13 x 1", Gr 8

1/2 x 1 type 8

1шт.

195312C1

FLANGE NUT,Flg, USR, 1/2"-13, G8

1/2 PHC flange lock type 8

1шт.

13

188448C3

SUPPORT

separator RH side main

1шт.

14

182526C91

DOOR

ASSY, separator RH front, includes ref. no. 17

1шт.

15

195317C1

SUPPORT

ASSY, engine deck

1шт.

482256R1

BEARING LOCK NUT,Flg, USR, 3/8"-16

3/8 flange lock

1шт.

477-73812

SERRATED SCREW,Truss HD, 3/8" - 16 x 3/4"

3/8 x 3/4 znp slt-truss-hd

1шт.

16

192605C1

SUPPORT

engine deck

1шт.

17

179749C2

PRODUCT GRAPHIC

danger

1шт.

18

1308946C1

BAR

front post diagonal RH, replaces 186502C2

1шт.

271548

BOLT (SPREADER),Hex, 5/8" - 11 x 1 3/4", Gr 5

BOLT, 5/8 x 1-3/4 type 5

1шт.

124589

BALL STUD,Hex, 5/8" - 11 x 2", Gr 5

5/8 type 5

1шт.

492-11062

BEARING WASHER,5/8"

WASHER, LOCK, 5/8"

1шт.

19

185442C1

DECAL

PRODUCT GRAPHIC, caution engine

1шт.

20

186018C1

STRAP

BAR, separator frame diagonal

2шт.

427566

BOLT,Hex, 1/2"-13 x 1 1/2", G8, Full Thd

1/2 x 1-1/2 type 8

1шт.

25710R1

WASHER

.531 x 1.062 x .134 HDN

1шт.

186852C1

FLANGE NUT,Hex, 1/2"-13, Lock

1/2 flange lock type 8

1шт.

21

181061C2

SUPPORT

ASSY, beater LH

1шт.

21

181062C2

SUPPORT

ASSY, beater RH, Serial Range: -24001

1шт.

180122

BOLT,Hex, 3/8" - 16 x 1", Gr 5

3/8 x 1 type 5

1шт.

180126

BOLT,Hex, 3/8" - 16 x 1 1/2", Gr 5

3/8 x 1-1/2 type 5

1шт.

120377

NUT,3/8" - 16, Gr 5

1шт.

120382

LOCK WASHER,Helical Spring, 3/8"

WASHER, LOCK, 3/8"

1шт.

25709R1

WASHER

.406 x .812 x .089 HDN

1шт.

22

181085C2

DOOR

separator side, for combines, Serial Range: -24000

1шт.

22

181085C2

DOOR

separator side, w/straw chopper, Start Serial: 24001

1шт.

135270

SERRATED SCREW,5/16" - 18 x 3/4"

5/16 x 3/4 znp slt-truss-hd

1шт.

938017R1

FLANGE NUT,Flg, USR, 5/16"-18

5/16 flange lock

1шт.

23

406391C1

PLUG,1"

1 inch, used when machine is not equipped with rotor sensor harness

1шт.

Выбрано товаров: 69