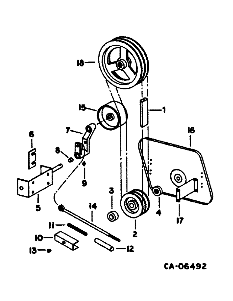
Запчасти Case IH 1480 (20-14) - SEPARATOR, STRAW CHOPPER DRIVE Separation

Схема запчастей Case IH 1480 - (20-14) - SEPARATOR, STRAW CHOPPER DRIVE Separation
9
14
17
18
5
13
10
16
8
15
1
2
4
3
7
12
6
11
FIT
1:1
100%

Артикул

Название

Примечание

Количество

1

181013C1

BELT,0.63" W x 105.49" L, 2 Ribs

V-BELT , Straw chopper drive, OC 0.63" W x 105.49" L, 2 Ribs

1шт.

2

181080C1

PULLEY

chopper driven, 6 in. OD, 152.4mm OD

1шт.

3

181156C1

SPACER

BUSHING, chopper driven pulley inner

1шт.

4

298274R1

BUSHING

chopper driven pulley outer

1шт.

5

181007C1

SUPPORT ASSY.

SUPPORT ASSY, drive idler pivot

1шт.

180122

BOLT,Hex, 3/8" - 16 x 1", Gr 5

3/8 x 1 type 5

1шт.

120377

NUT,3/8" - 16, Gr 5

1шт.

120382

LOCK WASHER,Helical Spring, 3/8"

WASHER, LOCK, 3/8"

1шт.

21403R1

WASHER

.406 x 1.000 x .120

1шт.

20340R1

COTTER PIN,1/4" x 1 1/2"

Pin, Split (Cotter), 1/4" x 1 1/2"

1шт.

25847R1

WASHER

1.062 x 2.000 x .209 HDN

1шт.

6

1302709C1

SHIM,50.8mm OD x 0.66mm Thk

BAR, chopper drive shim

2шт.

7

181131C92

LEVER ASSY.

LEVER ASSY, chopper drive, includes ref. no. 8

1шт.

8

559154R1

BUSHING,25.45mm ID x 28.6mm OD x 25.4mm L

chopper drive idler

2шт.

9

87414

LUBE NIPPLE,1/4" - 28

FITTING, 1/4-28 lub

1шт.

10

181009C1

SUPPORT

chopper drive spring pivot

1шт.

413-1024

BOLT,Hex, 5/8" - 11 x 1-1/2", Gr 5

5/8 x 1-1/2 type 5

1шт.

280374

NUT,Hex, 5/8" - 11, Gr 5

5/8 type 5

1шт.

492-11062

BEARING WASHER,5/8"

WASHER, LOCK, 5/8"

1шт.

464623R1

WASHER

.656 x 1.500 x .105

1шт.

24552R1

WASHER

1.031 x 2.000 x .027

1шт.

11

523677R1

SPRING

chopper drive pivot

1шт.

12

181011C1

SPACER

drive pivot spring

1шт.

13

472297R1

WASHER

.64 x 1.00 x .22

1шт.

14

182892C2

BOLT,1/2" - 13 x 330mm

chopper drive tension

1шт.

12378

CLIP

NUT, 1/2 type 5

1шт.

18481R1

COTTER PIN,3/16" x 1"

PIN, SPLIT (COTTER), 3/16" x 1"

1шт.

22089R1

HEADED PIN,1/2" x 2 7/8"

PIN, 1/2 x 2.875 hd type 5

1шт.

22710R1

WASHER, .531 x 1.062 x .134 HDN

1шт.

20601R1

WASHER

.531 x 1.250 x .105

1шт.

15

181133C91

PULLEY ASSY.

PULLEY ASSY, chopper drive idler

1шт.

271731

SHAFT,Hex, 5/8" - 11 x 4", Gr 5

5/8 x 4 type 5

1шт.

124589

BALL STUD,Hex, 5/8" - 11 x 2", Gr 5

5/8 type 5

1шт.

492-11062

BEARING WASHER,5/8"

WASHER, LOCK, 5/8"

1шт.

25976R1

WASHER,21/32" x 1 5/16" x .150", HDN

.656 x 1.312 x .150 PHC HDN

1шт.

16

194759C3

GUARD

SUPPORT, straw chopper drive

1шт.

477-73108

SERRATED SCREW,Sl Truss Hd, 5/16" - 18 x 1/2"

5/16 x 1/2 slt-truss-hd

1шт.

938017R1

FLANGE NUT,Flg, USR, 5/16"-18

5/16 flange lock

1шт.

17

181142C1

SUPPORT

chopper drive shield

2шт.

477-73108

SERRATED SCREW,Sl Truss Hd, 5/16" - 18 x 1/2"

5/16 x 1/2 slt-truss-hd

1шт.

938017R1

FLANGE NUT,Flg, USR, 5/16"-18

5/16 flange lock

1шт.

18

PULLEY, straw chopper drive, refer to group 7 under straw chopper gear case

1шт.

Выбрано товаров: 42