Запчасти Case IH 1480 (15-07) - WHEEL AND TRACTION, POWER GUIDE WHEELS, SERIAL NO. 54298 AND BELOW, HYDRAULIC AND ELECTRICAL PARTS Wheels & Traction

Схема запчастей Case IH 1480 - (15-07) - WHEEL AND TRACTION, POWER GUIDE WHEELS, SERIAL NO. 54298 AND BELOW, HYDRAULIC AND ELECTRICAL PARTS Wheels & Traction
11
14
12
6
5
10
17
16
19
11
2
11
23
21
18
7
4
6
1
9
20
28
14
11
22
15
15
15
17
26
13
8
10
25
13
24
3
29
14
27
9
14
13
26
FIT
1:1
100%

Артикул

Название

Примечание

Количество

1

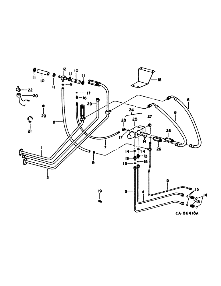
1301715C1

TUBE

ASSY, hydro drive forward upper pressure

1шт.

2

1301714C1

TUBE

ASSY, hydro drive reverser upper pressure

1шт.

3

1301481C1

TUBE

ASSY, power guide drive reverse pressure (Replaces 1301483C1)

1шт.

4

1301481C1

TUBE

ASSY, power guide drive forward pressure

1шт.

5

1301485C1

HYD TUBE

TUBE ASSY, power guide drive drain

1шт.

6

1301931C1

HOSE ASSY, valve pressure, 30 in., 762.0mm

2шт.

7

183531C1

HOSE,6.35 mm ID x 686.00, SAE 100R1 CLASS 7

ASSY, valve pressure, 27 in., 685.8mm, Serial Range: -54000

1шт.

7

138961C1

HOSE

ASSY, valve pressure, replaces 1315468C1, 36 in., 914.4mm, Start Serial: 54001

1шт.

8

HOSE, power guide drive drain, use 48 in. of 3/8 in. ID hose from 50 ft. roll marked 180730C1

1шт.

9

244713R1

HOSE CLAMP,#4, 0.25/0.62 Type M Worm

CLAMP, drain hose

2шт.

10

HOSE, power guide drive return, use 7 in. of 3/4 in. ID hose from 25 ft. roll marked 180720C1

2шт.

11

995218R1

CLAMP

return hose

4шт.

12

196709C1

TEE

drive return hose

1шт.

13

1301487C2

UNION

pressure tubes

4шт.

14

368269R1

O-RING,0.116" Thk x 0.924" ID, -912, Cl 6, 90 Duro

for 3/4 in. tube

6шт.

15

183797C1

SEAL

pressure tube union

4шт.

16

9410200

HYD CONNECTOR,7/16" - 20 JIC x 7/16" - 20 ORB

UNION, 7/16-20 37 deg hyd short swivel

1шт.

17

369751R1

O-RING,0.072" Thk x 0.351" ID, -904, Cl 6, 90 Duro

4-1, 90 Duro, .351" ID x .072" Thk

2шт.

18

1301425C1

SUPPORT

power guide drive valve

1шт.

189304

BOLT,Hex, 3/8" - 16 x 3 1/4", Gr 5

3/8 x 3-1/4 type 5

1шт.

477-73816

SERRATED SCREW,Sl Truss Hd, 3/8" x 1"

3/8 x 1 slt-truss-hd

1шт.

482256R1

BEARING LOCK NUT,Flg, USR, 3/8"-16

3/8 flange lock

1шт.

19

589980R2

CLIP

CLAMP, hyd tube

1шт.

19

406381C1

CLIP

CLAMP, hyd tube

1шт.

19

26613R1

CLAMP,1 7/8", Insul, 1/2" Bolt

hyd hose

1шт.

135270

SERRATED SCREW,5/16" - 18 x 3/4"

5/16 x 3/4 znp slt-truss-hd

1шт.

938017R1

FLANGE NUT,Flg, USR, 5/16"-18

5/16 flange lock

1шт.

189299

BOLT,Hex, 5/16" - 18 x 4 1/2", Gr 5

5/16 x 4-1/2 type 5

1шт.

120376

NUT,5/16"-18, G5

1шт.

80681

LOCK WASHER,5/16"

WASHER, LOCK, 5/16"

1шт.

134238R1

WASHER

.344 x 1.000 x .054

1шт.

20

1301523C1

HARNESS

ASSY, power guide drive

1шт.

21

702093C1

CABLE TIE

STRAP, harness tie

1шт.

22

1301521C1

SWITCH

ASSY, power guide drive

1шт.

23

198822C1

GROMMET,6.35mm ID x 41.1mm OD x 26.9mm Thk

1/4 in. ID

1шт.

24

1301483C1

TUBE

VALVE ASSY, power guide drive selector, includes ref nos. 14, 25 thru 28 (Replaces 1310514C91)

1шт.

Ref. 24 and 25 Solenoid NSS go to Mud Hog.

1шт.

25

1310579C91

LOCK VALVE

VALVE ASSY, selector

1шт.

26

1310542C1

VALVE

ASSY, flow limiter

2шт.

27

585694R1

ELBOW,90 Degree, 9/16"-18, 37 Degree x 3/8"-18, NPTF

hyd 3/8 to 1/8 90 deg

1шт.

28

9410974

ELBOW,90 Degree, 7/16"-20, 37 Degree x 7/16"-20, O-Ring

1/4 hyd adj 90 deg

1шт.

29

(Not used this application)

1шт.

1310710C1

DECAL

PRODUCT GRAPHIC, 4 wheel drive

1шт.

Выбрано товаров: 43