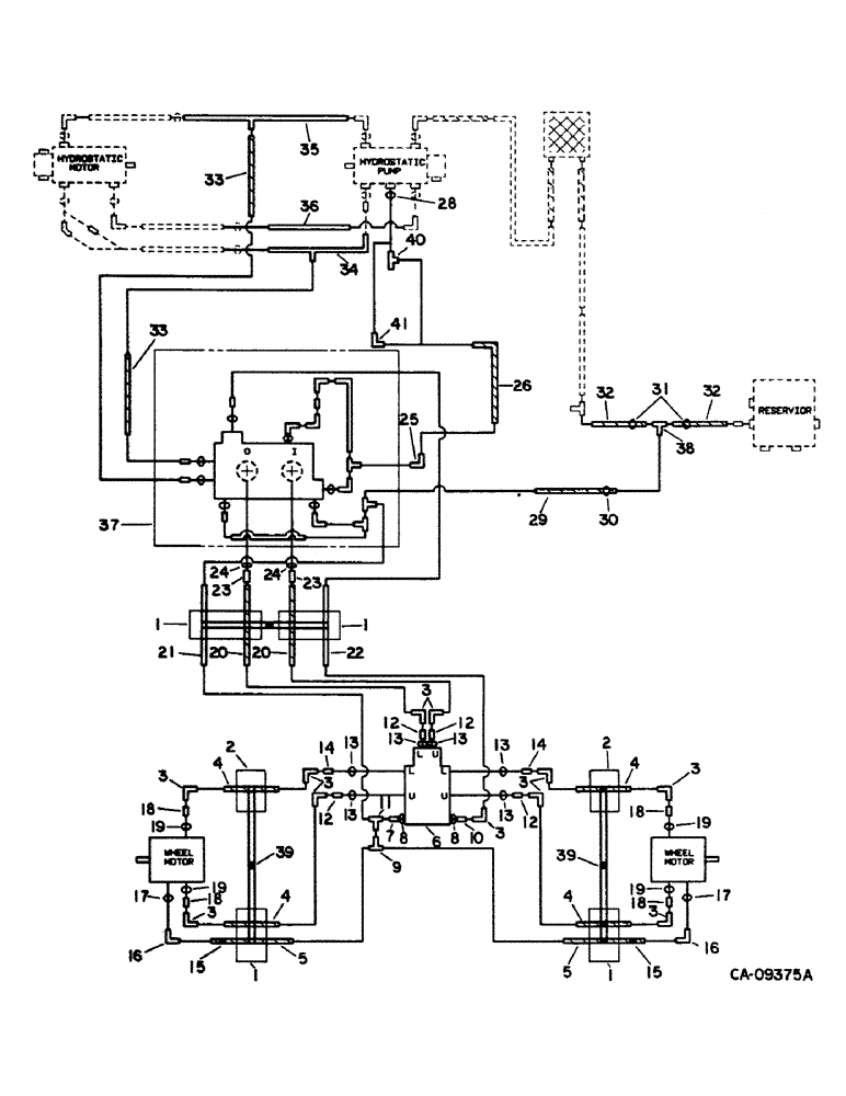
Запчасти Case IH 1480 (15-12) - WHEEL AND TRACTION, POWER GUIDE WHEELS, SERIAL NO. 54299 AND ABOVE, HYDRAULIC DIAGRAM Wheels & Traction

Схема запчастей Case IH 1480 - (15-12) - WHEEL AND TRACTION, POWER GUIDE WHEELS, SERIAL NO. 54299 AND ABOVE, HYDRAULIC DIAGRAM Wheels & Traction
31
13
17
23
8
12
16
3
18
18
15
24
3
15
28
20
3
1
12
13
1
38
41
7
4
13
30
24
36
17
40
26
3
14
35
4
18
34
32
3
10
3
29
14
8
32
2
13
22
4
4
19
13
5
19
18
21
19
39
1
2
25
16
13
9
1
37
12
11
3
12
23
3
5
20
39
33
19
6
33
FIT
1:1
100%

Артикул

Название

Примечание

Количество

1

1324450C1

SLEEVE

cordura hose, 3.29 ID x 36 in. long

4шт.

2

1324451C1

PROTECTIVE SLEEVE,40.4 mm ID x 914.50 mm

SLEEVE, 40.40 mm ID x 914.50 mm, Cordura Hose

2шт.

3

9410283

ELBOW,90 Degree, 1 1/16"-12, 37 Degree x 1 1/16"-12, 37 Degree Fem Sw

3/4 C-Z hyd fld 90D swivel

10шт.

4

1324452C1

HOSE

drive, 54.5 long

4шт.

5

1324453C1

HOSE

drive, 86.0 long

2шт.

6

1324466C91

VALVE

ASSY, equa-trac

1шт.

7

394955R1

HYD CONNECTOR,9/16"-18, 37 Degree x 7/16"-20, O-Ring

CONNECTOR, C-Z hyd fld 3/8 to 1/4 sht

1шт.

8

369751R1

O-RING,0.072" Thk x 0.351" ID, -904, Cl 6, 90 Duro

4-1, 90 Duro, .351" ID x .072" Thk, 1/4 OD tube, class 6

2шт.

9

9410306

TEE,37 Degree, 9/16"-1 x 9/16"-18, Fem Sw Br

3/8 C-Z hyd fld tube swivel

1шт.

10

9410200

HYD CONNECTOR,7/16" - 20 JIC x 7/16" - 20 ORB

CONNECTOR, 1/4 C-Z hyd fld short swivel

1шт.

11

9410332

TEE,37 Degree, 9/16"-18, x 9/16"-18, Fem Sw Run

3/8 C-Z hyd fld tube swivel

1шт.

12

9410205

HYD CONNECTOR,1 1/16"-12, 37 Degree x 1 1/16"-12, O-Ring

CONNECTOR, 3/4 C-Z hyd fld short swivel

4шт.

13

368269R1

O-RING,0.116" Thk x 0.924" ID, -912, Cl 6, 90 Duro

OD tube class 6

6шт.

14

9410231

HYD CONNECTOR,1 1/16"-12, 37 Degree x 1 1/16"-12, Pipe

CONNECTOR, 3/4 C-Z hyd fld long swivel

2шт.

15

28135R1

CLAMP

.938 dia znp coated med clo

2шт.

24875R1

BOLT,Hex, 5/8" - 11 x 2", Gr 8

2шт.

25949R1

JAM NUT,Jam, 5/8"-11, G8

5/8 PHC jam type 8

2шт.

16

935036R91

ELBOW

C-Z hyd fld adj 1/2 to 3/8 90D

2шт.

17

570828R1

O-RING,0.087" Thk x 0.644" ID, -908, Cl 6, 90 Duro

1/2 OD tube class 6

2шт.

18

1324476C2

ELBOW

high pressure swivel

4шт.

19

368269R1

O-RING,0.116" Thk x 0.924" ID, -912, Cl 6, 90 Duro

3/4 OD tube class 6

4шт.

20

1315517C1

HOSE

ASSY, pressure

2шт.

21

1315518C1

HYDRAULIC HOSE,9.52 mm ID x 1780.00 mm

- Drain 9.52 mm ID x 1780.00 mm

1шт.

22

1315519C1

HOSE

ASSY, charge pressure

1шт.

23

9410205

HYD CONNECTOR,1 1/16"-12, 37 Degree x 1 1/16"-12, O-Ring

CONNECTOR, 3/4 C-Z hyd fld short swivel

2шт.

24

368269R1

O-RING,0.116" Thk x 0.924" ID, -912, Cl 6, 90 Duro

3/4 OD tube class 6

2шт.

25

9410278

ELBOW,90 Degree, 7/16"-20, 37 Degree x 7/16"-20, 37 Degree Fem Sw

1/4 C-Z hyd fld 90D swivel

1шт.

26

138961C1

HOSE

ASSY, valve pressure, 36 in. long

1шт.

27

9410200

HYD CONNECTOR,7/16" - 20 JIC x 7/16" - 20 ORB

CONNECTOR, 1/4 C-Z hyd fld short swivel

1шт.

28

369751R1

O-RING,0.072" Thk x 0.351" ID, -904, Cl 6, 90 Duro

4-1, 90 Duro, .351" ID x .072" Thk, 1/4 OD tube, class 6

1шт.

29

1315504C1

HOSE

valve drain

1шт.

30

244713R1

HOSE CLAMP,#4, 0.25/0.62 Type M Worm

CLAMP, drain hose

1шт.

31

995218R1

CLAMP

return hose

2шт.

32

HOSE, return, use 7 in. of 3/4 hyd hose from 25 ft roll marked 180720C1

1шт.

33

1304931C1

HOSE,19.05mm ID x 762mm L

ASSY, valve pressure, 30 in. long

2шт.

34

1301715C1

TUBE

ASSY, hydro drive forward, upper pressure

1шт.

35

1301714C1

TUBE

ASSY, hydro drive reverse, upper pressure

1шт.

36

(Not used this application)

1шт.

37

1315489C91

VALVE

ASSY, drive selector, refer to drive selector valve

1шт.

38

196709C1

TEE

return hose

1шт.

39

1324472C1

BRACKET

hose support

2шт.

1324474C1

PLATE

bracket

2шт.

25236R1

BOLT,Hex, 5/16" - 18 x 3", Gr 8

5/16 x 3 PHC type 8

2шт.

40

9411128

TEE,7/16"-20, 37 Degree x 7/16"-20, O-Ring Run

1/4 C-Z hyd fld tube adj, use w/2 speed motor

1шт.

41

9410974

ELBOW,90 Degree, 7/16"-20, 37 Degree x 7/16"-20, O-Ring

1/4 C-Z hyd fld adj 90D, use w/1 speed motor

1шт.

Выбрано товаров: 45