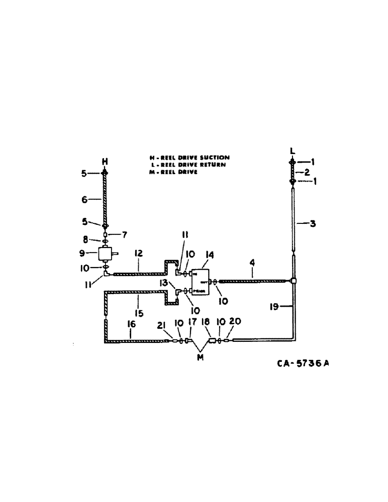
Запчасти Case IH 1480 (10-15[1]) - REEL DRIVE DIAGRAM SERIAL NO. 24000 AND BELOW (07) - HYDRAULICS

Схема запчастей Case IH 1480 - (10-15[1]) - REEL DRIVE DIAGRAM SERIAL NO. 24000 AND BELOW (07) - HYDRAULICS
7
10
10
9
5
2
10
6
19
11
21
4
20
1
16
10
11
18
3
10
15
1
14
10
17
13
12
5
8
FIT
1:1
100%

Артикул

Название

Примечание

Количество

1

995218R1

CLAMP

hose

1шт.

2

HOSE, reel drive return, use 24 in. of 5/8 ID hose from type 1 hose 5/8 ID from 25 ft roll marked S118576

1шт.

3

187830C1

HYD TUBE

TUBE ASSY, reel drive return

1шт.

4

187890C1

HOSE

ASSY, flow divider return

1шт.

5

681896C1

HOSE CLAMP,#20, .81/1.75 Type F Worm, W/liner

CLAMP, reel drive suction hose

2шт.

6

198303C1

HYDRAULIC HOSE,1.00" ID x 40.00", SAE 100R4 Class 4

Reel Drive Suction 1.00" ID x 40.00", SAE 100R4 Class 4

1шт.

7

180182C1

FITTING

CONNECTOR, 1-5/16-12 1 in. str

1шт.

8

296247R1

O-RING,16-1, 90 Duro, 1.171" ID x .116" Thk

for 1 in. OD tube

1шт.

9

PUMP ASSY, reel drive, refer to this group under reel drive pump

1шт.

10

364885R1

O-RING,0.097" Thk x 0.755" ID, -910, Cl 6, 90 Duro

for 5/8 OD tube

1шт.

11

9410978

ELBOW,90 Degree, 7/8"-14, 37 Degree x 7/8"-14, O-Ring

7/8-14 37 deg flared tube

2шт.

12

187889C1

HOSE

ASSY, reel drive pressure, 122 in., 3098.8mm

1шт.

13

936450R91

ELBOW,90 Degree, 3/4"-16, 37 Degree x 7/8"-14, O-Ring

7/8-14 90 deg hyd

1шт.

14

VALVE, flow divider, refer to this group under flow divider valve

1шт.

15

187829C1

HOSE

ASSY, reel drive pressure, 91 in., 2311.4mm

1шт.

16

196878C1

HOSE

ASSY, reel drive priority, 56 in., 1422.4mm, for 54.5 in. feeder

1шт.

16

179411C1

HOSE

ASSY, reel drive priority, 61 in., 1549.4mm, for 60 in. feeder

1шт.

17

395149R1

QUICK MALE COUPLING

COUPLING ASSY, self-sealing male

1шт.

18

395150R91

COUPLING, QUICK, FEM

COUPLING ASSY, self-sealing female

1шт.

19

187832C1

TUBE

ASSY, reel drive return

1шт.

20

9410204

HYD CONNECTOR,7/8"-14, 37 Degree x 7/8"-14, O-Ring

UNION, 7/8-14 hyd short swivel

1шт.

21

481352R1

HYD CONNECTOR,3/4"-16, 37 Degree x 7/8"-14, O-Ring

CONNECTOR, 3/4-16 hyd tube

1шт.

Выбрано товаров: 22