Запчасти Case IH 1480 (10-22) - HYDRAULICS, HYDROSTATIC PUMP, CONTROL VALVE, SUNDSTRAND (07) - HYDRAULICS

Схема запчастей Case IH 1480 - (10-22) - HYDRAULICS, HYDROSTATIC PUMP, CONTROL VALVE, SUNDSTRAND (07) - HYDRAULICS
21
13
11
24
20
12
3
22
17
15
25
19
7
10
28
23
14
29
15
7
6
8
26
16
18
4
9
1
27
2
5
16
FIT
1:1
100%

Артикул

Название

Примечание

Количество

142880C91

VALVE

ASSY, control, replaces 128027C91, includes ref nos. 1 thru 29

1шт.

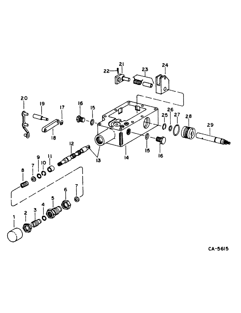
1

400546R1

COVER

centering spring housing

1шт.

2

219758

JAM NUT,Jam, 3/4"-10, G5

3/4-16 hex. jam

1шт.

3

394224R1

SCREW,Sl, 3/4" - 16 x 1.56"

centering spring adjusting

1шт.

4

364840R1

O-RING,0.07" Thk x 0.801" ID, -19, Cl 5, 75 Duro

13/16 x 15/16 x 1/16 spring adjusting screw

1шт.

5

394222R1

HOUSING

centering spring

1шт.

6

394223R1

LOCK NUT

centering spring housing

1шт.

7

527553R1

SPRING WASHER

centering spring

2шт.

8

527554R1

SPRING

centering

1шт.

9

370920R1

O-RING,1/2" ID

1/2 x 5/8 x 1/16 centering spring housing

1шт.

10

233045R1

SNAP RING,#25, Ext, Crescent

Ring, Snap, , Spring adjusting screw #25, Ext, Crescent

1шт.

11

394227R1

SLEEVE

centering spring

1шт.

12

VALVE SPOOL, not serviced separately order 533856R1 spool & housing kit

1шт.

13

533856R1

VALVE

KIT, control valve and spool

1шт.

25672R1

BOLT,Hex, 1/4" - 20 x 2 1/4", Gr 8

1/4 x 2-1/4 PHC type 8

1шт.

21784R1

WASHER

.266 x .500 x .054

1шт.

14

VALVE, housing, not serviced separately order 533856R1 & housing kit

1шт.

15

369751R1

O-RING,0.072" Thk x 0.351" ID, -904, Cl 6, 90 Duro

4-1, 90 Duro, .351" ID x .072" Thk, 1/4 OD tube

2шт.

16

9410356

PLUG

7/16-20 str thd o-ring boss

2шт.

17

21346R1

SNAP RING,#25, Ext, E-Type

Ring, Retaining, , control valve link #25, Ext, E-Type

1шт.

18

128029C1

CONNECTOR, ELEC

CONNECTOR, control valve link

1шт.

19

406905R1

PIN

control valve handle shaft link

1шт.

20

128028C1

LINK ASSY.

LINK ASSY, control valve

1шт.

21

394232R1

ARM

ACTUATOR, control valve spring

1шт.

22

18518R1

LOCK PIN,1/8" x 1", Slotted

PIN, 1/8" x 1", Slotted

1шт.

23

71923C91

KIT

ASSY, sleeve and spring

1шт.

24

406903R1

LINK

control valve handle shaft

1шт.

25

235529R1

SNAP RING,#50, Ext, Crescent

Ring, Snap, , control valve handle #50, Ext, Crescent

1шт.

26

379365R1

O-RING,0.07" Thk x 0.364" ID, -12, Cl 6, 90 Duro

3/8 x 1/2 x 1/16 control valve handle shaft

1шт.

27

23178R1

O-RING,0.07" Thk x 1.051" ID, -23, Cl 5, 75 Duro

-023, 70 Duro, 1.051" ID x .070" Thk

1шт.

28

404711R1

BUSHING

control shaft

1шт.

29

394228R1

SHAFT

control valve handle

1шт.

Выбрано товаров: 32