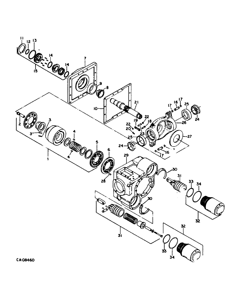
Запчасти Case IH 1480 (10-24) - HYDRAULICS, HYDROSTATIC PUMP, CYLINDER BLOCK, EATON (07) - HYDRAULICS

Схема запчастей Case IH 1480 - (10-24) - HYDRAULICS, HYDROSTATIC PUMP, CYLINDER BLOCK, EATON (07) - HYDRAULICS
33
1
6
3
33
5
12
14
4
34
22
24
31
4
17
3
31
24
13
34
32
7
16
25
19
30
21
30
22
28
14
8
29
17
16
23
18
17
10
27
15
20
25
11
2
32
26
9
FIT
1:1
100%

Артикул

Название

Примечание

Количество

1252352C93

PUMP

ASSY, hydrostatic, Eaton, renewed, 2 speed

1шт.

1958079C1

REMAN-HYDROSTAT PUMP

Remanufactured Hydraulic Pump

1шт.

1979636C1

CORE-HYDROSTAT PUMP

Return Number, Hydraulic Pump

1шт.

140483H

BOLT,Hex, 3/8" - 16 x 1 1/4", Gr 8, Full Thd

1шт.

120378

NUT,Hex, 1/2" - 13, Gr 5

NUT, 1/2"-13, G5

1шт.

120384

WASHER,1/2"

LOCK, 1/2"

1шт.

283856C1

WASHER

17/32 x 1 x .188

1шт.

1

142392C92

KIT

rotating group

1шт.

2

142393C1

PISTON ASSY.

PISTON, cylinder block

9шт.

3

142394D1

PIN, pre-load dowl

6шт.

4

140754C1

PIN

bearing plate dowl

2шт.

5

142395C1

PLATE

bearing

1шт.

6

224668C1

PLATE

RH pump valve

1шт.

7

FLANGE, mounting, not serviced separately, order pump 1252352C93

1шт.

70427R1

BOLT,Hex, 7/16" - 14 x 1 1/4", Gr 8

7/16 x 1-1/4 pln type 5

1шт.

8

636826R91

BEARING ASSY,44.45 mm ID x 51 mm OD x 25.4 mm

BEARING ASSY, input shaft cone

1шт.

9

ST987

BEARING CUP

BEARING, input shaft cup

1шт.

10

142399C1

GASKET

mounting flange

1шт.

11

603937C1

RING, retaining

1шт.

12

24472R1

O-RING,0.07" Thk x 1.334" ID, -28, Cl 6, 90 Duro

1-3/8 x 1-1/2 x 1/16 shaft seal

1шт.

13

383017R1

O-RING,0.103" Thk x 2.55" ID, -145, Cl 5, 75 Duro

2-9/16 x 2-3/4 x 3/32 shaft seal

1шт.

14

22278R1

O-RING,0.103" Thk x 1.674" ID, -131, Cl 5, 75 Duro

1-11/16 x 1-7/8 x 3/32 shaft seal

2шт.

15

142518C92

PACKAGE

KIT, shaft seal, consists of retainer (NSS), springs (NSS), seal (NSS), seal (NSS)

1шт.

Ref #15 Refer to SB 036-87 for spacing of BRG.

1шт.

606937C1

SNAP RING,2.835", Int, #281

Ring, Snap, 2.835", Int, #281

1шт.

24472R1

O-RING,0.07" Thk x 1.334" ID, -28, Cl 6, 90 Duro

1шт.

383017R1

O-RING,0.103" Thk x 2.55" ID, -145, Cl 5, 75 Duro

1шт.

22278R1

O-RING,0.103" Thk x 1.674" ID, -131, Cl 5, 75 Duro

1шт.

16

140766C1

PIN,14.22mm OD x 39.12mm L

servo linkage

2шт.

17

28145R1

SNAP RING,#56, Ext

Ring, Snap, #56, Ext

4шт.

18

133757C1

PIN

linkage clevis, Serial Range: -44000

1шт.

19

142402C1

LINK

control valve

1шт.

20

133758C1

SPRING

PIN, hitch, Serial Range: -44000

1шт.

21

142400C2

SHAFT

input

1шт.

22

A7111

SNAP RING,#25, Ext

Ring, Snap, , replaces 233045R1 #25, Ext

1шт.

23

140765C1

PIN

control valve link

1шт.

24

399933C91

ROLLER BEARING,45.24mm ID x 19.81mm W

BEARING ASSY, trunnion cone

2шт.

25

399934C1

BEARING CUP,73.43mm OD x 15.75mm W

BEARING, trunnion cup

2шт.

26

142401C1

HOUSING

variable swashplate, used with thrust plate 142388C1, Serial Range: -44000

1шт.

26

80365C1

HOUSING

variable swash plate, used with thrust plate 80369C1, Start Serial: 44001

1шт.

27

142403C1

PLATE

thrust, thick, .230 x 4.92 in., Serial Range: -44000

1шт.

27

80369C1

PLATE

thrust, thin, .031 x 4.92 in., Start Serial: 44001

1шт.

28

140754C1

PIN

pump valve plate dowl

1шт.

29

HOUSING, variable, not serviced separately, order pump 1252352C93

1шт.

30

142408C1

RETAINER

servo

2шт.

28144R1

HEX SOC SCREW,#8 - 32 x 3/8"

SCREW, #8 x 3/8 h/shd cap

1шт.

31

224669C91

PISTON

ASSY, servo

2шт.

32

142407C1

KIT

servo sleeve

2шт.

33

707220R1

O-RING,0.139" Thk x 2.984" ID, -234, Cl 5, 75 Duro

3 x 3-1/4 x 1/8 class 5 servo piston

2шт.

34

285724R1

O-RING,0.139" Thk x 3.359" ID, -237, Cl 5, 75 Duro

3-3/8 x 3-5/8 x 1/8 class 5 servo sleeve

2шт.

If looking for single speed use p/n 1958078c1 (Eaton)

1шт.

Выбрано товаров: 51