Запчасти Case IH 1480 (10-26) - HYDRAULICS, HYDRAULIC PUMP, VALVE BLOCK, EATON (07) - HYDRAULICS

Схема запчастей Case IH 1480 - (10-26) - HYDRAULICS, HYDRAULIC PUMP, VALVE BLOCK, EATON (07) - HYDRAULICS
28
16
22
23
13
2
20
8
22
9
16
21
26
27
7
12
9
3
8
18
14
25
24
6
11
17
28
10
19
5
1
15
10
4
FIT
1:1
100%

Артикул

Название

Примечание

Количество

1

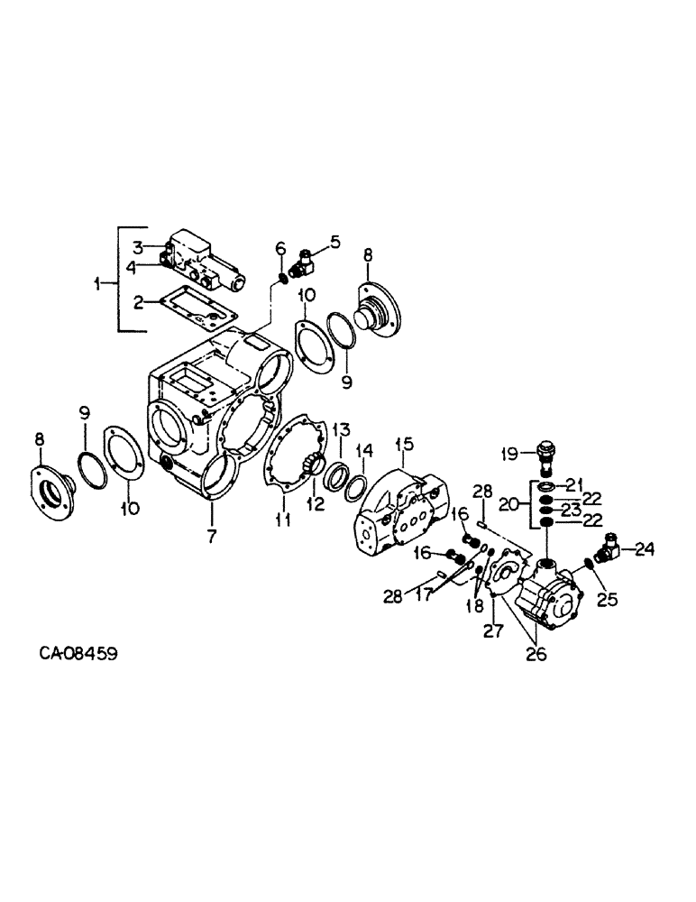
VALVE ASSY, control, refer to this group under control valve, Eaton hydrostatic pump

1шт.

25750R1

BOLT,Hex, 5/16" - 18 x 1 3/4", Gr 8

5/16 x 1-3/4 PHC type 8

1шт.

25493R1

BOLT,Hex, 5/16" - 18 x 1", Gr 8

5/16 x 1 PHC type 8

1шт.

2

133756C1

GASKET

control valve

1шт.

3

404782R2

PLATE

control valve shaft (Replaces F23131)

1шт.

NLS

NO LONGER SERVICED

1/4 ext tooth lock

1шт.

124818

JAM NUT,Hex, 1/4" - 20, Gr 5

1шт.

178532

LOCK WASHER,Ext-Int Tooth, 5/16"

WASHER, 5/16 ext-int tooth lock

1шт.

NLS

NO LONGER SERVICED

5/16 jam type 5

1шт.

4

1255148C1

SHAFT ASSY.

SHAFT, control valve

1шт.

5

(Not used this application)

1шт.

6

(Not used this application)

1шт.

7

HOUSING, variable, not serviced separately, order pump 1252352C93

1шт.

8

TRUNNION, not serviced separately, order pump 1252352C93

1шт.

179857

BOLT,Hex, 7/16" - 14 x 7/8", Gr 5

7/16 x 7/8 pln type 5

1шт.

9

707220R1

O-RING,0.139" Thk x 2.984" ID, -234, Cl 5, 75 Duro

3 x 3-1/4 x 1/8 trunnion

2шт.

10

142386C91

SHIM KIT

SHIM PACKAGE, trunnion

1шт.

11

142397C1

GASKET

end cover

1шт.

12

400983R91

ROLLER BEARING,1.18775" ID x 2.5317" OD x 0.8478"

BEARING ASSY, input shaft cone

1шт.

13

530741R1

BEARING CUP

BEARING, input shaft cup

1шт.

14

142398C91

SHIM KIT

PACKAGE, SHIM

1шт.

15

COVER, pump end, not serviced separately, order pump 1252352C93

1шт.

203762R1

BOLT,Hex, 7/16" - 14 x 2", Gr 8

7/16 x 2 PHC type 8

1шт.

179870

BOLT,Hex, 7/16" - 14 x 3", Gr 5

7/16 x 3 pln type 5

1шт.

16

140769C1

CHECK VALVE

VALVE ASSY, check

2шт.

17

377952R1

O-RING,0.103" Thk x 0.549" ID, -113, Cl 6, 90 Duro

9/16 x 3/4 x 3/32 check valve

2шт.

18

140770C1

RING

check valve back up

2шт.

19

140771C1

VALVE

ASSY, low pressure relief

1шт.

20

393885R91

GASKET KIT

PACKAGE, relief valve seal, consists of ref. nos. 21, 22 and 23

1шт.

21

297459R1

O-RING,0.116" Thk x 1.048" ID, -914, Cl 6, 90 Duro

1-3/64 x 1-7/32 x 7/64

1шт.

22

393887R1

BACK-UP RING

RING, relief valve back-up

2шт.

23

20947R1

O-RING,0.103" Thk x 0.799" ID, -117, Cl 6, 90 Duro

13/16 x 1 x 3/32

1шт.

24

(Not used this application)

1шт.

25

(Not used this application)

1шт.

26

133761C91

PUMP

ASSY, RH charge, includes ref. no. 27

1шт.

26057R1

BOLT,Hex, 5/16" - 18 x 3 1/2", Gr 8

5/16 x 3-1/2 PHC type 8

1шт.

24496R1

O-RING,-041, 70 Duro, 2.989" ID x .070" Thk

3 x 3-1/8 class 5

1шт.

27

133760C1

GASKET

charge pump

1шт.

28

140754C1

PIN

charge pump dowl

2шт.

Выбрано товаров: 39