Запчасти Case IH 1480 (10-31) - HYDRAULICS, HYDROSTATIC MOTOR, SINGLE SPEED, EATON (07) - HYDRAULICS

Схема запчастей Case IH 1480 - (10-31) - HYDRAULICS, HYDROSTATIC MOTOR, SINGLE SPEED, EATON (07) - HYDRAULICS
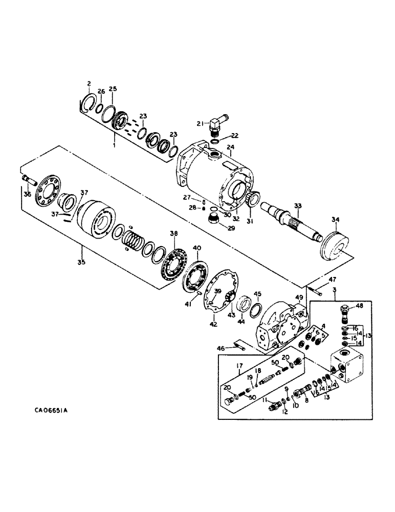
14
21
2
47
35
3
37
23
14
25
17
37
29
39
22
45
43
41
24
12
26
14
33
23
31
46
19
20
32
10
48
50
9
16
15
8
14
44
1
35
49
50
15
34
27
38
5
16
6
13
13
4
42
18
30
11
40
7
28
FIT
1:1
100%

Артикул

Название

Примечание

Количество

1252346C92

MOTOR, HYDRAULIC

MOTOR ASSY, hydrostatic, renewed

1шт.

87411135R

REMAN-HYDROSTAT PUMP

1480 (1/78-12/84), Reman For New P/N 1252346C92

1шт.

87411135C

CORE-HYDROSTAT PUMP

Return Number

1шт.

1958081C1

PUMP, HYDROSTATIC

HYDROSTATIC PUMP

1шт.

87411135R

REMAN-HYDROSTAT PUMP

1480 (1/78-12/84), Reman For New P/N 1958081C1

1шт.

87411135C

CORE-HYDROSTAT PUMP

Return Number

1шт.

1958082C1

REMAN-HYD MOTOR

Remanufactured, HYDRAULIC MOTOR, N.A. Only

1шт.

87411135R

REMAN-HYDROSTAT PUMP

1480 (1/78-12/84), Reman For New P/N 1958082C1

1шт.

87411135C

CORE-HYDROSTAT PUMP

Return Number

1шт.

1958083C1

CORE-MOTOR HYDRAULIC

Return Number, N.A. Only

1шт.

180176

SCREW,Hex, 1/2" - 13 x 1 3/8", Gr 5

BOLT, 1/2 x 1-3/8 type 5

1шт.

120384

WASHER,1/2"

WASHER, LOCK, 1/2"

1шт.

283856C1

WASHER

WASHER, 17/32 x 1 x .188

1шт.

166506C1

GASKET,0.81mm Thk

GASKET, hydrostatic motor

1шт.

1

142518C92

PACKAGE

KIT, shaft seal assy w/ring, replaces 133751C92

1шт.

2

606937C1

SNAP RING,2.835", Int, #281

Ring, Snap, 2.835", Int, #281

1шт.

3

145554C92

BLOCK

KIT, relief valve block assy w/ring, replaces 133752C91

1шт.

186285

BOLT,Hex, 3/8" - 16 x 4", Gr 5

BOLT, Hex, 3/8"-16 x 4", G5

1шт.

4

140747C91

SEAL KIT

KIT, valve block

1шт.

5

133753C1

O-RING,7/16" ID x 3/4" OD x 1/16"

O-RING, 3/4 x 7/8 x 1/16 sq

1шт.

6

384943R1

O-RING,0.739" ID x 0.07" Width

1шт.

7

631458C1

RING

RING, back-up

1шт.

8

1266867C91

VALVE

VALVE ASSY, relief, replaces 402626R94

1шт.

9

BUSHING, ball guide, not serviced separately, furnish valve, 1266867C91

1шт.

10

BALL, 1/4 cr-stl, not serviced separately, furnish valve, 1266867C91

1шт.

11

CONNECTOR, 37 deg flared tube special, not serviced separately, furnish valve, 1266867C91

1шт.

12

O-RING, 1/4 OD tube, not serviced separately, furnish valve, 1266867C91

1шт.

13

393885R91

GASKET KIT

PACKAG4E, relief valve seal

2шт.

14

393887R1

BACK-UP RING

RING, relief valve back-up

4шт.

15

20947R1

O-RING,0.103" Thk x 0.799" ID, -117, Cl 6, 90 Duro

O-RING, 13/16 x 1 x 3/32

2шт.

16

297459R1

O-RING,0.116" Thk x 1.048" ID, -914, Cl 6, 90 Duro

O-RING, 1-3/64 x 1-7/32 x 7/64

2шт.

17

145559C91

KIT

KIT, shuttle valve

1шт.

18

(Not used this application)

1шт.

19

(Not used this application)

1шт.

20

364885R1

O-RING,0.097" Thk x 0.755" ID, -910, Cl 6, 90 Duro

O-RING, 5/8 OD tube

2шт.

21

(Not used this application)

1шт.

22

(Not used this application)

1шт.

23

22278R1

O-RING,0.103" Thk x 1.674" ID, -131, Cl 5, 75 Duro

O-RING, 1-1/16 x 1-7/8 x 3/32 shaft seal

2шт.

24

HOUSING, fixed, not serviced separately, furnish motor assy, 1252346C92

1шт.

25

383017R1

O-RING,0.103" Thk x 2.55" ID, -145, Cl 5, 75 Duro

O-RING, 2-9/16 x 2-3/4 x 3/32 shaft seal

1шт.

26

24472R1

O-RING,0.07" Thk x 1.334" ID, -28, Cl 6, 90 Duro

O-RING, 1-3/8 x 1-1/2 x 1/16 shaft seal

1шт.

27

20020R1

DOWEL,5/16" x 1"

PIN, 5/16 x 1 pln HDN dowel

1шт.

28

444688

PLUG

PLUG, 1/8-27 sol-hd pipe

1шт.

29

9410361

PLUG

PLUG, 1-1/16-12 str thd o-ring boss

1шт.

30

369269R1

GASKET

O-RING, 3/4 OD tube

1шт.

31

636826R91

BEARING ASSY,44.45 mm ID x 51 mm OD x 25.4 mm

BEARING ASSY, output shaft cone

1шт.

32

ST987

BEARING CUP

BEARING, output shaft cup

1шт.

33

142390C1

SHAFT

SHAFT, output

1шт.

34

142391C1

HOUSING

HOUSING, fixed

1шт.

35

142392C92

KIT

KIT, rotating group

1шт.

36

142393C1

PISTON ASSY.

PISTON ASSY, cyl block

9шт.

37

142394C1

PIN

PIN, pre-load dowl

6шт.

38

142395C1

PLATE

PLATE, bearing

1шт.

39

140754C1

PIN

PIN, bearing plate

2шт.

40

142396C2

PLATE

PLATE, motor valve

1шт.

41

140754C1

PIN

PIN, motor valve plate

1шт.

42

142397C1

GASKET

GASKET, end cover

1шт.

43

400983R91

ROLLER BEARING,1.18775" ID x 2.5317" OD x 0.8478"

BEARING ASSY, output shaft cone

1шт.

44

530741R1

BEARING CUP

BEARING, output shaft cup

1шт.

45

142398C91

SHIM KIT

PACKGE, shim service

1шт.

46

203762R1

BOLT,Hex, 7/16" - 14 x 2", Gr 8

BOLT, 7/16 x 2 pln type 5, end cover

2шт.

47

24855R1

BOLT,Hex, 7/16" - 14 x 3", Gr 8

BOLT, 7/16 x 3 pln type 5

6шт.

48

140761C1

VALVE PRESSURE RELIE

VALVE Assy, low pressure relief

1шт.

49

COVER, end, not serviced separately, furnish motor assy, 1252346C92

1шт.

50

145560C1

SPRING

SPRING, shuttle valve

2шт.

393885R91

GASKET KIT

PACKAGE, relief valve seal, consists of

1шт.

393887R1

BACK-UP RING

RING, relief valve back-up

2шт.

20947R1

O-RING,0.103" Thk x 0.799" ID, -117, Cl 6, 90 Duro

O-RING

1шт.

297459R1

O-RING,0.116" Thk x 1.048" ID, -914, Cl 6, 90 Duro

O-RING

1шт.

Выбрано товаров: 69