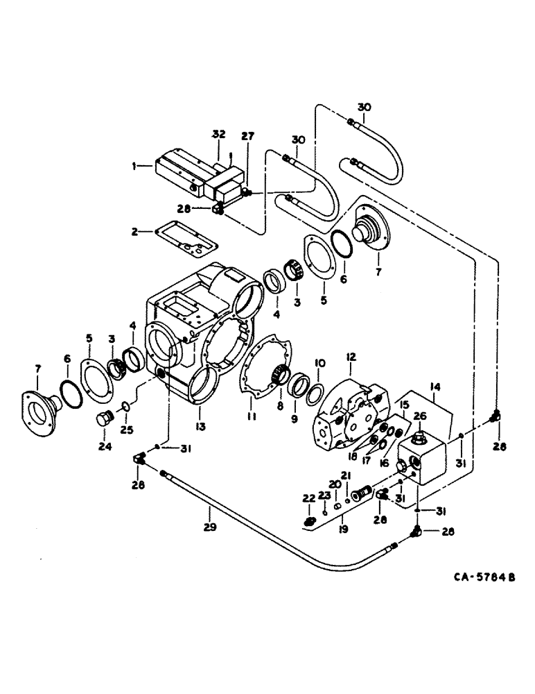
Запчасти Case IH 1480 (10-35) - HYDRAULICS, HYDROSTATIC MOTOR, 2 SPEED, VALVE BLOCK, EATON (07) - HYDRAULICS

Схема запчастей Case IH 1480 - (10-35) - HYDRAULICS, HYDROSTATIC MOTOR, 2 SPEED, VALVE BLOCK, EATON (07) - HYDRAULICS
8
29
15
4
24
28
31
25
28
26
27
5
6
31
1
28
32
18
10
19
31
21
30
6
3
5
31
16
28
13
7
28
9
17
7
14
2
30
11
4
22
20
23
12
3
FIT
1:1
100%

Артикул

Название

Примечание

Количество

1

145336C92

VALVE

ASSY, control

1шт.

92649C1

KIT

valve body w/plug

1шт.

92647C1

O-RING,7.52mm ID x 0.574" OD x 3.53mm

orifice retainer

1шт.

1272954C1

GASKET,0.43mm Thk

control block

2шт.

25750R1

BOLT,Hex, 5/16" - 18 x 1 3/4", Gr 8

5/16 x 1-3/4 PHC type 8

1шт.

2

145337C1

GASKET

control valve

1шт.

3

399933C91

ROLLER BEARING,45.24mm ID x 19.81mm W

BEARING ASSY, trunnion cone

2шт.

4

399934C1

BEARING CUP,73.43mm OD x 15.75mm W

BEARING, trunnion cup

2шт.

5

142386C91

SHIM KIT

SHIM PACKAGE, trunnion

1шт.

6

707220R1

O-RING,0.139" Thk x 2.984" ID, -234, Cl 5, 75 Duro

3 x 3-1/4 x 1/8 trunnion

2шт.

7

TRUNNION, not serviced separately, order motor assy, 1252342C92

1шт.

179857

BOLT,Hex, 7/16" - 14 x 7/8", Gr 5

7/16 x 7/8 pln type 5

1шт.

8

400983R91

ROLLER BEARING,1.18775" ID x 2.5317" OD x 0.8478"

BEARING ASSY, input shaft cone

1шт.

9

530741R1

BEARING CUP

BEARING, input shaft cup

1шт.

10

142398C91

SHIM KIT

SHIM PACKAGE

1шт.

11

142397C1

GASKET

end cover

1шт.

12

PUMP END COVER, not serviced separately, order motor assy, 1252342C93

1шт.

203762R1

BOLT,Hex, 7/16" - 14 x 2", Gr 8

7/16 x 2 PHC type 8

1шт.

24855R1

BOLT,Hex, 7/16" - 14 x 3", Gr 8

7/16 x 3 PHC type 8

1шт.

13

VARIABLE HOUSING, not serviced separately, order motor assy, 1252342C93

1шт.

14

1261023C92

VALVE

BLOCK ASSY, relief valve kit, replaces 145554C92, includes ref. no. 15

1шт.

186285

BOLT,Hex, 3/8" - 16 x 4", Gr 5

1шт.

15

140747C91

SEAL KIT

valve block seal, includes ref nos. 16 thru 18

1шт.

16

133753C1

O-RING,7/16" ID x 3/4" OD x 1/16"

3/4 x 7/8 x 1/16 sq

1шт.

17

384943R1

O-RING,0.739" ID x 0.07" Width

-018, 90 Duro, .739" ID x .070" Thk

2шт.

18

631458C1

RING

back-up

2шт.

19

1266867C91

VALVE

ASSY, relief, replaces 402626R94

2шт.

20

BUSHING, ball guide, not serviced separately, order valve assy, 1266867C91

1шт.

21

BALL, 1/4 cr-stl, not serviced separately, order valve assy, 1266867C91

1шт.

22

CONNECTOR, 37 deg flared tube special, not serviced separately, order valve assy, 1266867C91

1шт.

23

O-RING, 1/4 OD tube, not serviced separately, order valve assy, 1266867C91

1шт.

24

9410361

PLUG

1-1/16-12 str thd o-ring boss

1шт.

25

368269R1

O-RING,0.116" Thk x 0.924" ID, -912, Cl 6, 90 Duro

3/4 OD tube

1шт.

26

140761C1

VALVE PRESSURE RELIE

VALVE Assy, low pressure relief

1шт.

27

9411102

ELBOW,45 Degree, 7/16"-20, 37 Degree x 7/16"-20, O-Ring

45 deg

1шт.

28

9410974

ELBOW,90 Degree, 7/16"-20, 37 Degree x 7/16"-20, O-Ring

90 deg

5шт.

29

145340C1

HOSE

1шт.

30

175760C1

HOSE ASSY.

HOSE

2шт.

31

369751R1

O-RING,0.072" Thk x 0.351" ID, -904, Cl 6, 90 Duro

4-1, 90 Duro, .351" ID x .072" Thk

1шт.

32

145338C1

SWITCH

VALVE ASSY, solenoid

1шт.

570828R1

O-RING,0.087" Thk x 0.644" ID, -908, Cl 6, 90 Duro

1/2 OD tube

1шт.

355967R1

O-RING,0.364" ID x 0.003" Width

3/8 x 1/2 x 1/16

1шт.

393885R91

GASKET KIT

PACKAGE, relief valve seal, consists of

2шт.

393887R1

BACK-UP RING

RING, back-up

2шт.

20947R1

O-RING,0.103" Thk x 0.799" ID, -117, Cl 6, 90 Duro

1шт.

297459R1

O-RING,0.116" Thk x 1.048" ID, -914, Cl 6, 90 Duro

1шт.

145559C91

KIT

shuttle valve, consists of

1шт.

145560C1

SPRING

1шт.

364885R1

O-RING,0.097" Thk x 0.755" ID, -910, Cl 6, 90 Duro

2шт.

A Valve Block between #12 & #14 for Power Guide Installations is an aftermarket installation. "Not Servicable" Case uses Tee's in Lines. Aftermarket is Fluid Drive or Gilcrest,Mo.

1шт.

Выбрано товаров: 50