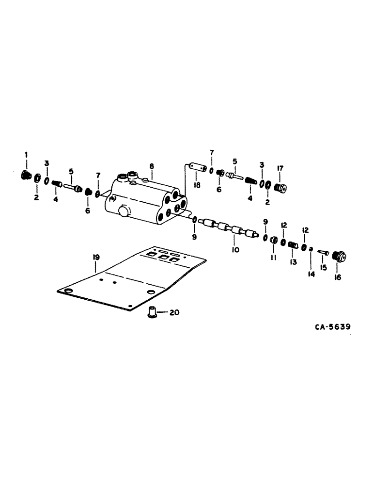
Запчасти Case IH 1480 (10-49) - HYDRAULICS, UNLOADER TUBE SWING VALVE, SERIAL NO. 24000 AND BELOW (07) - HYDRAULICS

Схема запчастей Case IH 1480 - (10-49) - HYDRAULICS, UNLOADER TUBE SWING VALVE, SERIAL NO. 24000 AND BELOW (07) - HYDRAULICS
6
3
11
2
14
18
9
12
20
12
9
10
3
4
8
1
6
5
15
7
16
19
13
5
4
7
2
17
FIT
1:1
100%

Артикул

Название

Примечание

Количество

164754C91

VALVE

unloader swing, includes ref. nos. 1 thru 18

1шт.

18659R1

BOLT,Hex, 1/4" - 20 x 2", Gr 2

1/4 x 2 type 1

1шт.

938016R1

FLANGE NUT,Flg, USR, 1/4"-20

1/4 flange lock

1шт.

1

674506R91

PLUG

ASSY, seat retainer, includes ref. nos 2 and 3

2шт.

2

587585R1

WASHER

backup

4шт.

3

A7982

O-RING,0.103" Thk x 0.612" ID, -114, Cl 5, 75 Duro

5/8 x 13/16 x 3/32

4шт.

4

674509R1

SPRING

lockout

4шт.

5

588351R91

VALVE

POPPET ASSY

4шт.

6

674505R91

SEAT

ASSY, includes ref. no. 7

4шт.

7

370920R1

O-RING,1/2" ID

1/2 x 5/8 x 1/16

4шт.

8

BODY, not serviced separately order 164754C91 valve assy

1шт.

P/N 1301637C1 - orifice; threaded, 37 thous.

1шт.

9

N8537

O-RING,0.103" Thk x 0.487" ID, -112, Cl 7, 75 Duro

1/2 x 11/16 x 3/32

4шт.

10

SPOOL, not serviced separately, order valve assy, 164754C91

1шт.

11

674775R1

BUSHING

2шт.

12

F36908

WASHER

4шт.

13

674490R1

SPRING

spool center

2шт.

14

674492R1

SPACER

spool

2шт.

15

674491R1

SCREW

spool

2шт.

16

674493R91

CAP

ASSY

2шт.

17

674507R91

PLUG

ASSY, port adapter, includes ref. nos. 2 and 3

2шт.

18

588352R1

PLUNGER

lockout

2шт.

19

193260C1

SUPPORT

multi-control valve cable

1шт.

165420C1

BOLT,Hex Serr, 3/8"-16 x 1 1/4", Spcl

3/8 x 1-1/4 hex-hd lock

1шт.

366112R1

WASHER

.781 x 1.250 x .105

1шт.

20

198374C1

NUT

3/8-16 well

2шт.

168028C91

PACKAGE, REPAIR

KIT ASSY, major seal repair, consists of

1шт.

370920R1

O-RING,1/2" ID

1/2 x 5/8 x 1/16

1шт.

N8537

O-RING,0.103" Thk x 0.487" ID, -112, Cl 7, 75 Duro

1/2 x 11/16 x 3/32

1шт.

A7982

O-RING,0.103" Thk x 0.612" ID, -114, Cl 5, 75 Duro

5/8 x 13/16 x 3/32

1шт.

588351R91

VALVE

POPPET ASSY

1шт.

Выбрано товаров: 31