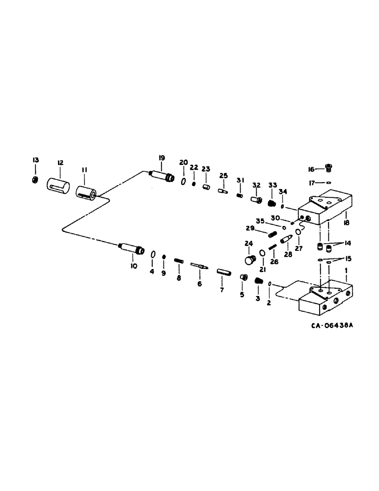
Запчасти Case IH 1480 (10-63) - HYDRAULICS, VALVE REEL SPEED, FOR FRENCH 825 HEADER, FOR COMBINE S/N 24000 AND BELOW (07) - HYDRAULICS

Схема запчастей Case IH 1480 - (10-63) - HYDRAULICS, VALVE REEL SPEED, FOR FRENCH 825 HEADER, FOR COMBINE S/N 24000 AND BELOW (07) - HYDRAULICS
34
9
6
13
32
17
8
15
30
16
35
31
26
4
5
33
23
18
22
11
21
25
12
28
3
29
27
10
24
20
1
2
14
19
7
FIT
1:1
100%

Артикул

Название

Примечание

Количество

1301339C91

VALVE

ASSY, multi-purpose, includes ref nos. 1 thru 35

1шт.

1

1301623C91

VALVE

dual, includes ref nos. 2 thru 10

1шт.

26569R1

BOLT

BOLT, 1/4 x 2-3/4 PHC type 8

1шт.

180052

BOLT,Hex, 1/4" - 20 x 3", Gr 5

1/4 x 3 type 5

1шт.

121753

WASHER

1/4 ext tooth lock

1шт.

2

384937R1

O-RING,0.07" Thk x 0.239" ID, -10, Cl 6, 90 Duro

for 1/4 in. tube

2шт.

3

1301625C1

ORIFICE

PISTON, dual valve

2шт.

4

384578R1

O-RING,0.07" Thk x 0.801" ID, -19, Cl 6, 90 Duro

for 3/4 in. tube

2шт.

5

1301624C1

BUSHING

sleeve

2шт.

6

1301647C1

POPPET

PIN

2шт.

7

1301648C1

ARMATURE

BUSHING

2шт.

8

1301640C1

SPRING

2шт.

9

1301642C1

WASHER

2шт.

10

1301627C1

STUD

2шт.

11

1301633C1

COIL

SWITCH ASSY

3шт.

12

1301632C1

CAP

16шт.

13

107825

NUT,Stamped, 1/2"-20

1/2-NF

3шт.

14

1301630C1

TUBE

PISTON

4шт.

15

379365R1

O-RING,0.07" Thk x 0.364" ID, -12, Cl 6, 90 Duro

for 3/8 in. tube

8шт.

16

1301670C1

PLUG

9/16-18

1шт.

17

364839R1

O-RING,0.078" Thk x 0.468" ID, -906, Cl 6, 90 Duro

6-1, 90 Duro, .468" ID x .078" Thk, for 7/16 in. tube

1шт.

18

1301626C91

VALVE

ASSY, power, includes ref nos. 19 thru 35

1шт.

19

1301641C1

STUD

ASSY

1шт.

20

384578R1

O-RING,0.07" Thk x 0.801" ID, -19, Cl 6, 90 Duro

for 3/4 in. tube

1шт.

21

364839R1

O-RING,0.078" Thk x 0.468" ID, -906, Cl 6, 90 Duro

6-1, 90 Duro, .468" ID x .078" Thk, for 7/16 in. tube

1шт.

22

1301642C1

WASHER

1шт.

23

1301643C1

VALVE

PIN

1шт.

24

1301726C1

PLUG

1шт.

25

1301644C1

PIN

Order 1301644C2. Also Order BUSHING 1301646C2 and SLEEVE 1301641C2 for initial replacement

1шт.

26

1301691C1

SPRING

1шт.

27

375271R1

O-RING,0.426" ID x 0.07" Width

for 7/16 tube

1шт.

28

1301692C1

PIN

1шт.

29

1301631C1

PLUG,5/16" - 24 x 14.80mm, Slotted, HT

STUD

1шт.

30

1301629C1

PLUG

1шт.

31

1301727C1

SPRING

1шт.

32

1301646C1

BUSHING

1шт.

33

1301628C1

PISTON

1шт.

34

384937R1

O-RING,0.07" Thk x 0.239" ID, -10, Cl 6, 90 Duro

1/4 in. tube

1шт.

35

529909R1

O-RING,1.78mm Thk x 2.54mm ID

1шт.

Выбрано товаров: 39