Запчасти Case IH 1480 (33-09) - FEEDER, FEEDER DRIVE (13) - FEEDER

Схема запчастей Case IH 1480 - (33-09) - FEEDER, FEEDER DRIVE (13) - FEEDER
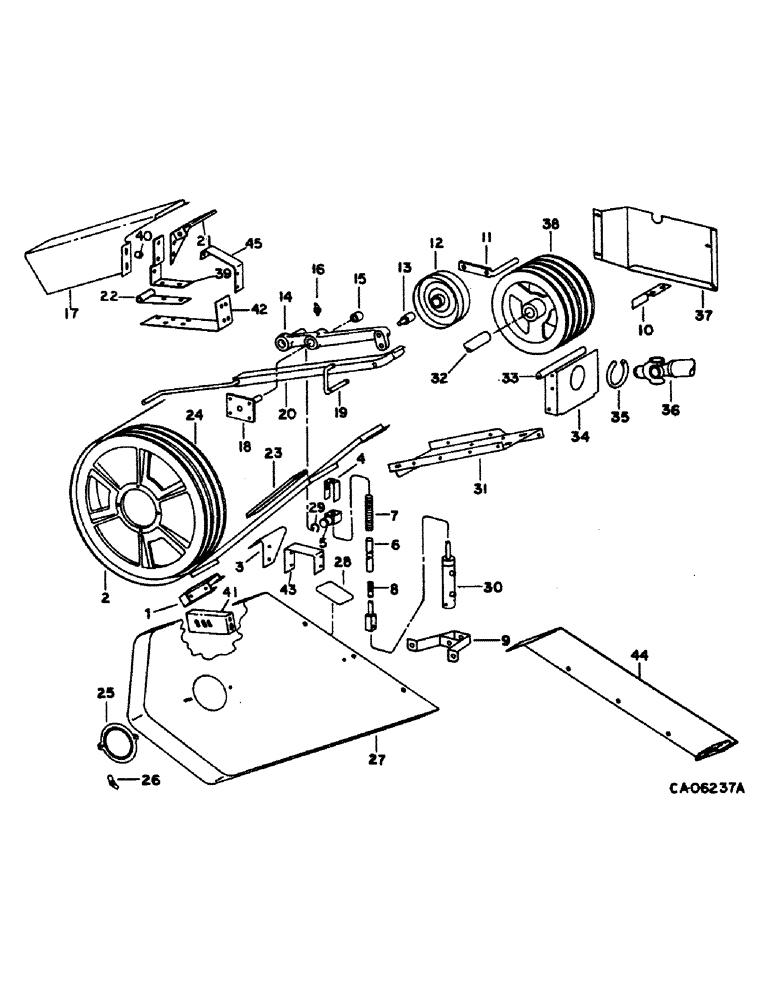
34
21
35
23
40
19
9
30
12
3
15
2
31
22
28
44
17
7
39
16
37
10
25
32
29
1
6
27
18
11
33
8
45
26
36
4
41
5
13
24
42
20
14
38
43
FIT
1:1
100%

Артикул

Название

Примечание

Количество

1

188043C1

SUPPORT ASSY.

SUPPORT ASSY, belt guard lower

1шт.

482256R1

BEARING LOCK NUT,Flg, USR, 3/8"-16

3/8 flange lock

1шт.

477-73812

SERRATED SCREW,Truss HD, 3/8" - 16 x 3/4"

3/8 x 3/4 znp slt-truss-hd

1шт.

2

194499C1

GUARD

ASSY, feeder belt, for use w/o rock trap

1шт.

2

1315088C1

GUARD

WRAPPER ASSY, belt, for use w/rock trap

1шт.

482256R1

BEARING LOCK NUT,Flg, USR, 3/8"-16

3/8 flange lock

1шт.

477-73812

SERRATED SCREW,Truss HD, 3/8" - 16 x 3/4"

3/8 x 3/4 znp slt-truss-hd

1шт.

179464C1

SERRATED SCREW,Sl Truss Hd, 3/8" - 16 x 1 1/4"

3/8 x 1-1/4 slt-truss-hd

1шт.

3

188288C1

SUPPORT

ASSY, belt guard rear

1шт.

180173

BOLT,Hex, 1/2" - 13 x 1", Gr 5

1шт.

195312C1

FLANGE NUT,Flg, USR, 1/2"-13, G8

1/2 PHC flange lock type 8

1шт.

4

194357C2

CHANNEL

CLIP, drive belt tightener

1шт.

5

186890C1

PIVOT

feeder drive arm spring rod

1шт.

23047R1

WASHER

1.531 x 2.500 x .054

1шт.

6

194356C1

TUBE

tightener spring rod

1шт.

7

PO23

SPRING

tightener rod

1шт.

8

194216C2

ROD

ASSY, feeder drive tightener

1шт.

120378

NUT,Hex, 1/2" - 13, Gr 5

NUT, 1/2"-13, G5

1шт.

121222

COTTER PIN,3/32" x 3/4"

PIN, SPLIT (COTTER), 3/32" x 3/4"

1шт.

23304R1

CLEVIS PIN,3/8" x 1 9/16"

PIN, CLEVIS, 3/8" x 1 9/16"

1шт.

460908R1

WASHER

.531 x 1.500 x .105

1шт.

9

194369C2

SUPPORT

ASSY, cylinder

1шт.

195312C1

FLANGE NUT,Flg, USR, 1/2"-13, G8

1/2 PHC flange lock type 8

1шт.

648002

KNIFE

1/8" x 3/4"

1шт.

23948R1

HEADED PIN,3/8" x 3 1/4"

PIN, HEADED, 3/8" x 3 1/4"

1шт.

180173

BOLT,Hex, 1/2" - 13 x 1", Gr 5

1шт.

10

186513C1

SUPPORT

upper belt guide

1шт.

938017R1

FLANGE NUT,Flg, USR, 5/16"-18

5/16 flange lock

1шт.

135270

SERRATED SCREW,5/16" - 18 x 3/4"

5/16 x 3/4 znp slt-truss-hd

1шт.

11

188316C1

ROD

feeder drive belt trap

1шт.

482256R1

BEARING LOCK NUT,Flg, USR, 3/8"-16

3/8 flange lock

1шт.

477-73812

SERRATED SCREW,Truss HD, 3/8" - 16 x 3/4"

3/8 x 3/4 znp slt-truss-hd

1шт.

12

174757C1

PULLEY

feeder drive flat idler, 8 in. OD, 203.2mm OD

1шт.

13

559205R91

BEARING ASSY,15.92 mm ID x 30 mm OD x 82.55 mm

ASSY, idler arm pulley

1шт.

14

194494C93

ARM

LEVER ASSY, feeder drive idler, includes ref. nos. 12, 13 and 15

1шт.

20340R1

COTTER PIN,1/4" x 1 1/2"

Pin, Split (Cotter), 1/4" x 1 1/2"

1шт.

591715R1

WASHER

1.031 x 1.500 x .054

1шт.

15

559154R1

BUSHING,25.45mm ID x 28.6mm OD x 25.4mm L

feeder drive idler arm, used w/lub fitting

2шт.

15

1302308C1

BUSHING,25.65mm ID x 31.85mm OD x 28.57mm L

feeder drive idler arm, used w/out lub fitting

2шт.

16

80717

LUBE NIPPLE,45 Degree, 1/8" NPT x 7/8" lg

FITTING, 1/8-27 PTF 45 deg lub

2шт.

17

185383C2

COVER

belt drive upper

1шт.

477-73812

SERRATED SCREW,Truss HD, 3/8" - 16 x 3/4"

3/8 x 3/4 znp slt-truss-hd

1шт.

482256R1

BEARING LOCK NUT,Flg, USR, 3/8"-16

3/8 flange lock

1шт.

18

185414C2

SUPPORT

ASSY, feeder drive idler pivot

1шт.

482256R1

BEARING LOCK NUT,Flg, USR, 3/8"-16

3/8 flange lock

1шт.

477-73816

SERRATED SCREW,Sl Truss Hd, 3/8" x 1"

3/8 x 1 slt-truss-hd

1шт.

19

192111C1

ROD

feeder belt retainer

1шт.

18481R1

COTTER PIN,3/16" x 1"

PIN, SPLIT (COTTER), 3/16" x 1"

1шт.

20

194497C1

GUIDE

ASSY, feeder drive belt, for use w/o rock trap

1шт.

20

1315080C1

GUIDE

RETAINER ASSY, drive belt, for use w/rock trap

1шт.

18481R1

COTTER PIN,3/16" x 1"

PIN, SPLIT (COTTER), 3/16" x 1"

1шт.

21

188323C1

SUPPORT

belt guard upper

1шт.

22

194364C2

HINGE

retainer pivot

1шт.

482256R1

BEARING LOCK NUT,Flg, USR, 3/8"-16

3/8 flange lock

1шт.

477-73816

SERRATED SCREW,Sl Truss Hd, 3/8" x 1"

3/8 x 1 slt-truss-hd

1шт.

187620C1

BOLT,Hex Serr Flg, 3/8" - 16 x 1 1/2"

SCREW, 3/8 x 1-1/2 h/hd flange

1шт.

23

194528C1

BELT,0.879" W x 143.37" L, 3 Ribs

V-BELT , Feeder drive, OC, For use w/o rock trap 0.879" W x 143.37" L, 3 Ribs

1шт.

23

1315074C1

V-BELT,22.23 mm W x 4029.32 mm L

Drive, for use with Rock Trap 22.23 mm W x 4029.32 mm L

1шт.

24

197387C1

PULLEY

feeder driven, 22.56 in. OD, 573.0mm OD, Serial Range: -14000

1шт.

24

1305297C1

PULLEY

feeder driven, 22.56 in. OD, 573.0mm OD, Start Serial: 14001

1шт.

25

188315C1

DOOR

drive belt cover access

1шт.

18653R1

BOLT,Hex, 1/4" - 20 x 1/2", Gr 2

1/4 x 1/2 type 1

1шт.

86625061

NUT,1/4"-20, GB

NUT, 1/4 P/T lock type 5

1шт.

937059R1

SCREW,Serr, M10 x 70mm, Cl 10.9

1/4-20 x 1/2 slt-truss-hd

1шт.

26

129-409

WING NUT,1/4"-20

NUT, belt cover access door wing

1шт.

27

183025C92

GUARD

SHIELD ASSY, feeder drive belt, includes ref. no. 28

1шт.

477-73812

SERRATED SCREW,Truss HD, 3/8" - 16 x 3/4"

3/8 x 3/4 znp slt-truss-hd

1шт.

482256R1

BEARING LOCK NUT,Flg, USR, 3/8"-16

3/8 flange lock

1шт.

28

188199C1

PRODUCT GRAPHIC

caution

1шт.

29

69339R1

SNAP RING,#150, Ext

Ring, Snap, , spring rod pivot #150, Ext

1шт.

30

CYLINDER ASSY, refer to group 10 under feeder and separator clutch cylinder

1шт.

31

191329C1

SUPPORT

gear case

1шт.

482256R1

BEARING LOCK NUT,Flg, USR, 3/8"-16

3/8 flange lock

1шт.

477-73812

SERRATED SCREW,Truss HD, 3/8" - 16 x 3/4"

3/8 x 3/4 znp slt-truss-hd

1шт.

477-73816

SERRATED SCREW,Sl Truss Hd, 3/8" x 1"

3/8 x 1 slt-truss-hd

1шт.

32

SHAFT, feeder and cleaning fan drive gear case, refer to group 7 under feeder and cleaning fan drive gear case

1шт.

33

191497C1

SEALING STRIP

gear case support, 10.6 in., 269.2mm

1шт.

34

191399C1

SUPPORT

gear case rear

1шт.

482256R1

BEARING LOCK NUT,Flg, USR, 3/8"-16

3/8 flange lock

1шт.

477-73812

SERRATED SCREW,Truss HD, 3/8" - 16 x 3/4"

3/8 x 3/4 znp slt-truss-hd

1шт.

35

191496C1

SEALING STRIP

gear case support, 11.8 in., 299.7mm

1шт.

36

JOINT ASSY, universal drive, refer to group 7 under separator drive

1шт.

37

186490C1

SUPPORT

feeder drive belt upper

1шт.

477-73812

SERRATED SCREW,Truss HD, 3/8" - 16 x 3/4"

3/8 x 3/4 znp slt-truss-hd

1шт.

482256R1

BEARING LOCK NUT,Flg, USR, 3/8"-16

3/8 flange lock

1шт.

38

PULLEY, feeder drive, refer to group 20 under belt drive, RH side

1шт.

39

1315082C1

SUPPORT

belt shield upper extension

1шт.

482256R1

BEARING LOCK NUT,Flg, USR, 3/8"-16

3/8 flange lock

1шт.

477-73816

SERRATED SCREW,Sl Truss Hd, 3/8" x 1"

3/8 x 1 slt-truss-hd

1шт.

40

314148R1

SPACER,10.7mm ID x 17.14mm OD x 11.9mm L

1шт.

482256R1

BEARING LOCK NUT,Flg, USR, 3/8"-16

3/8 flange lock

1шт.

179464C1

SERRATED SCREW,Sl Truss Hd, 3/8" - 16 x 1 1/4"

3/8 x 1-1/4 slt-truss-hd

1шт.

41

1315083C1

SUPPORT

belt shield lower extension, w/rock trap

1шт.

482256R1

BEARING LOCK NUT,Flg, USR, 3/8"-16

3/8 flange lock

1шт.

477-73812

SERRATED SCREW,Truss HD, 3/8" - 16 x 3/4"

3/8 x 3/4 znp slt-truss-hd

1шт.

42

1315078C3

SUPPORT

pivot extension, w/rock trap

1шт.

482256R1

BEARING LOCK NUT,Flg, USR, 3/8"-16

3/8 flange lock

1шт.

179464C1

SERRATED SCREW,Sl Truss Hd, 3/8" - 16 x 1 1/4"

3/8 x 1-1/4 slt-truss-hd

1шт.

43

1315084C1

CHANNEL

belt shield rear extension, w/rock trap

1шт.

195312C1

FLANGE NUT,Flg, USR, 1/2"-13, G8

1/2 PHC flange lock type 8

1шт.

180173

BOLT,Hex, 1/2" - 13 x 1", Gr 5

1шт.

44

1315085C1

GUARD

SHIELD ASSY, belt extension

1шт.

135270

SERRATED SCREW,5/16" - 18 x 3/4"

5/16 x 3/4 znp slt-truss-hd

1шт.

938017R1

FLANGE NUT,Flg, USR, 5/16"-18

5/16 flange lock

1шт.

45

1315231C1

SUPPORT

shield stiffener, w/rock trap

1шт.

Выбрано товаров: 105