Запчасти Case IH 1480 (21-08) - THRESHING ROTOR AND CONCAVES, ROTOR DRIVE (14) - THRESHING

Схема запчастей Case IH 1480 - (21-08) - THRESHING ROTOR AND CONCAVES, ROTOR DRIVE (14) - THRESHING
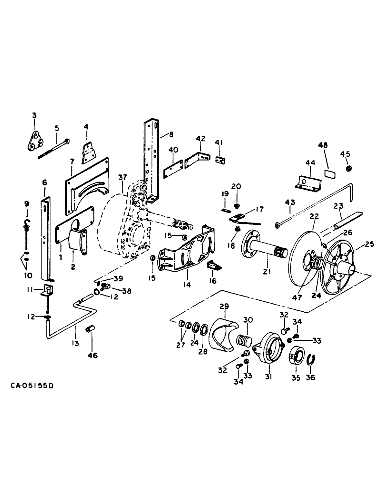
21
13
12
34
44
17
16
7
30
42
31
33
48
10
35
22
18
40
41
43
36
14
5
1
38
12
8
15
24
32
9
19
33
32
27
46
26
34
20
37
45
29
11
23
15
39
6
47
24
25
2
28
4
3
FIT
1:1
100%

Артикул

Название

Примечание

Количество

1

194050C2

PLATE

front gear case support, Serial Range: -14000

1шт.

1

181315C1

PLATE

front gear case support, Start Serial: 14001

1шт.

180177

BOLT,Hex, 1/2" - 13 x 1 1/2", Gr 5

1/2 x 1-1/2 type 5

1шт.

120384

WASHER,1/2"

LOCK, 1/2"

1шт.

2

194054C2

BLOCK

front case support, Serial Range: -14000

2шт.

2

181314C2

BLOCK

front case support, Start Serial: 14001

2шт.

3

188141C1

SUPPORT

gear case anchor

1шт.

4

188142C1

SUPPORT

gear case anchor

1шт.

5

188143C1

EYEBOLT

BOLT, gear case

1шт.

124589

BALL STUD,Hex, 5/8" - 11 x 2", Gr 5

5/8 type 5

1шт.

18481R1

COTTER PIN,3/16" x 1"

PIN, SPLIT (COTTER), 3/16" x 1"

1шт.

21573R1

HEADED PIN,1/2" x 2"

PIN, 1/2 x 2 hd type 1

1шт.

23276R1

WASHER

.656 x 2.000 x .164

1шт.

6

188190C2

SUPPORT

gear case LH

1шт.

485734R1

CARRIAGE BOLT,Short NK, 1/2"-13 x 1 1/4", G5, Full Thd

BOLT, 1/2 x 1-1/4 crg type 5

1шт.

180175

BOLT,Hex, 1/2" - 13 x 1 1/4", Gr 5

1/2 x 1-1/4 type 5

1шт.

195312C1

FLANGE NUT,Flg, USR, 1/2"-13, G8

1/2 PHC flange lock type 8

1шт.

7

188137C1

SUPPORT ASSY.

SUPPORT ASSY, gear case

1шт.

8

188191C2

SUPPORT

gear case RH

2шт.

485734R1

CARRIAGE BOLT,Short NK, 1/2"-13 x 1 1/4", G5, Full Thd

BOLT, 1/2 x 1-1/4 crg type 5

1шт.

195312C1

FLANGE NUT,Flg, USR, 1/2"-13, G8

1/2 PHC flange lock type 8

1шт.

180175

BOLT,Hex, 1/2" - 13 x 1 1/4", Gr 5

1/2 x 1-1/4 type 5

1шт.

9

194066C91

DIPSTICK

GAGE ASSY, rotor gear case, includes ref. no. 10

1шт.

10

350684R1

O-RING,0.139" Thk x 0.734" ID, -210, Cl 5, 75 Duro

3/4 ID x 1/8 class 5

2шт.

11

193946C1

TUBE,12.7 mm OD

gear case oil gage

1шт.

938017R1

FLANGE NUT,Flg, USR, 5/16"-18

5/16 flange lock

1шт.

135270

SERRATED SCREW,5/16" - 18 x 3/4"

5/16 x 3/4 znp slt-truss-hd

1шт.

12

183699C1

CLAMP,#6, 0.44/0.78 Type M Worm

fill and drain hose

2шт.

13

HOSE, gear case grain and fill, use 19 in. of 1/2 ID from 50 ft roll marked 180718C1

1шт.

14

194058C1

SUPPORT

gear case rear

1шт.

180179

BOLT,Hex, 1/2" - 13 x 1 3/4", Gr 5

1/2 x 1-3/4 type 5

1шт.

120384

WASHER,1/2"

LOCK, 1/2"

1шт.

15

194077C1

SPACER

gear case

2шт.

180190

LOCK SCREW,Hex, 1/2" - 13 x 3", Gr 5

BOLT, 1/2 x 3 type 5

1шт.

25555R1

WASHER,17/32" x 1 1/4" x .188", HDN

.531 x 1.250 x .188 PHC HDN

1шт.

16

188171C1

SUPPORT

gear case pivot

1шт.

9635884

BOLT,Hex, 5/16" - 18 1", Full Thd, Gr 5

5/16 x 1 type 5

1шт.

80681

LOCK WASHER,5/16"

WASHER, LOCK, 5/16"

1шт.

17

188172C2

LEVER ASSY.

LEVER ASSY, rotor drive shift

1шт.

18481R1

COTTER PIN,3/16" x 1"

PIN, SPLIT (COTTER), 3/16" x 1"

1шт.

20601R1

WASHER

.531 x 1.250 x .105

1шт.

18

277523R1

BUSHING

shift lever

1шт.

19

188169C1

BAR

shift lever

2шт.

21886R1

HEADED PIN,1/4" x 1"

PIN, 1/4 x 1 hd type 1

1шт.

648002

KNIFE

1/8" x 3/4"

1шт.

25707R1

WASHER,.281" x 5/8" x .075", HDN

.281 x .625 x .072 HDN

1шт.

20

188170C1

NUT

NUT, shift lever

1шт.

180124

BOLT,Hex, 3/8" - 16 x 1 1/4", Gr 5

3/8 x 1-1/4 type 5

1шт.

120382

LOCK WASHER,Helical Spring, 3/8"

WASHER, LOCK, 3/8"

1шт.

21

193962C2

HUB

fixed variable pulley

1шт.

22

185433C1

PULLEY

fixed half variable, 17.75 in. OD, 450.8mm OD

1шт.

455000

BOLT,Hex, 1/2" - 13 x 1 1/4", Gr 8

1/2 x 1-1/4 type 8

1шт.

366864C1

LOCK WASHER,1/2"

1/2"

1шт.

23

193945C1

BELT

Rotor variable drive, 102 in. OC, 2590.8mm OC

1шт.

24

193965C91

SEAL

adjustable variable pulley

3шт.

25

185417C91

PULLEY ASSY.

PULLEY ASSY, adjustable half variable, 17.75 in. OD, 450.8mm OD, incldes ref. nos. 24, 26, 27 & 47

1шт.

455000

BOLT,Hex, 1/2" - 13 x 1 1/4", Gr 8

1/2 x 1-1/4 type 8 A

1шт.

366864C1

LOCK WASHER,1/2"

1/2"

1шт.

26

109461

LUBE NIPPLE,1/8"-27 x .66 lg

NIPPLE, LUBE, , NPT 1/8"-27 x .66 lg

1шт.

27

188839C91

BUSHING

PACKAGE, variable pulley, bushing & seal service, consists of bushing (NSS)

2шт.

193965C91

SEAL

liguid loctite (NSS), instruction manual (NSS)

3шт.

28

188210C91

CAM FOLLOWER

BEARING ASSY, rotor drive thrust

1шт.

29

185416C1

CAM

rotor drive torque sensing

1шт.

30

193936C2

SPRING

rotor drive torque sensing

1шт.

31

195247C91

YOKE

ASSY, torque sensing cam follower, includes ref. no. 33

1шт.

32

193943C91

BEARING ASSY

BEARING, cam follower

2шт.

120371

NUT,1/2"-20, G5

1шт.

366864C1

LOCK WASHER,1/2"

1/2"

1шт.

33

193941C1

BUSHING,22.23mm ID x 25.41mm OD x 15.88mm L

cam follower yoke pivot

2шт.

34

194167C1

SCREW,5/8 - 11" x 1"

cam follower yoke pivot

2шт.

120371

NUT,1/2"-20, G5

1шт.

366864C1

LOCK WASHER,1/2"

1/2"

1шт.

35

193938C1

HUB

cam follower

1шт.

36

360171R1

SNAP RING,M66.67 x 3.23mm Thk, Ext

hub cam follower retainer

1шт.

37

CASE ASSY, rotor drive, refer to this group under rotor drive gear case

1шт.

38

188272C1

ELBOW

gear cse

1шт.

39

570828R1

O-RING,0.087" Thk x 0.644" ID, -908, Cl 6, 90 Duro

1/2 in O.D. tube

1шт.

40

185397C1

SUPPORT

BAR, gage support

1шт.

41

186031C2

ANGLE

rotor driven pulley gage

1шт.

938017R1

FLANGE NUT,Flg, USR, 5/16"-18

5/16 flange lock

1шт.

135270

SERRATED SCREW,5/16" - 18 x 3/4"

5/16 x 3/4 znp slt-truss-hd

1шт.

42

184246C1

ANGLE

gage support, replaces 186035C3

1шт.

80280173

BOLT,Hex, 3/4" - 10 x 2 3/4", Gr 5

3/4 x 2-3/4 type 5

1шт.

938017R1

FLANGE NUT,Flg, USR, 5/16"-18

5/16 flange lock

1шт.

135270

SERRATED SCREW,5/16" - 18 x 3/4"

5/16 x 3/4 znp slt-truss-hd

1шт.

43

186648C2

ROD

lever shift control linkage

1шт.

44

188816C91

ANGLE

ASSY, rod lever control link, includes ref no. 48

1шт.

180175

BOLT,Hex, 1/2" - 13 x 1 1/4", Gr 5

1/2 x 1-1/4 type 5

1шт.

195312C1

FLANGE NUT,Flg, USR, 1/2"-13, G8

1/2 PHC flange lock type 8

1шт.

45

198825C1

GROMMET,15.88mm ID x 41.1mm OD x 26.9mm Thk

control rod

1шт.

46

163493C1

STRIP,19.05mm ID x 25.4mm OD x 45.7mm L

STRAP, oil hose cover

1шт.

47

537602R1

RING

inner seal

1шт.

48

188815C1

DECAL

PRODUCT GRAPHIC, caution

1шт.

186364C1

RETAINER

torque sensing spring, used to service variable speed pulley, not illustrated

1шт.

1319996C1

ROD,Hex, 3/8" x 10"

ASSY, torque sensing spring removal, used to service variable speed pulley, not illustrated

2шт.

Выбрано товаров: 95