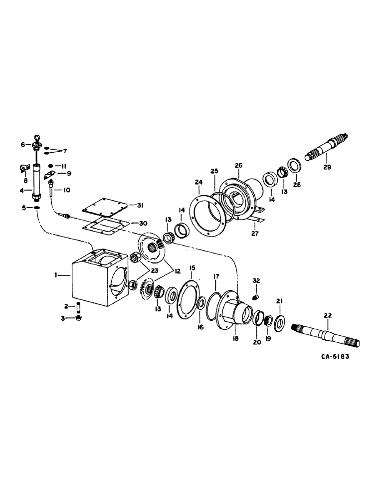
Запчасти Case IH 1480 (07-11) - DRIVE TRAIN, FEEDER DRIVE FORWARD GEAR CASE Drive Train

Схема запчастей Case IH 1480 - (07-11) - DRIVE TRAIN, FEEDER DRIVE FORWARD GEAR CASE Drive Train
30
19
18
2
26
11
5
14
6
14
10
16
13
7
31
32
27
17
13
25
3
24
21
14
28
15
8
22
1
13
20
29
4
23
12
9
FIT
1:1
100%

Артикул

Название

Примечание

Количество

1

191388C1

CASE

feeder and cleaning fan drive gear

1шт.

180173

BOLT,Hex, 1/2" - 13 x 1", Gr 5

1шт.

120384

WASHER,1/2"

LOCK, 1/2"

1шт.

2

188126

PIPE,Nipple, 3/8" NPT x 2"

NIPPLE, 3/8 x 2 znd gear case drain pipe

1шт.

3

144164

O-RING

3/8 znp drain pipe

1шт.

4

195429C1

TUBE

FITTING ASSY, oil cage

1шт.

5

296247R1

O-RING,16-1, 90 Duro, 1.171" ID x .116" Thk

1.171 x 1.403 x 0.116

1шт.

6

195319C91

GAUGE ASSY.

GAGE ASSY, oil, includes ref. no. 7

1шт.

7

350684R1

O-RING,0.139" Thk x 0.734" ID, -210, Cl 5, 75 Duro

0.734 x 1.012 x 0.139

2шт.

8

195446C1

CLAMP

bank lube hose support, use w/16 in., 406.4mm hose 171931C1

1шт.

9

195445C1

ANGLE

bank lube hose, use w/16 in., 406.4mm hose 171931C1

1шт.

180077

BOLT,Hex, 5/16" - 18 x 3/4", Gr 5

5/16 x 3/4 type 5

1шт.

120376

NUT,5/16"-18, G5

1шт.

80681

LOCK WASHER,5/16"

WASHER, LOCK, 5/16"

1шт.

10

171931C1

HOSE

bank lube, 16 in., 406.4mm

1шт.

10

188589C91

HOSE

bank lube, 22 in., 558.8mm, not used with ref no. 8 and 9

1шт.

11

R53473

NUT, 1/8-27 NPSM bank lube hose, replaces 581873R1

1шт.

12

191285C1

GEAR-SET

GEAR SET, drive, 18T and 31T

1шт.

13

197609R91

BEARING ASSY,1.375" ID x 3" OD x 1.125"

BEARING, input and output shaft inner cone

3шт.

14

197608R1

BEARING ASSY,1.375" ID x 3" OD x 1.1562"

BEARING CUP, Input and output shaft inner

3шт.

15

SHIM, rear bell housing, furnish package 195484C2

1шт.

16

938294R91

OIL SEAL,32.89mm ID x 54.08mm OD x 8mm Thk

input shaft inner oil

1шт.

17

22414R1

O-RING,0.139" Thk x 4.984" ID, -250, Cl 5, 75 Duro

4.984 x 5.262 x 0.139, rear bell housing

1шт.

18

191245C2

HUB

rear bell housing

1шт.

180124

BOLT,Hex, 3/8" - 16 x 1 1/4", Gr 5

3/8 x 1-1/4 type 5

1шт.

120382

LOCK WASHER,Helical Spring, 3/8"

WASHER, LOCK, 3/8"

1шт.

19

G57452

ROLLER BEARING

BEARING, input shaft outer cone

1шт.

20

618024R1

BEARING CUP,65.113mm OD x 13.97mm W

Input shaft outer

1шт.

21

192527C1

OIL SEAL,44.45mm ID x 69.95mm OD x 7.92mm Thk

input shaft outer oil

1шт.

22

191396C1

SHAFT

input

1шт.

23

195428C1

LOCK NUT

7/8-14 znd input and output shaft hex.

2шт.

238633R1

WASHER,23.11mm ID x 52.32mm OD x 4.55mm Thk

.91 x 2.06 x .179, hard

1шт.

24

SHIM, RH bell housing, furnish package 195485C1

1шт.

25

3061207R1

O-RING,0.139" Thk x 6.234" ID, -259, Cl 5, 75 Duro

6.234 x 6.512 x 0.139, RH bell housing

1шт.

26

191248C1

HUB

RH bell housing

1шт.

120382

LOCK WASHER,Helical Spring, 3/8"

WASHER, LOCK, 3/8"

1шт.

180124

BOLT,Hex, 3/8" - 16 x 1 1/4", Gr 5

3/8 x 1-1/4 type 5

1шт.

27

935915R1

SHIM,33.02mm OD x 0.38mm Thk

RH bell housing support

8,шт.

195312C1

FLANGE NUT,Flg, USR, 1/2"-13, G8

1/2 PHC flange lock type 8

1шт.

180175

BOLT,Hex, 1/2" - 13 x 1 1/4", Gr 5

1/2 x 1-1/4 type 5

1шт.

28

192528C1

OIL SEAL,42.85mm ID x 76.33mm OD x 8mm Thk

output shaft oil

1шт.

29

191384C1

SHAFT

output

1шт.

9413974

LOCK NUT,7/8"-14, GB

NUT, 7/8 CAD hex. prevailing torque

1шт.

185413C1

LOCK NUT

7/8-14 UNF 2B hex lock

1шт.

238633R1

WASHER,23.11mm ID x 52.32mm OD x 4.55mm Thk

.91 x 2.06 x .179, hard

1шт.

30

191397C1

GASKET

gear case cover

1шт.

31

191249C1

COVER

gear case

1шт.

113-206

BOLT,Hex, 3/8" - 16 x 3/4", Gr 5, Full Thd

3/8 x 3/4 type 5

1шт.

120382

LOCK WASHER,Helical Spring, 3/8"

WASHER, LOCK, 3/8"

1шт.

32

61991R91

BREATHER,1/8"-27 NPT, Short, w/washer

ASSY

1шт.

195484C2

SHIM KIT

PACKAGE, rear bell housing shim, consists of (4) shim .005 (NSS), (4) shim .007 (NSS), (2) shim .020 (NSS)

1шт.

195485C1

SHIM KIT

PACKAGE, RH bell housing shim, consists of (2) shim .005 (NSS), (2) shim .007 (NSS), (2) shim .020 (NSS)

1шт.

Выбрано товаров: 52