Запчасти Case IH 1620 (9-226) - SEAT ASSEMBLY, GRAMMER (10) - CAB & AIR CONDITIONING

Схема запчастей Case IH 1620 - (9-226) - SEAT ASSEMBLY, GRAMMER (10) - CAB & AIR CONDITIONING
24
3
47
45
6
32
9
8
35
14
36
46
2
33
18
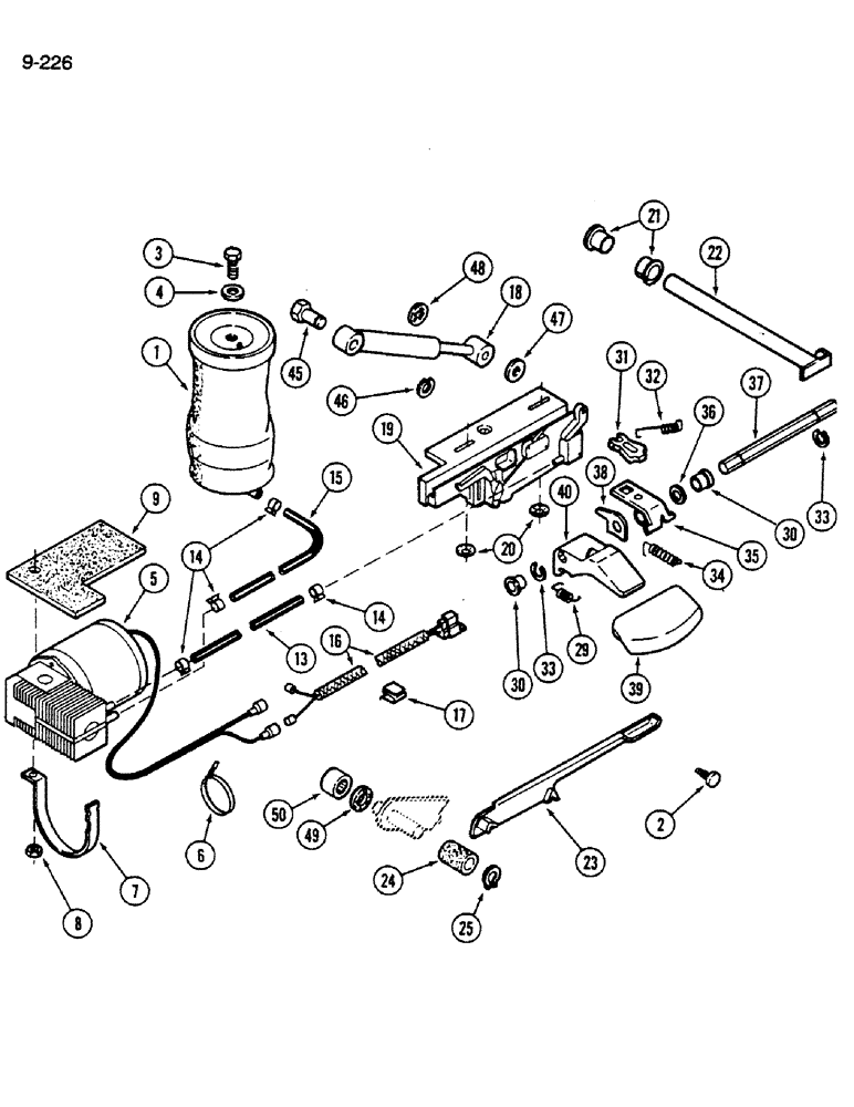
1
39
13
30
7
14
48
17
25
38
37
5
16
15
22
21
4
40
49
31
29
20
19
23
34
30
33
50
FIT
1:1
100%

Артикул

Название

Примечание

Количество

91788C91

SEAT

ASSEMBLY - operators, Includes: vertical suspension kit, Ref. 1 - 50 and complete seat suspension kit in this figure and parts in Figures 9-222 and 9-224

1шт.

98146C1

KIT

SUSPENSION KIT - vertical, Includes: Ref. 1 - 50

1шт.

1

NSS

NOT SOLD SEPARAT

SPRING ASSEMBLY - air

1шт.

2

60-1613T1

FASTENER

PLUG - snap, retaining

12шт.

Part of Miscellaneous Parts Kit P/N 98144C1

1шт.

3

NSS

NOT SOLD SEPARAT

BOLT - hex, black

1шт.

Part of Miscellaneous Parts Kit P/N 98144C1

1шт.

4

40-1154

LOCK WASHER

- lock

1шт.

5

NSS

NOT SOLD SEPARAT

COMPRESSOR ASSEMBLY - suspension

1шт.

6

NSS

NOT SOLD SEPARAT

STRAP - retaining

2шт.

7

NSS

NOT SOLD SEPARAT

BRACKET - compressor mounting

1шт.

8

60-4845T1

NUT

- hex, self-locking

1шт.

9

60-4880T1

SEAL, RUBBER

GASKET - rubber

1шт.

Part of Miscellaneous Parts Kit P/N 98144C1

1шт.

13

60-4899T1

HOSE

- compressor

1шт.

14

60-4895T1

CLAMP

- hose retaining

4шт.

Part of Miscellaneous Parts Kit P/N 98144C1

1шт.

15

60-4898T1

HOSE,450.00 mm

Compressor 450.00 mm

1шт.

16

NSS

NOT SOLD SEPARAT

HARNESS - compressor

1шт.

17

60-4881T1

CLIP,ELECTRICAL

CLIP - harness retaining

4шт.

Part of Miscellaneous Parts Kit P/N 98144C1

1шт.

18

NSS

NOT SOLD SEPARAT

SHOCK ABSORBER - seat

1шт.

19

NSS

NOT SOLD SEPARAT

SLIDE - mounted

1шт.

20

60-4882T1

RING, SNAP

RING - slide

2шт.

21

60-4904T1

FLANGED BEARING

- pivot rod

2шт.

Part of Miscellaneous Parts Kit P/N 98144C1

1шт.

22

60-5625T1

STEM

ROD - pivot

1шт.

23

NSS

NOT SOLD SEPARAT

CAM - skiding

1шт.

24

60-4905T1

BUMPER

- cam

1шт.

Part of Miscellaneous Parts Kit P/N 98144C1

1шт.

25

60-4906T1

RING, SNAP

RING - locking

1шт.

Part of Miscellaneous Parts Kit P/N 98144C1

1шт.

29

60-4883T1

SPRING

- tension

2шт.

30

60-4887T1

FLANGED BEARING

BEARING, Flanged - Carrier

2шт.

31

NSS

NOT SOLD SEPARAT

STOP - locking bracket

1шт.

32

60-4889T1

SPRING

- tension ( replaced 60-4888T1 )

1шт.

33

NSS

NOT SOLD SEPARAT

RING - retaining

2шт.

34

60-4891T1

SPRING

- tension

1шт.

35

NSS

NOT SOLD SEPARAT

BRACKET - locking

1шт.

36

60-4892T1

WASHER

- flat

1шт.

37

NSS

NOT SOLD SEPARAT

SHAFT - hex

1шт.

38

NSS

NOT SOLD SEPARAT

RATCHET - suspension

1шт.

39

60-4884T1

HANDLE

- adjusting

1шт.

Part of Miscellaneous Parts Kit P/N 98144C1

1шт.

40

NSS

NOT SOLD SEPARAT

CARRIER - shaft

1шт.

98144C1

KIT

PARTS KIT - miscellaneous, Includes: Ref. 2, 3, 9, 14, 17, 21, 24, 25, 39, 45, 46,47, 48, 49 and 50 in this figure and parts in Figure 9-224

1шт.

45

60-3233T1

PIN

- hex grooved

1шт.

Part of Miscellaneous Parts Kit P/N 98144C1

1шт.

46

60-1697T1

RING, SNAP

RING - grip ( replaced 60-169T1 )

1шт.

Part of Miscellaneous Parts Kit P/N 98144C1

1шт.

47

40-1182

CIRCLIP,M6

WASHER - retaining

1шт.

Part of Miscellaneous Parts Kit P/N 98144C1

1шт.

48

NSS

NOT SOLD SEPARAT

WASHER - retaining

1шт.

Part of Miscellaneous Parts Kit P/N 98144C1

1шт.

49

60-4878T1

FELT SEAL

RING - felt

4шт.

Part of Miscellaneous Parts Kit P/N 98144C1

1шт.

50

60-4879T1

NEEDLE BEARING

- needle roller

6шт.

Part of Miscellaneous Parts Kit P/N 98144C1

1шт.

98145C1

KIT

SUSPENSION KIT - seat, complete (Includes all components of kits 98150C1, 98148C1 and 98146C1 as well as the scissor assembly, lower plate, and upper plate)

1шт.

Выбрано товаров: 59