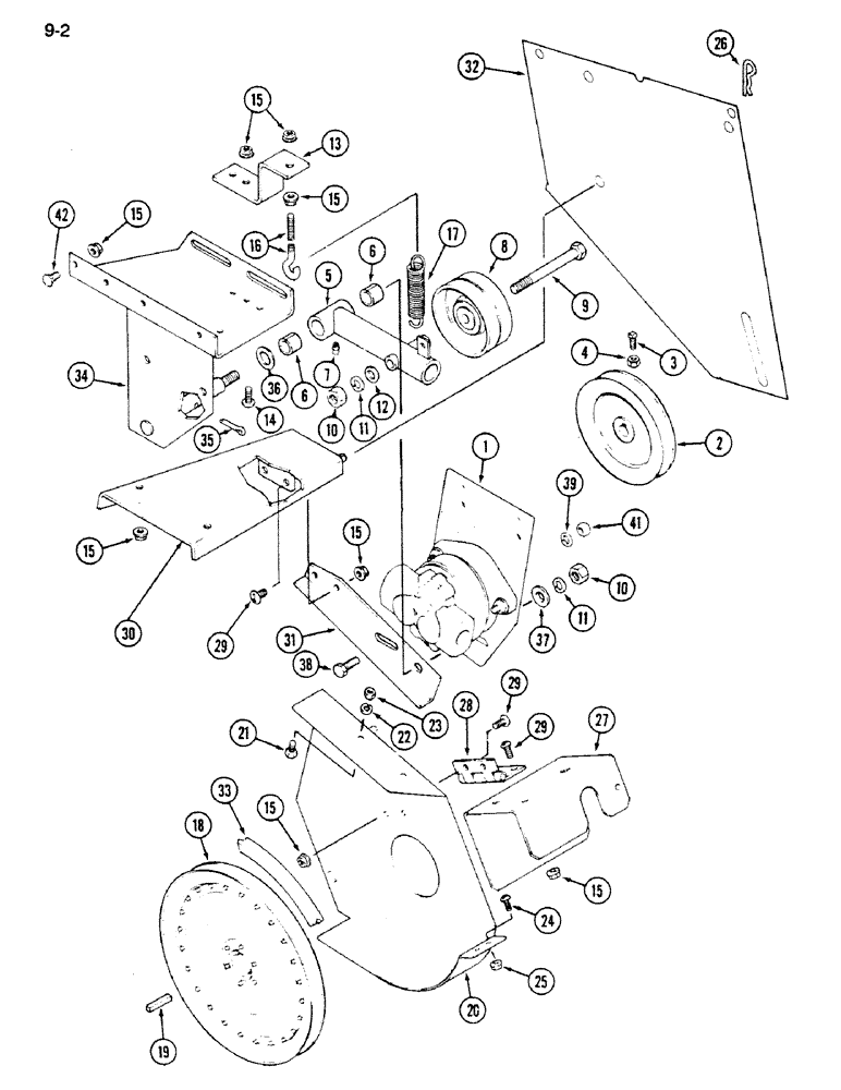
Запчасти Case IH 1620 (9-002) - REEL DRIVE (13) - FEEDER

Схема запчастей Case IH 1620 - (9-002) - REEL DRIVE (13) - FEEDER
13
15
32
19
24
36
39
33
11
15
15
35
5
37
20
4
9
21
15
15
10
11
1
6
22
3
25
26
41
7
17
29
29
18
38
16
31
23
14
15
34
12
6
10
15
2
29
27
42
30
8
28
FIT
1:1
100%

Артикул

Название

Примечание

Количество

1

REF

INSTRUCTION

PUMP ASSEMBLY - reel drive (See Page 8-245)

1шт.

2

193252C1

PULLEY

ASSY, pump driven, 7.5" O.D., 7/8" I.D.

1шт.

3

84983

SET SCREW,3/8" x 1"

SCREW - set, square head cup point, 3/8 NC x 1 inch

2шт.

4

129-103

NUT,Hex, 3/8" - 16, Gr 5

NUT, 3/8"-16, G5

2шт.

5

1321612C91

ARM

ASSEMBLY - pump tightener, Includes: Ref. 6

1шт.

6

583346R1

BUSHING,25.45mm ID x 28.55mm OD x 25.4mm L

- tightener arm

2шт.

7

219-87

LUBE NIPPLE,1/4" - 28 NPTF

FITTING - grease, 1/4 PT x 17/32 inch

1шт.

8

1321652C1

PULLEY

ASSEMBLY - belt idler, 5 inch OD

1шт.

9

113-643

BOLT,Hex, 5/8" - 11 x 5-1/2", Gr 5

1шт.

10

129-107

NUT,5/8"-11, G5

2шт.

11

192-25

LOCK WASHER,5/8"

WASHER, LOCK, 5/8"

2шт.

12

21471R1

WASHER

- flat, 21/32 x 1 x 7/64 inch

1шт.

13

1321687C1

BRACKET

SUPPORT - spring adjusting bolt

1шт.

14

477-73816

SERRATED SCREW,Sl Truss Hd, 3/8" x 1"

BOLT - hex flange lock, 3/8 NC x 3/4 inch

2шт.

15

482256R1

BEARING LOCK NUT,Flg, USR, 3/8"-16

- hex flange lock, 3/8 inch NC

14шт.

16

1315487C1

BOLT,3/8" - 16 x 205mm

EYEBOLT - spring tightener

1шт.

17

521816R1

SPRING

- tightener

1шт.

18

1321647C1

PULLEY

- feeder jackshaft pump drive 13-1/2 inch OD

1шт.

19

Q1497

KEY,Gib, 3/8" Sq x 2"

- square gib, 3/8 x 2 inch

1шт.

20

1321835C1

GUARD

SHIELD ASSEMBLY - reel drive pulley

1шт.

21

155807C1

BOLT,Hex Serr, 5/16" - 18 x 1"

2шт.

22

192-20

LOCK WASHER,Helical Spring, 0.318" ID, CST, ZND

WASHER, LOCK, 5/16"

2шт.

23

9635082

NUT,5/16" - 18, Gr 5

2шт.

24

135270

SERRATED SCREW,5/16" - 18 x 3/4"

- slotted truss head, 5/16 NC x 3/4 inch

2шт.

25

938017R1

FLANGE NUT,Flg, USR, 5/16"-18

- hex flange lock, 5/16 inch NC

2шт.

26

480523R1

HAIR PIN COTTER

quick attachable

5шт.

27

1321848C2

GUARD

SHIELD - feeder jackshaft, left

1шт.

28

10810R

HINGE

- shield

1шт.

29

477-73812

SERRATED SCREW,Truss HD, 3/8" - 16 x 3/4"

- slotted truss head, 3/8 NC x 3/4 inch

6шт.

30

1321648C1

SUPPORT

ASSEMBLY - shield lower rear

1шт.

31

1321651C1

SUPPORT

- pivot lower

1шт.

32

1321889C1

PLATE

SUPPORT - reel pump drive

1шт.

33

1321564C1

V-BELT,1594.69 mm L

Reel Drive 1594.69 mm L

1шт.

34

1315494C1

SUPPORT

ASSEMBLY - reel pump

1шт.

35

132-349

COTTER PIN,1/4" x 1 1/2"

PIN, Split (Cotter), 1/4" x 1-1/2"

1шт.

36

591715R1

WASHER

- flat, 1-1/32 x 1-1/2 x 1/16 inch

1шт.

37

25711R1

WASHER

- flat, 21/32 x 1-5/16 x 5/32 inch

1шт.

38

111-541

CARRIAGE BOLT,Short NK, 1/2"-13 x 1 1/4", G5, Full Thd

BOLT, CARRIAGE, Short NK, 1/2"-13 x 1 1/4", G5, Full Thd

2шт.

39

192-23

LOCK WASHER,1/2"

WASHER, LOCK, 1/2"

2шт.

41

129-105

NUT,Hex, 1/2" - 13, Gr 5

2шт.

42

598809R1

CARRIAGE BOLT,Sht Sq Nk, 3/8" - 16 x 3/4", Gr 5

BOLT - round head square neck, 3/8 NC x 3/4 inch

4шт.

Выбрано товаров: 41