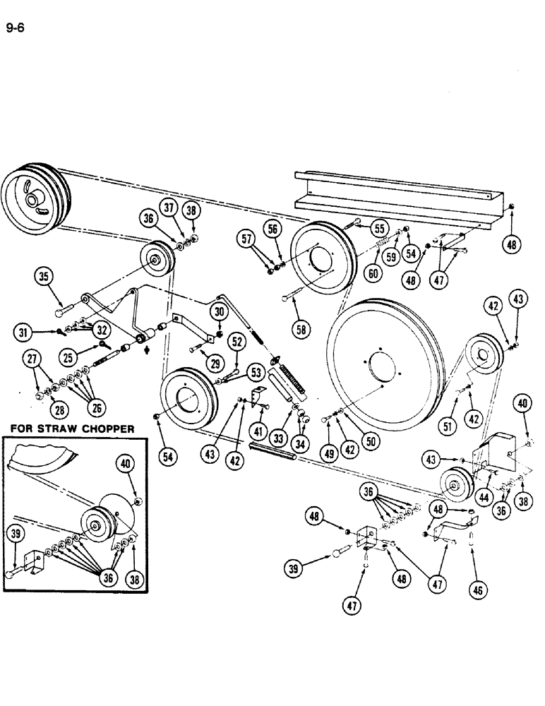
Запчасти Case IH 1620 (9-006) - RIGHT SIDE BELT DRIVE (CONTD) (13) - FEEDER

Схема запчастей Case IH 1620 - (9-006) - RIGHT SIDE BELT DRIVE (CONTD) (13) - FEEDER
42
46
58
33
48
36
47
59
47
38
36
35
43
54
30
26
41
36
31
57
32
53
38
48
44
39
48
37
55
42
38
48
42
42
25
43
54
51
50
48
28
36
56
39
27
29
52
40
34
49
60
40
43
47
FIT
1:1
100%

Артикул

Название

Примечание

Количество

25

132-349

COTTER PIN,1/4" x 1 1/2"

PIN, Split (Cotter), 1/4" x 1-1/2"

1шт.

26

131017

WASHER

- flat, 13/16 x 1-15/32 x 7/64 inch

4шт.

27

129-108

NUT,3/4"-10, G5

2шт.

28

192-27

LOCK WASHER,3/4"

WASHER, LOCK, 3/4"

1шт.

29

135270

SERRATED SCREW,5/16" - 18 x 3/4"

- slotted, 5/16 NC x 3/4 inch

1шт.

30

938017R1

FLANGE NUT,Flg, USR, 5/16"-18

- hex flange lock, 5/16 inch NC

1шт.

31

132-312

COTTER PIN,3/16" x 1 1/4"

PIN, SPLIT (COTTER), 3/16" x 1 1/4"

1шт.

32

25710R1

WASHER

- flat, 17/32 x 1-1/16 x 5/64 inch

3шт.

33

22770R1

WASHER

- flat, 17/32 x 1-1/2 x 11/64 inch

1шт.

34

129-105

NUT,Hex, 1/2" - 13, Gr 5

2шт.

35

113-621

BOLT,Hex, 5/8" - 11 x 2-3/4", Gr 5

1шт.

36

25976R1

WASHER,21/32" x 1 5/16" x .150", HDN

- flat, 21/32 x 1-5/16 x 5/64 inch

8шт.

37

192-25

LOCK WASHER,5/8"

WASHER, LOCK, 5/8"

1шт.

38

129-107

NUT,5/8"-11, G5

2шт.

39

113-601

BOLT,Hex, 5/8" - 11 x 3", Gr 5

1шт.

40

425-1410

JAM NUT,Jam, 5/8"-11, G5

- hex jam, 5/8 inch NC

1шт.

41

113-103

BOLT,Hex, 5/16" - 18 x 1", Gr 5

3шт.

42

192-20

LOCK WASHER,Helical Spring, 0.318" ID, CST, ZND

WASHER, LOCK, 5/16"

15шт.

43

9635082

NUT,5/16" - 18, Gr 5

9шт.

44

202107C1

BOLT,Hex Serr Flg, 5/16" - 18 x 3/4"

- hex flange lock, 5/16 NC x 3/4 inch

2шт.

46

477-73816

SERRATED SCREW,Sl Truss Hd, 3/8" x 1"

- slotted truss head, 3/8 NC x 1 inch

1шт.

47

477-73812

SERRATED SCREW,Truss HD, 3/8" - 16 x 3/4"

- slotted truss head, 3/8 NC x 3/4 inch

11шт.

48

482256R1

BEARING LOCK NUT,Flg, USR, 3/8"-16

- hex flange lock, 3/8 inch NC

12шт.

49

113-102

BOLT,Hex, 5/16" - 18 x 3/4", Gr 5

Hex, 5/16"-18 x 3/4", G5, Full Thd

4шт.

50

28588R1

WASHER

- flat, 11/32 x 11/16 x 3/64 inch

4шт.

51

113-103

BOLT,Hex, 5/16" - 18 x 1", Gr 5

4шт.

52

113-257

BOLT,Hex, 3/8" - 16 x 2-1/2", Gr 5

3шт.

53

25709R1

WASHER

- flat, 13/32 x 13/16 x 3/64 inch

3шт.

54

9413979

LOCK NUT,3/8"-16, GC

NUT - hex lock, 3/8 inch NC

6шт.

55

113-203

BOLT,Hex, 3/8" - 16 x 3-1/2", Gr 5

3шт.

56

192-21

LOCK WASHER,3/8"

WASHER, LOCK, 3/8"

3шт.

57

129-103

NUT,Hex, 3/8" - 16, Gr 5

NUT, 3/8"-16, G5

6шт.

58

113-258

BOLT,Hex, 3/8" - 16 x 6", Gr 5

3шт.

59

614452R1

WASHER

- flat, 13/32 x 1-1/4 x 3/32 inch

3шт.

60

REF

INSTRUCTION

SPRING - slip clutch

3шт.

Выбрано товаров: 35