Запчасти Case IH 1620 (9-012) - SEPARATOR JACKSHAFT SUPPORT (13) - FEEDER

Схема запчастей Case IH 1620 - (9-012) - SEPARATOR JACKSHAFT SUPPORT (13) - FEEDER
25
9
16
22
11
4
8
13
2
24
6
4
14
4
18
3
4
17
3
10
19
20
15
3
4
19
7
21
10
7
15
19
23
5
12
4
1
12
FIT
1:1
100%

Артикул

Название

Примечание

Количество

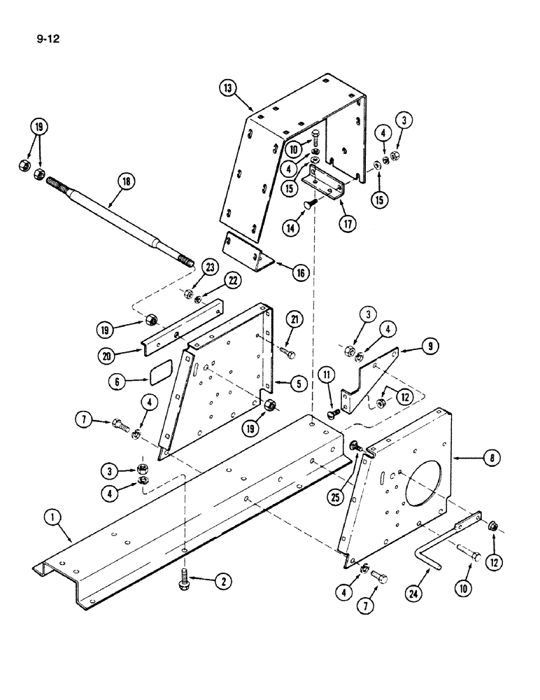
1

1303276C2

SUPPORT ASSY.

SUPPORT - jackshaft

1шт.

2

174985C1

BOLT,Hex Serr, 1/2" - 13 x 1"

- flanged hex, 1/2 NC x 1 inch

2шт.

2

161945C1

SERRATED SCREW,Sl Truss Hd, 5/16" - 18 x 1"

- slotted truss head, 5/16 NC x 1 inch

2шт.

3

129-105

NUT,Hex, 1/2" - 13, Gr 5

23шт.

3

938017R1

FLANGE NUT,Flg, USR, 5/16"-18

- hex flange lock, 5/16 inch NC

2шт.

4

192-23

LOCK WASHER,1/2"

WASHER, LOCK, 1/2"

19шт.

5

1303279C91

SUPPORT ASSY.

SUPPORT ASSEMBLY - left (With decal)

1шт.

7

113-424

BOLT,Hex, 1/2" - 13 x 1", Gr 5, Full Thd

4шт.

8

181166C1

SUPPORT

- right

1шт.

9

1303278C1

SUPPORT

- bottom

2шт.

10

113-417

BOLT,Hex, 1/2" - 13 x 1-1/4", Gr 5, Full Thd

8шт.

11

477-73812

SERRATED SCREW,Truss HD, 3/8" - 16 x 3/4"

- slotted truss head, 3/8 NC x 3/4 inch

4шт.

12

482256R1

BEARING LOCK NUT,Flg, USR, 3/8"-16

- hex flange lock, 3/8 inch NC

6шт.

13

181167C1

SUPPORT

- top

1шт.

14

111-541

CARRIAGE BOLT,Short NK, 1/2"-13 x 1 1/4", G5, Full Thd

BOLT, CARRIAGE, Short NK, 1/2"-13 x 1 1/4", G5, Full Thd

6шт.

15

20601R1

WASHER

- flat, 17/32 x 1-1/4 x 7/64 inch

10шт.

16

181164C1

SUPPORT

- separator

1шт.

17

181172C1

SUPPORT

ANGLE - rear

1шт.

18

181488C1

ROD

- support

1шт.

19

129-127

NUT,5/8"-18, G5

4шт.

20

1303280C1

ANGLE

SUPPORT - rod

1шт.

21

113-207

BOLT,Hex, 3/8" - 16 x 1", Gr 5

2шт.

22

192-21

LOCK WASHER,3/8"

WASHER, LOCK, 3/8"

2шт.

23

129-103

NUT,Hex, 3/8" - 16, Gr 5

NUT, 3/8"-16, G5

2шт.

24

194901C1

ROD

- belt support

1шт.

25

598809R1

CARRIAGE BOLT,Sht Sq Nk, 3/8" - 16 x 3/4", Gr 5

BOLT - round head square neck, 3/8 NC x 3/4 inch

2шт.

Выбрано товаров: 26