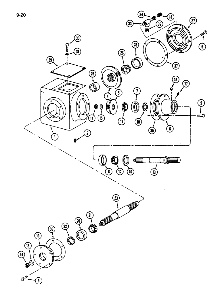
Запчасти Case IH 1620 (9-020) - FEEDER AND CLEANING FAN GEAR CASE (13) - FEEDER

Схема запчастей Case IH 1620 - (9-020) - FEEDER AND CLEANING FAN GEAR CASE (13) - FEEDER
7
26
11
27
4
9
15
15
1
9
16
17
28
20
31
10
24
30
25
18
6
33
37
8
9
34
29
32
21
23
14
22
18
5
35
2
19
12
13
36
FIT
1:1
100%

Артикул

Название

Примечание

Количество

185496C93

CASE

ASSEMBLY - gear, Includes: Ref. 1 - 34

1шт.

1

NSS

NOT SOLD SEPARAT

CASE - gear (Order 185496C93)

1шт.

2

50057K

PLUG

- pipe, 1/2 inch NPT, magnetic

1шт.

185204C1

GEAR-SET

GEAR KIT - drive, Includes: Ref. 4 and 5

1шт.

4

NSS

NOT SOLD SEPARAT

GEAR - driven 31 teeth (Order 185204C1)

1шт.

5

NSS

NOT SOLD SEPARAT

GEAR - pinion, 18 teeth (Order 185204C1)

1шт.

6

185495C91

HUB ASSY.

HUB ASSEMBLY - drive, rear, Includes: Ref. 7 and 8

1шт.

7

165964R1

BEARING CUP

CUP - bearing, inner

1шт.

8

61801C1

BEARING CUP,63mm OD x 13.5mm W

CUP - bearing, outer, 2-31/64 inch OD

1шт.

9

196471C1

BOLT,Hex, 3/8" - 16 x 1 1/4"

- hex flanged, 3/8 NC x 1-1/4 inch

15шт.

10

938294R91

OIL SEAL,32.89mm ID x 54.08mm OD x 8mm Thk

- input shaft, inner

1шт.

11

560953R91

BEARING ASSY,1.375" ID x 2.875" OD x 0.9688"

CONE - bearing, inner, 1-3/8 inch ID

1шт.

12

61802C91

ROLLER BEARING,38mm ID x 17mm Thk

CONE - bearing, outer, 1-15/32 inch ID

1шт.

13

185202C1

SHAFT

- input

1шт.

14

185116C1

RETAINER

NUT - input shaft lock

1шт.

15

238633R1

WASHER,23.11mm ID x 52.32mm OD x 4.55mm Thk

- flat, 29/32 x 2-1/16 x 11/64 inch

2шт.

16

619584C91

SEAL

- input shaft, outer

1шт.

17

219-1

LUBE NIPPLE,1/8" - 27 NPTF

FITTING - grease, 1/8 inch PT, rear hub

1шт.

18

61991R91

BREATHER,1/8"-27 NPT, Short, w/washer

FITTING - breather and grease, 1/8 inch PT

2шт.

19

131-930

FLANGE NUT,Hex Serr, 1/2" - 13, Gr 5

HUB ASSEMBLY - gear case, left, Includes: Ref. 20

1шт.

20

17498D

TAPERED BEARING," ID x 76.2125 mm OD x 23.9135 mm

CUP - bearing, 3 inch OD

1шт.

21

25488H

ROLLER BEARING,38.1063 mm ID x 25.565 mm

CONE - bearing, 1-1/2 inch ID

1шт.

22

185215C1

SEAL

- oil

1шт.

23

185203C2

SHAFT

- output

1шт.

24

9413974

LOCK NUT,7/8"-14, GB

NUT - hex prevailing torque, 7/8 inch NF

1шт.

25

186143C2

BUSHING

SPACER - driven gear

1шт.

26

400983R91

ROLLER BEARING,1.18775" ID x 2.5317" OD x 0.8478"

CONE - bearing, 1-3/16 inch ID

1шт.

27

185494C91

COVER ASSY

COVER - gear case, right, Includes: Ref. 28

1шт.

28

530741R1

BEARING CUP

CUP - bearing, 2-17/32 inch OD

1шт.

29

185217C1

COVER

- case

1шт.

30

113-102

BOLT,Hex, 5/16" - 18 x 3/4", Gr 5

Hex, 5/16"-18 x 3/4", G5, Full Thd

4шт.

31

192-20

LOCK WASHER,Helical Spring, 0.318" ID, CST, ZND

WASHER, LOCK, 5/16"

4шт.

32

444631

PLUG

- pipe, 1/2 inch PT

1шт.

33

444152

TEE,1/2"-14 NPTF Fem x 1/2"-14 NPTF Male Run

- pipe, 1/2 inch PT

1шт.

34

444030

REDUCER,1/2"-14 NPTF x 1/8"-27 Fem NPTF

BUSHING - pipe reducing, 1/2 to 1/8 inch PT

1шт.

183166C1

SHIM

KIT - rear hub, Includes: Ref. 35

1шт.

35

NSS

NOT SOLD SEPARAT

SHIM - hub, 0.005 inch

2шт.

35

NSS

NOT SOLD SEPARAT

SHIM - hub, 0.007 inch

2шт.

35

NSS

NOT SOLD SEPARAT

SHIM - hub, 0.020 inch

2шт.

183167C1

SHIM

KIT - left hub, Includes: Ref. 36

1шт.

36

NSS

NOT SOLD SEPARAT

SHIM - hub, 0.005 inch

2шт.

36

NSS

NOT SOLD SEPARAT

SHIM - hub, 0.007 inch

2шт.

36

NSS

NOT SOLD SEPARAT

SHIM - hub, 0.020 inch

2шт.

183168C1

SHIM

KIT - right cover, Includes: Ref. 37

1шт.

37

NSS

NOT SOLD SEPARAT

SHIM - cover, 0.005 inch

2шт.

37

NSS

NOT SOLD SEPARAT

SHIM - cover, 0.007 inch

2шт.

37

NSS

NOT SOLD SEPARAT

SHIM - cover, 0.020 inch

2шт.

Выбрано товаров: 0