Запчасти Case IH 1620 (9-024) - FEEDER DRIVE, WITH ROCK TRAP (CONTD) (13) - FEEDER

Схема запчастей Case IH 1620 - (9-024) - FEEDER DRIVE, WITH ROCK TRAP (CONTD) (13) - FEEDER
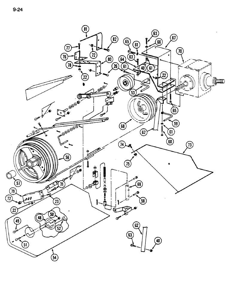
48
61
62
22
70
72
63
71
54
73
65
57
40
56
26
72
52
79
69
68
23
58
61
76
74
66
22
63
81
77
61
40
50
82
78
61
60
49
59
80
51
63
62
53
67
75
65
64
22
FIT
1:1
100%

Артикул

Название

Примечание

Количество

48

188315C1

DOOR

- drive belt

1шт.

49

113-1

BOLT,Hex, 1/4" - 20 x 1/2", Gr 5

1шт.

50

86625061

NUT,1/4"-20, GB

NUT - hex prevailing torque, 1/4 inch NC

1шт.

51

937059R1

SCREW,Serr, M10 x 70mm, Cl 10.9

- slotted truss head, 1/4 NC x 1/2 inch

1шт.

52

126177

WING NUT

NUT - wing, 1/4 inch NC

1шт.

53

186444C1

ROD

- drive belt trap

1шт.

54

1303109C93

COVER ASSY

COVER ASSEMBLY - drive belt (With decal)

1шт.

56

184506C91

PULLEY ASSY.

PULLEY ASSEMBLY - feeder, Includes: Ref. 57

1шт.

57

610435C1

BUSHING,69.93mm ID x 82.65mm OD x 76.2mm L

- pulley

1шт.

58

23948R1

HEADED PIN,3/8" x 3 1/4"

PIN - clevis, 3/8 x 3-1/4 inch

1шт.

59

183233C1

ROD

- upper

1шт.

60

80087972

BOLT,Hex, 1/2" - 13 x 2 1/2", Gr 5

- hex, 1/2 NC x 2-1/2 inch

1шт.

61

192-23

LOCK WASHER,1/2"

WASHER, LOCK, 1/2"

9шт.

62

185328C1

SUPPORT

- gear case

1шт.

63

113-417

BOLT,Hex, 1/2" - 13 x 1-1/4", Gr 5, Full Thd

8шт.

64

185220C1

SUPPORT

- gear case lower

1шт.

65

113-412

BOLT,Hex, 1/2" - 13 x 1-3/4", Gr 5

3шт.

66

25710R1

WASHER

- flat, 17/32 x 1-1/16 x 5/64 inch

2шт.

67

185219C1

SUPPORT

- gear case upper

1шт.

68

REF

INSTRUCTION

PULLEY - feeder drive, see Figure 9-004

1шт.

69

REF

INSTRUCTION

CYLINDER - feeder clutch, see Figure 8-066

1шт.

70

REF

INSTRUCTION

CASE ASSEMBLY - gear, see Figure 9-020

1шт.

71

177107C1

BOLT,Hex Serr, 1/2" - 13 x 3/4"

- hex, 1/2 NC x 3/4 inch

2шт.

72

131-930

FLANGE NUT,Hex Serr, 1/2" - 13, Gr 5

- hex flange lock, 1/2 inch NC

4шт.

73

1315089C1

GUARD

SHIELD - extension

1шт.

74

135270

SERRATED SCREW,5/16" - 18 x 3/4"

- slotted truss head, 5/16 NC x 3/4 inch

3шт.

75

938017R1

FLANGE NUT,Flg, USR, 5/16"-18

- hex flange lock, 5/16 inch NC

3шт.

76

1315092C1

ANGLE

SUPPORT - shield, upper

1шт.

77

179464C1

SERRATED SCREW,Sl Truss Hd, 3/8" - 16 x 1 1/4"

- slotted truss head, 3/8 NC x 1-1/4 inch

2шт.

78

25709R1

WASHER

- flat, 13/32 x 13/16 x 3/64 inch

2шт.

79

1315083C1

SUPPORT

- shield, lower extension

1шт.

80

1324024C1

BRACKET

- pivot extension

1шт.

81

1315233C1

BRACKET

SUPPORT - belt guard

1шт.

82

174985C1

BOLT,Hex Serr, 1/2" - 13 x 1"

- hex flange, 1/2 NC x 1 inch

2шт.

Выбрано товаров: 34