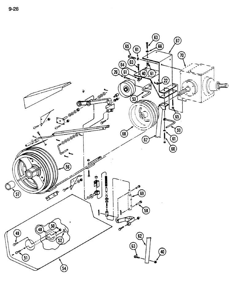
Запчасти Case IH 1620 (9-028) - FEEDER DRIVE, WITHOUT ROCK TRAP (CONTD) (13) - FEEDER

Схема запчастей Case IH 1620 - (9-028) - FEEDER DRIVE, WITHOUT ROCK TRAP (CONTD) (13) - FEEDER
52
54
22
50
65
61
70
40
65
49
68
66
61
58
67
62
69
59
60
62
57
61
63
48
61
64
26
63
53
51
63
40
56
FIT
1:1
100%

Артикул

Название

Примечание

Количество

48

188315C1

DOOR

- drive belt

1шт.

49

113-1

BOLT,Hex, 1/4" - 20 x 1/2", Gr 5

1шт.

50

86625061

NUT,1/4"-20, GB

NUT - hex prevailing torque, 1/4 inch NC

1шт.

51

937059R1

SCREW,Serr, M10 x 70mm, Cl 10.9

- slotted truss head, 1/4 NC x 1/2 inch

1шт.

52

86627130

WING NUT,1/4"-20

NUT - wing, 1/4 inch NC

1шт.

53

186444C1

ROD

- drive belt trap

1шт.

54

1303109C93

COVER ASSY

COVER ASSEMBLY - drive belt (With decal)

1шт.

56

184506C91

PULLEY ASSY.

PULLEY ASSEMBLY - feeder, Includes: Ref. 57

1шт.

57

610435C1

BUSHING,69.93mm ID x 82.65mm OD x 76.2mm L

- pulley

1шт.

58

23948R1

HEADED PIN,3/8" x 3 1/4"

PIN - clevis, 3/8 x 3-1/4 inch

1шт.

59

183233C1

ROD

- upper

1шт.

60

80087972

BOLT,Hex, 1/2" - 13 x 2 1/2", Gr 5

- hex, 1/2 NC x 2-1/2 inch

1шт.

61

192-23

LOCK WASHER,1/2"

WASHER, LOCK, 1/2"

9шт.

62

185328C1

SUPPORT

- gear case

1шт.

63

113-417

BOLT,Hex, 1/2" - 13 x 1-1/4", Gr 5, Full Thd

8шт.

64

185220C1

SUPPORT

- gear case lower

1шт.

65

113-412

BOLT,Hex, 1/2" - 13 x 1-3/4", Gr 5

3шт.

66

25710R1

WASHER

- flat, 17/32 x 1-1/16 x 5/64 inch

2шт.

67

185219C1

SUPPORT

- gear case upper

1шт.

68

REF

INSTRUCTION

PULLEY - feeder drive, see Figure 9-004

1шт.

69

REF

INSTRUCTION

CYLINDER - feeder clutch, see Figure 8-066

1шт.

70

REF

INSTRUCTION

CASE ASSEMBLY - gear, see Figure 9-020

1шт.

Выбрано товаров: 22