Запчасти Case IH 1620 (9-048) - ROCK TRAP (CONTD) (13) - FEEDER

Схема запчастей Case IH 1620 - (9-048) - ROCK TRAP (CONTD) (13) - FEEDER
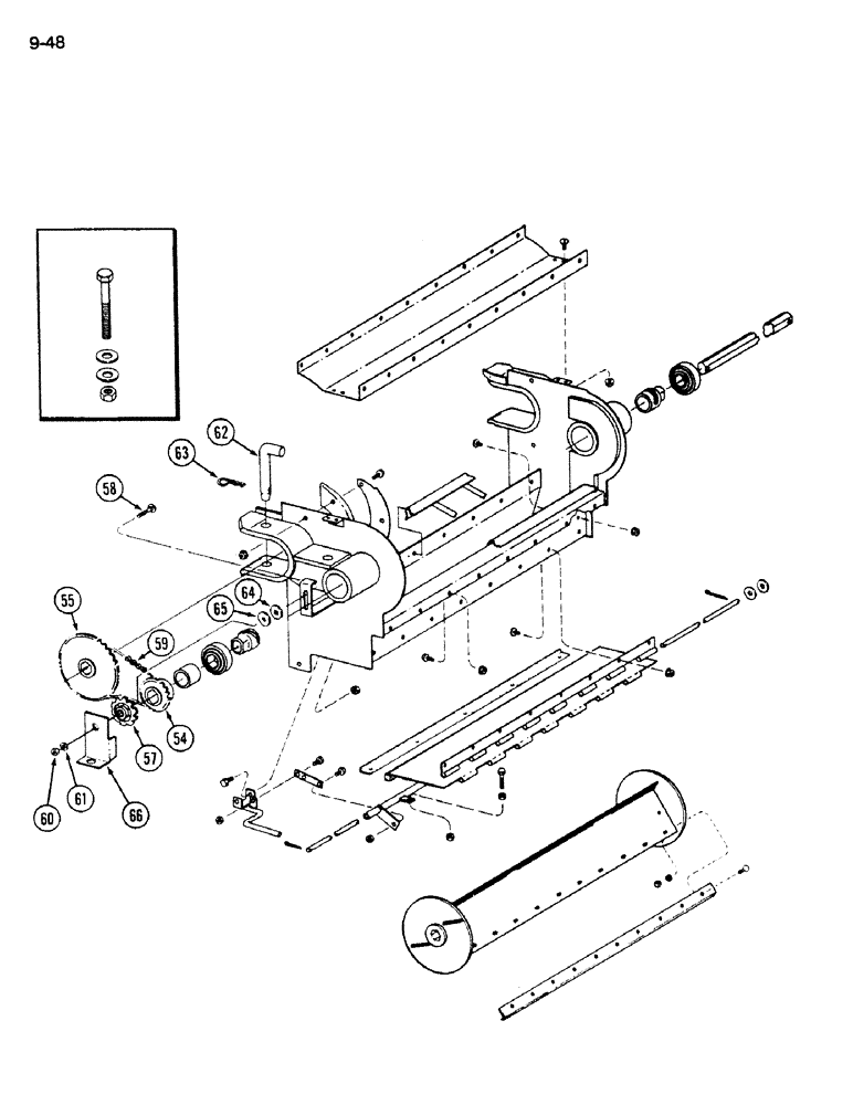
65
64
55
62
54
57
58
66
61
63
60
59
FIT
1:1
100%

Артикул

Название

Примечание

Количество

54

1320095C3

DRIVE SPROCKET

SPROCKET - drive

2шт.

55

1320110C3

SPROCKET

- drive

1шт.

57

629972R91

DRIVE SPROCKET,15T

SPROCKET - tightener

1шт.

58

598820R1

CARRIAGE BOLT,Sq Nk, 5/8" - 11 x 2 1/2", Gr 5

BOLT - round head square neck, 5/8 NC x 2-1/2 inch

1шт.

59

NSS

NOT SOLD SEPARAT

CHAIN - drive, (Use 41 links from 10 foot roll marked 1793D and one link, 1317D when two 1320095C3 drive sprockets are used) (Use 48 links from 10 foot roll marked 1793D and one link, 1317D when one 1320095C3 sprocket and one 1320110C3 sprocket is used)

1шт.

60

129-107

NUT,5/8"-11, G5

1шт.

61

192-25

LOCK WASHER,5/8"

WASHER, LOCK, 5/8"

1шт.

62

192533C2

ROD

PIN - pivot

1шт.

63

486830R1

COTTER PIN

PIN - cotter, quick attachable

1шт.

64

N11720

WASHER

- flat, 21/32 x 1-1/2 x 7/64 inch (Square hole)

1шт.

65

21782R1

WASHER

- flat, 21/32 x 1-1/2 x 3/64 inch

3шт.

66

1317950C1

SUPPORT

- shaft speed sensor

1шт.

Выбрано товаров: 12