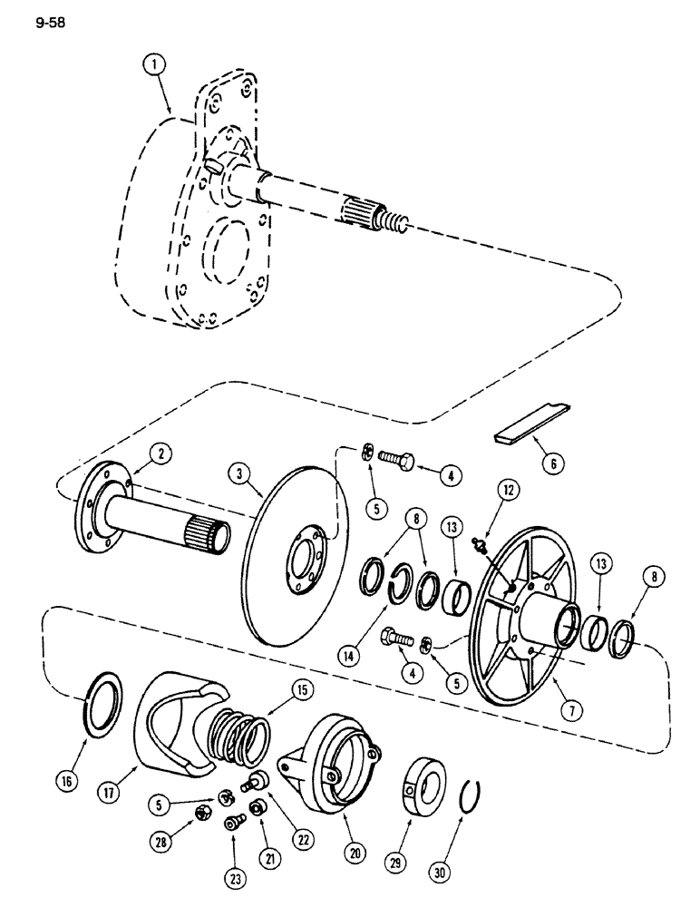
Запчасти Case IH 1620 (9-058) - ROTOR DRIVE, PRIOR TO P.I.N. JJC0022109 (14) - ROTOR, CONCANVES & SIEVE

Схема запчастей Case IH 1620 - (9-058) - ROTOR DRIVE, PRIOR TO P.I.N. JJC0022109 (14) - ROTOR, CONCANVES & SIEVE
15
13
29
8
12
20
5
3
8
14
13
1
4
5
6
16
5
28
2
21
4
22
7
17
23
30
FIT
1:1
100%

Артикул

Название

Примечание

Количество

1

REF

INSTRUCTION

HOUSING ASSEMBLY - drive, rotor, see Figure 9-066

1шт.

2

193962C2

HUB

- fixed variable pulley

1шт.

3

193927C1

PULLEY

- fixed variable

1шт.

4

455000

BOLT,Hex, 1/2" - 13 x 1 1/4", Gr 8

- hex, 1/2 NC x 1-1/4 inch

12шт.

5

366864C1

LOCK WASHER,1/2"

1/2"

14шт.

6

1302174C1

V-BELT,2361.48 mm L

Rotor Variable Drive 2361.48 mm L

1шт.

7

193928C93

PULLEY ASSY.

PULLEY ASSEMBLY - adjustable variable, Includes: Ref. 8 - 14

1шт.

8

193965C91

SEAL

- pulley

3шт.

12

219-1

LUBE NIPPLE,1/8" - 27 NPTF

FITTING - grease, straight, 1/8 PT

1шт.

13

188839C92

BUSHING,69.85mm ID x 74.64mm OD x 31.75mm L

KIT - pulley (set of 2) (Includes Ref. 8)

2шт.

14

537602R1

RING

- pulley retaining

1шт.

15

193936C2

SPRING

- rotor drive torque sensing

1шт.

16

188210C91

CAM FOLLOWER

BEARING ASSEMBLY - rotor drive thrust

1шт.

17

185416C1

CAM

- rotor drive torque sensing

1шт.

20

195247C91

YOKE

ASSEMBLY - torque sensing cam follower, Includes: Ref. 21

1шт.

21

193941C1

BUSHING,22.23mm ID x 25.41mm OD x 15.88mm L

- yoke pivot

2шт.

22

193943C91

BEARING ASSY

BEARING - cam follower

2шт.

23

194167C1

SCREW,5/8 - 11" x 1"

BOLT - cam follower yoke pivot

2шт.

28

129-125

NUT,1/2"-20, G5

2шт.

29

193938C1

HUB

- cam follower

1шт.

30

360171R1

SNAP RING,M66.67 x 3.23mm Thk, Ext

- hub cam follower retaining

1шт.

Выбрано товаров: 21