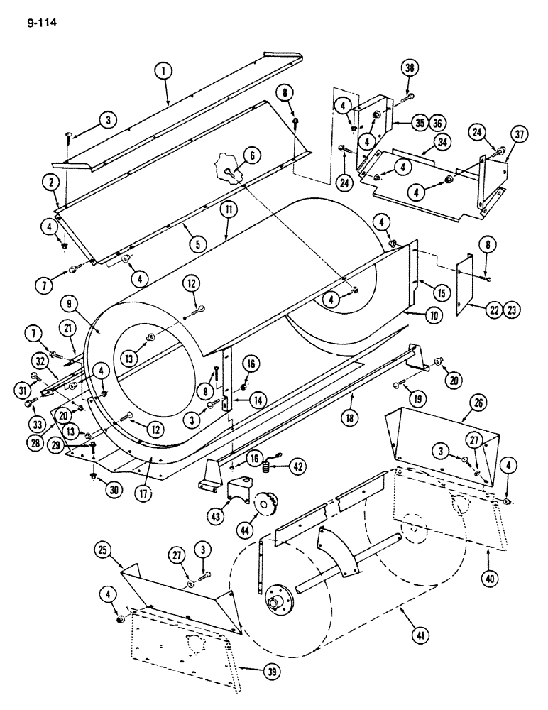
Запчасти Case IH 1620 (9-114) - CLEANING FAN SHIELDS (15) - BEATER & CLEANING FANS

Схема запчастей Case IH 1620 - (9-114) - CLEANING FAN SHIELDS (15) - BEATER & CLEANING FANS
32
43
4
6
7
27
36
3
20
23
28
35
10
5
8
18
37
38
4
4
31
12
33
11
22
26
3
21
17
41
7
29
4
24
16
4
3
4
19
8
4
16
4
44
8
1
4
2
14
40
13
15
42
34
12
27
9
3
39
20
4
4
30
25
24
13
FIT
1:1
100%

Артикул

Название

Примечание

Количество

1

183067C2

SUPPORT

SHEET - chaffer front seal

1шт.

2

183066C1

SUPPORT

FILLER - fan to auger trough

1шт.

3

135270

SERRATED SCREW,5/16" - 18 x 3/4"

- slotted truss head, 5/16 NC x 3/4 inch

25шт.

4

938017R1

FLANGE NUT,Flg, USR, 5/16"-18

- hex flange lock, 5/16 inch NC

49шт.

5

183066C1

SUPPORT

FILLER - auger, Serial Range: trough-fan

1шт.

6

477-73108

SERRATED SCREW,Sl Truss Hd, 5/16" - 18 x 1/2"

- slotted truss head, 5/16 NC x 1/2 inch

9шт.

7

202107C1

BOLT,Hex Serr Flg, 5/16" - 18 x 3/4"

- hex flange lock, 5/16 NC x 3/4 inch

4шт.

8

113-102

BOLT,Hex, 5/16" - 18 x 3/4", Gr 5

Hex, 5/16"-18 x 3/4", G5, Full Thd

13шт.

9

NSS

NOT SOLD SEPARAT

SHEET - side, left (Order 1324000C91)

1шт.

10

NSS

NOT SOLD SEPARAT

SHEET - side, right (Order 1324000C91)

1шт.

11

NSS

NOT SOLD SEPARAT

SHEET - top (Order 1324000C91)

1шт.

12

937059R1

SCREW,Serr, M10 x 70mm, Cl 10.9

- slotted truss head, 1/4 NC x 1/2 inch

29шт.

13

938016R1

FLANGE NUT,Flg, USR, 1/4"-20

- hex flange lock, 1/4 inch NC

29шт.

14

186713C2

KIT

EXTENSION - side sheet, left

1шт.

15

186714C2

EXTENSION

- side sheet, right

1шт.

16

188471C1

FLANGE NUT,Flg, 5/16"-18

NUT - hex lock, 5/16 inch NC

27шт.

17

193806C1

SUPPORT

SHEET - bottom

1шт.

18

193808C1

SUPPORT ASSY.

SUPPORT - fan

1шт.

19

477-73812

SERRATED SCREW,Truss HD, 3/8" - 16 x 3/4"

- slotted truss head, 3/8 NC x 3/4 inch

6шт.

20

482256R1

BEARING LOCK NUT,Flg, USR, 3/8"-16

- hex flange lock, 3/8 inch NC

13шт.

21

183087C1

ANGLE

- fan support

1шт.

22

186715C1

SUPPORT

- side, left

1шт.

23

186716C1

SUPPORT

- side, right

1шт.

24

256873

BOLT,Hex Serr, 5/16" - 18 x 1/2", 5SPL, Full Thd

30шт.

25

183471C1

SUPPORT

SHIELD - intake, left

1шт.

26

183472C1

SUPPORT

SHIELD - intake, right

1шт.

27

28588R1

WASHER

- flat, 11/32 x 11/16 x 3/64 inch

8шт.

28

186396C1

SUPPORT

SHIELD - bottom

1шт.

29

174985C1

BOLT,Hex Serr, 1/2" - 13 x 1"

- hex flange, 1/2 NC x 1 inch

8шт.

30

131-930

FLANGE NUT,Hex Serr, 1/2" - 13, Gr 5

- hex flange, 1/2 inch NC

8шт.

31

477-73816

SERRATED SCREW,Sl Truss Hd, 3/8" x 1"

- slotted truss head, 3/8 NC x 1 inch

7шт.

32

183086C1

SUPPORT

- shield

1шт.

33

202107C1

BOLT,Hex Serr Flg, 5/16" - 18 x 3/4"

- hex flange lock, 5/16 NC x 3/4 inch

2шт.

34

183080C1

SUPPORT

- fan shield

2шт.

35

183082C1

SUPPORT

- fan shield forward, left

1шт.

36

183083C1

SUPPORT

- fan shield forward, right

1шт.

37

183084C1

SUPPORT

- fan shield, rear

2шт.

38

113-101

BOLT,Hex, 5/16" - 18 x 1-1/2", Gr 5

1шт.

39

REF

INSTRUCTION

SUPPORT - shaft bearing, left, see Figure 9-116

1шт.

40

REF

INSTRUCTION

SUPPORT - shaft bearing, right, see Figure 9-116

1шт.

41

REF

INSTRUCTION

FAN - cleaning, see Figure 9-116

1шт.

42

REF

INSTRUCTION

TRANSDUCER - fan speed, see Figure 9-116

1шт.

43

REF

INSTRUCTION

BRACKET - transducer, see Figure 9-116

1шт.

44

REF

INSTRUCTION

SPROCKET - fan speed, see Figure 9-116

1шт.

1324000C91

STRIPPER PACKAGE

FAN KIT - housing sheets (Includes Ref. No. 9, 10, 11, 14 and 15)

1шт.

Выбрано товаров: 45