Запчасти Case IH 1620 (9-134) - GRAIN ELEVATOR (16) - GRAIN ELEVATORS & AUGERS

Схема запчастей Case IH 1620 - (9-134) - GRAIN ELEVATOR (16) - GRAIN ELEVATORS & AUGERS
32
27
14
18
29
22
33
5
15
10
19
2
16
12
21
17
9
26
11
30
3
24
3
12
7
3
3
14
1
25
34
11
6
4
12
20
28
20
13
12
13
2
25
8
31
17
23
2
2
3
FIT
1:1
100%

Артикул

Название

Примечание

Количество

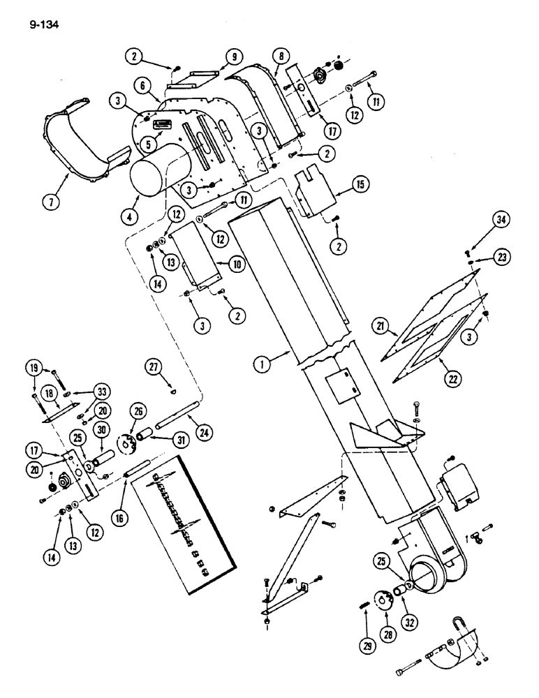
1

186151C1

ELEVATOR TUBE

TUBE - elevator

1шт.

2

477-73108

SERRATED SCREW,Sl Truss Hd, 5/16" - 18 x 1/2"

- slotted truss head, 5/16 NC x 1/2 inch

51шт.

3

938017R1

FLANGE NUT,Flg, USR, 5/16"-18

- hex flange lock, 5/16 inch NC

78шт.

4

1300898C91

SIDE PLATE

SIDE - elevator, left (Grain and corn), Includes: Ref. 5

1шт.

4

1319631C91

SIDE ASSY.

SIDE - elevator, left (Rice), Includes: Ref. 5

1шт.

5

1319494C1

PRODUCT GRAPHIC

DECAL - caution

1шт.

6

183370C1

SIDE ASSY.

SIDE - elevator, right (Grain and corn)

1шт.

6

181428C1

SIDE ASSY.

SIDE - elevator, right (Rice)

1шт.

7

186157C1

SUPPORT ASSY.

COVER - spout (Grain and corn)

1шт.

7

181430C1

SUPPORT ASSY.

COVER - spout (Rice)

1шт.

8

186239C1

SUPPORT

TOP - elevator head (Grain and corn)

1шт.

8

181429C1

SUPPORT ASSY.

TOP - elevator head (Rice)

1шт.

9

186159C1

CHANNEL

DOOR - elevator head

1шт.

10

186160C1

HINGE

END - elevator spout (Grain and corn)

1шт.

10

181431C1

SUPPORT ASSY.

END - elevator spout (Rice)

1шт.

11

25368R1

BOLT,Hex, 5/16" - 18 x 8 1/2", Gr 2

- hex, 5/16 NC x 8-1/2 inch

2шт.

12

28588R1

WASHER

- flat, 11/32 x 11/16 x 3/64 inch

4шт.

13

192-20

LOCK WASHER,Helical Spring, 0.318" ID, CST, ZND

WASHER, LOCK, 5/16"

2шт.

14

9635082

NUT,5/16" - 18, Gr 5

2шт.

15

186161C1

SUPPORT

END - false bottom (Grain and corn)

1шт.

15

181432C1

CHANNEL

END - false bottom (Rice)

1шт.

16

186162C1

PIPE

SPACER - lock guide

1шт.

17

181364C1

SUPPORT

- head shaft

2шт.

18

183383C1

BAR

- adjustment bolt

1шт.

19

667486R1

BOLT

BOLT - adjustment

2шт.

20

25933R1

JAM NUT,Jam, 1/2"-13, G8

- hex jam, 1/2 inch NC

2шт.

21

182551C1

SHEET

SEAL - elevator

1шт.

22

182552C1

PLATE

- elevator

1шт.

23

25708R1

WASHER

- flat, 11/32 x 3/4 x 3/64 inch

10шт.

24

186164C1

SHAFT

- elevator

1шт.

25

21789R1

WASHER

- flat, 1-1/32 x 1-1/4 x 3/64 inch

1шт.

26

168683C1

SPROCKET

- elevator head, 7 teeth

1шт.

27

126-124

WOODRUFF KEY,#15, 1/4" x 1", HT

1шт.

28

1319176C1

SPROCKET ASSY.

SPROCKET - elevator boot, 7 teeth

1шт.

29

Q1443

KEY,5/16" Sq x 1 1/2", Par

- parallel, 5/16 x 1-1/2 inch

1шт.

30

186165C1

SPACER

- head sprocket, left, 1-1/32 x 1-5/16 x 3-1/4 inch

1шт.

31

PO27260

SPACER,1" Pipe x 2"

- head sprocket, right 1-1/32 x 1-5/16 x 2 inch

1шт.

32

80074C1

SPACER

- boot sprocket, 1-9/32 x 1-1/2 x 1-13/16 inch

1шт.

33

25710R1

WASHER

- flat, 17/32 x 1 x 7/64 inch

4шт.

34

135270

SERRATED SCREW,5/16" - 18 x 3/4"

- slotted truss head, 5/16 NC x 3/4 inch

25шт.

Выбрано товаров: 40