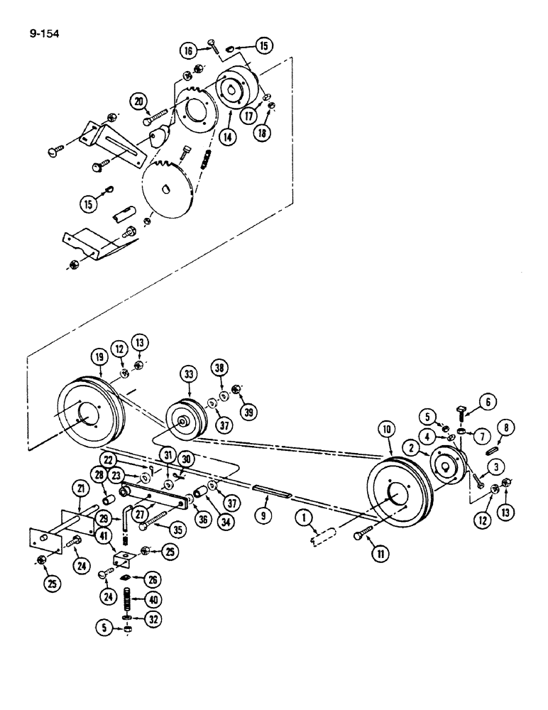
Запчасти Case IH 1620 (9-154) - TAILINGS ELEVATOR DRIVE (16) - GRAIN ELEVATORS & AUGERS

Схема запчастей Case IH 1620 - (9-154) - TAILINGS ELEVATOR DRIVE (16) - GRAIN ELEVATORS & AUGERS
24
29
9
12
2
25
5
37
37
18
17
16
24
6
30
19
8
21
39
35
5
15
12
13
23
14
22
28
15
7
38
13
11
10
3
32
33
4
26
27
34
41
36
25
40
20
31
1
FIT
1:1
100%

Артикул

Название

Примечание

Количество

1

REF

INSTRUCTION

JACKSHAFT - elevator

1шт.

2

182650C1

HUB

- drive

1шт.

3

113-412

BOLT,Hex, 1/2" - 13 x 1-3/4", Gr 5

1шт.

4

192-23

LOCK WASHER,1/2"

WASHER, LOCK, 1/2"

2шт.

5

129-105

NUT,Hex, 1/2" - 13, Gr 5

3шт.

6

178758

SET SCREW,Sq Hd, 5/16" - 18 x 3/4", Cup Pt

BOLT - square head set, 5/16 NC x 3/4 inch

3шт.

7

25932R1

JAM NUT,Jam, 3/8"-16, G5

- hex, 5/16 inch NC

1шт.

8

586879R1

KEY

- parallel, 5/16 x 2 inch

1шт.

9

674965R1

V-BELT,0.879" W x 105.19" L

Drive 0.879" W x 105.19" L

1шт.

10

1303018C1

PULLEY ASSY.

PULLEY - drive, 9-3/4 inch

1шт.

11

113-103

BOLT,Hex, 5/16" - 18 x 1", Gr 5

4шт.

12

192-20

LOCK WASHER,Helical Spring, 0.318" ID, CST, ZND

WASHER, LOCK, 5/16"

8шт.

13

9635082

NUT,5/16" - 18, Gr 5

10шт.

14

182563C1

HUB

- driven

1шт.

15

126-124

WOODRUFF KEY,#15, 1/4" x 1", HT

2шт.

16

113-257

BOLT,Hex, 3/8" - 16 x 2-1/2", Gr 5

1шт.

17

192-21

LOCK WASHER,3/8"

WASHER, LOCK, 3/8"

1шт.

18

129-103

NUT,Hex, 3/8" - 16, Gr 5

NUT, 3/8"-16, G5

1шт.

19

1303020C1

PULLEY

- driven, 10-1/2 inch OD

1шт.

20

113-111

BOLT,Hex, 5/16" - 18 x 2-1/2", Gr 5

4шт.

21

181321C1

PIVOT ASSY.

PIVOT - tightener

1шт.

22

132-336

COTTER PIN,1/8" x 1 1/2"

PIN, SPLIT (COTTER), 1/8" x 1 1/2"

1шт.

23

178375R1

WASHER

- flat, 25/32 x 1-1/4 x 3/64 inch

3шт.

24

135270

SERRATED SCREW,5/16" - 18 x 3/4"

- slotted, 5/16 NC x 3/4 inch

10шт.

25

938017R1

FLANGE NUT,Flg, USR, 5/16"-18

- hex, 5/16 inch NC

11шт.

26

194652C1

PIVOT

BAR - tightener

1шт.

27

181318C91

ARM ASSY.

ARM ASSEMBLY - tightener, Includes: Ref. 28

1шт.

28

574859R1

BUSHING

- arm

1шт.

29

1303182C1

ROD

- tightener

1шт.

30

132-312

COTTER PIN,3/16" x 1 1/4"

PIN, SPLIT (COTTER), 3/16" x 1 1/4"

1шт.

31

25710R1

WASHER

- flat, 17/32 x 1-1/16 x 5/64 inch

1шт.

32

22770R1

WASHER

- flat, 17/32 x 1-1/2 x 11/64 inch

1шт.

33

181126C91

PULLEY

- tightener, 6 inch OD

1шт.

34

UA17298

SPACER,7/8" Tube x 1 1/16"

BUSHING - pulley

1шт.

35

113-601

BOLT,Hex, 5/8" - 11 x 3", Gr 5

1шт.

36

195-108

WASHER,5/8"

- flat, 11/16 x 1-3/4 x 7/64 inch

1шт.

37

25976R1

WASHER,21/32" x 1 5/16" x .150", HDN

- flat, 21/32 x 1-5/16 x 5/64 inch

2шт.

38

192-25

LOCK WASHER,5/8"

WASHER, LOCK, 5/8"

1шт.

39

129-107

NUT,5/8"-11, G5

1шт.

40

PO23

SPRING

- tightener

1шт.

41

181324C1

SUPPORT

ANGLE - spring

1шт.

Выбрано товаров: 41