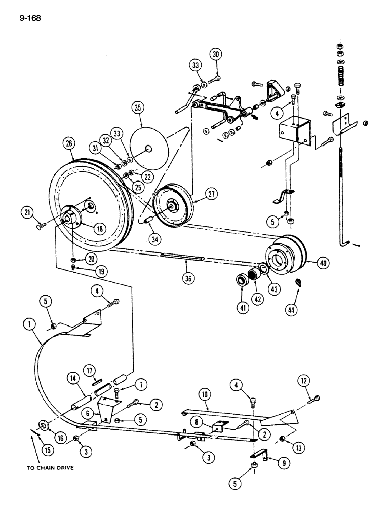
Запчасти Case IH 1620 (9-168) - GRAIN TANK UNLOADER BELT DRIVE (17) - GRAIN TANK & UNLOADER

Схема запчастей Case IH 1620 - (9-168) - GRAIN TANK UNLOADER BELT DRIVE (17) - GRAIN TANK & UNLOADER
18
5
36
4
3
9
41
26
4
12
27
34
17
2
32
2
35
8
13
4
14
20
10
30
1
5
43
22
33
16
25
31
21
19
7
5
6
15
42
44
33
3
5
40
FIT
1:1
100%

Артикул

Название

Примечание

Количество

1

195168C2

GUIDE

- belt, unloader

1шт.

2

202107C1

BOLT,Hex Serr Flg, 5/16" - 18 x 3/4"

- hex flange lock, 5/16 NC x 3/4 inch

2шт.

3

938017R1

FLANGE NUT,Flg, USR, 5/16"-18

- hex flange lock, 5/16 inch NC

2шт.

4

154273C1

BOLT,Hex Serr, 3/8" - 16 x 1", Spcl

SCREW - lock, 3/8 NC x 1 inch

6шт.

5

482256R1

BEARING LOCK NUT,Flg, USR, 3/8"-16

- hex flange lock, 3/8 inch NC

6шт.

6

192870C1

SUPPORT

ANGLE - support, front

1шт.

7

165420C1

BOLT,Hex Serr, 3/8"-16 x 1 1/4", Spcl

- hex lock, 3/8 NC x 1-1/4 inch

2шт.

8

195416C1

SUPPORT

ANGLE - support, center

1шт.

9

186059C1

ANGLE

- support, lower rear

1шт.

10

193716C1

SUPPORT ASSY.

GUIDE - belt, upper

1шт.

12

113-417

BOLT,Hex, 1/2" - 13 x 1-1/4", Gr 5, Full Thd

1шт.

13

536051R1

LOCK NUT

- hex lock, 1/2 inch NC

1шт.

14

1321166C1

SHAFT

- vertical

1шт.

15

132-347

COTTER PIN,1/4" x 1"

PIN, SPLIT (COTTER), 1/4" x 1 1/2"

1шт.

16

20885R1

WASHER

- flat, 1-5/32 x 1-3/4 x 3/64 inch

1шт.

17

586879R1

KEY

- square parallel, 5/16 x 2 inch

1шт.

18

192882C1

HUB

- pulley, driven

1шт.

19

107327

SET SCREW,Sq Hd, 5/16"-18 x 1"

SCREW - square head set, 5/16 NC x 1 inch

1шт.

20

NLS

NO LONGER SERVICED

- hex jam, 5/16 inch NC

1шт.

21

550796R1

CARRIAGE BOLT,3/8" - 16 x 1 1/4", Grade 5

BOLT - round head square head, 3/8 NC x 1-1/4 inch

3шт.

22

129-103

NUT,Hex, 3/8" - 16, Gr 5

NUT, 3/8"-16, G5

3шт.

25

192-21

LOCK WASHER,3/8"

WASHER, LOCK, 3/8"

3шт.

26

192967C1

PULLEY ASSY.

PULLEY - driven

1шт.

27

663887R91

PULLEY,203.2mm Idler Dia x 214.63mm OD x 48.42mm W

- tightener, belt

1шт.

30

113-647

BOLT,Hex, 5/8" - 11 x 5", Gr 5

- hex, 5/8 NC x 5 inch

1шт.

31

129-107

NUT,5/8"-11, G5

1шт.

32

192-25

LOCK WASHER,5/8"

WASHER, LOCK, 5/8"

1шт.

33

25711R1

WASHER

- flat, 21/32 x 1-5/16 x 5/32 inch

2шт.

34

568005R1

SPACER,7/8" Tube x 1 3/8"

- shield, pulley

1шт.

35

186483C1

GUARD ASSY.

SHIELD - pulley

1шт.

36

195143C1

BELT,22.33 mm W x 3436.69 mm L

V-BELT , Drive, Unloader 22.33 mm W x 3436.69 mm L

1шт.

40

192945C91

PULLEY ASSY.

PULLEY ASSEMBLY - drive, pump, Includes: Ref. 41 - 43

1шт.

41

658089R91

BALL BEARING,30mm ID x 62mm OD x 16mm W

BEARING ASSEMBLY - ball

1шт.

42

191213C91

NEEDLE BEARING,41.275 mm ID x 50.812 mm OD x 25.4 mm

BEARING ASSEMBLY - pulley

1шт.

43

466176R92

SEAL

- pulley

1шт.

44

219-87

LUBE NIPPLE,1/4" - 28 NPTF

NIPPLE, LUBE, 1/4"-28 x .56" lg, Self-Tap

1шт.

Выбрано товаров: 36