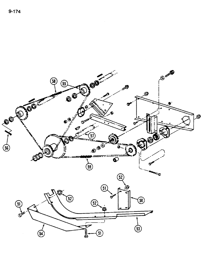
Запчасти Case IH 1620 (9-174) - GRAIN TANK UNLOADER CHAIN DRIVE (CONTD) (17) - GRAIN TANK & UNLOADER

Схема запчастей Case IH 1620 - (9-174) - GRAIN TANK UNLOADER CHAIN DRIVE (CONTD) (17) - GRAIN TANK & UNLOADER
54
52
52
51
56
53
50
55
52
59
57
58
51
51
FIT
1:1
100%

Артикул

Название

Примечание

Количество

50

1302435C1

SUPPORT

- shield

1шт.

51

477-73108

SERRATED SCREW,Sl Truss Hd, 5/16" - 18 x 1/2"

- slotted truss head, 5/16 NC x 1/2 inch

8шт.

52

938017R1

FLANGE NUT,Flg, USR, 5/16"-18

- hex flange, 5/16 inch NC

8шт.

53

1302434C1

SHIELD

- unloader

1шт.

54

183351C1

PLATE

- side

1шт.

55

192925C1

SPROCKET

- auger driven, 37 teeth

1шт.

56

132-349

COTTER PIN,1/4" x 1 1/2"

PIN, Split (Cotter), 1/4" x 1-1/2"

2шт.

57

REF

INSTRUCTION

SHAFT - horizontal auger, see Figure 9-176

1шт.

58

NSS

NOT SOLD SEPARAT

CHAIN - grain tank auger drive (Use 157 links from 10 foot roll marked 1791D and 1 connecting link 1301D)

1шт.

59

NSS

NOT SOLD SEPARAT

CHAIN - vertical auger drive (Use 128 links from 10 foot roll marked 1791D, 1 offset link 1315D and two connecting links 1310D)

1шт.

Выбрано товаров: 10