Запчасти Case IH 1620 (7-010) - MASTER BRAKE CYLINDER (5.1) - BRAKES

Схема запчастей Case IH 1620 - (7-010) - MASTER BRAKE CYLINDER (5.1) - BRAKES
19
11
15
21
10
17
2
6
5
8
12
13
1
16
18
14
3
7
20
9
4
FIT
1:1
100%

Артикул

Название

Примечание

Количество

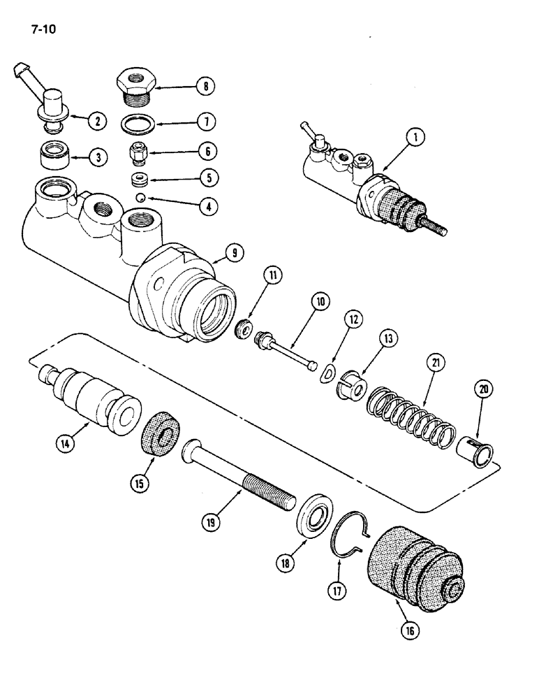
1

1281884C91

MASTER CYLINDER,37mm Stroke

ASSEMBLY - master brake, Includes: Ref. 2 - 4

1шт.

2

85108C1

SEAL KIT

CONNECTOR KIT - inlet port, Includes: Ref. 3

1шт.

3

NSS

NOT SOLD SEPARAT

SEAL - adapter

1шт.

Part of Master Cylinder Repair Kit P/N 1288941C91

1шт.

4

NSS

NOT SOLD SEPARAT

BALL - valve

1шт.

Part of Master Cylinder Repair Kit P/N 1288941C91

1шт.

5

NSS

NOT SOLD SEPARAT

SEAL - flow valve

1шт.

Part of Master Cylinder Repair Kit P/N 1288941C91

1шт.

6

NSS

NOT SOLD SEPARAT

VALVE - flow (Order 1281884C91)

1шт.

7

NSS

NOT SOLD SEPARAT

GASKET - adapter

1шт.

Part of Master Cylinder Repair Kit P/N 1288941C91

1шт.

8

NSS

NOT SOLD SEPARAT

ADAPTER - flow valve (Order 12881884C91)

1шт.

9

NSS

NOT SOLD SEPARAT

BODY - cylinder (Order 1281884C91)

1шт.

10

NSS

NOT SOLD SEPARAT

STEM - valve (Order 1281884C91), Includes: Ref. 11 - 21

1шт.

11

NSS

NOT SOLD SEPARAT

SEAL - center valve

1шт.

Part of Master Cylinder Repair Kit P/N 1288941C91

1шт.

12

NSS

NOT SOLD SEPARAT

WASHER - curved

1шт.

Part of Master Cylinder Repair Kit P/N 1288941C91

1шт.

13

NSS

NOT SOLD SEPARAT

SPACER - valve (Order 1281884C91)

1шт.

14

NSS

NOT SOLD SEPARAT

PLUNGER - cylinder (Order 1281884C91)

1шт.

15

NSS

NOT SOLD SEPARAT

SEAL - gland

1шт.

Part of Master Cylinder Repair Kit P/N 1288941C91

1шт.

16

85109C1

BELLOWS

BOOT - master brake cylinder

1шт.

Part of Master Cylinder Repair Kit P/N 1288941C91

1шт.

17

NSS

NOT SOLD SEPARAT

RING - retaining

1шт.

Part of Master Cylinder Repair Kit P/N 1288941C91

1шт.

18

NSS

NOT SOLD SEPARAT

WASHER - retaining (Order 1281884C91)

1шт.

19

NSS

NOT SOLD SEPARAT

ROD - push (Order 1281884C91)

1шт.

20

NSS

NOT SOLD SEPARAT

RETAINER - spring (Order 1281884C91)

1шт.

21

NSS

NOT SOLD SEPARAT

SPRING - return (Order 1281884C91)

1шт.

1288941C91

PACKAGE, REPAIR

REPAIR KIT - master cylinder, Includes: Ref. 3, 4, 5, 7, 11, 12, 15, 16 and 17

1шт.

Выбрано товаров: 0