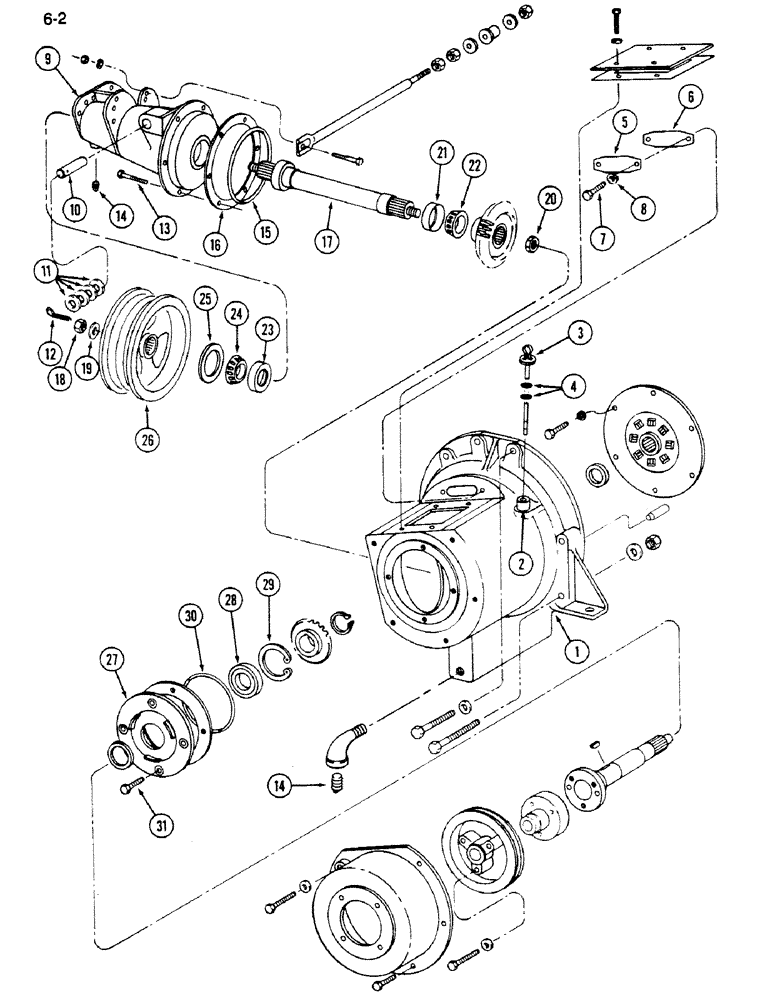
Запчасти Case IH 1620 (6-002) - POWER TAKEOFF DRIVE (03) - POWER TRAIN

Схема запчастей Case IH 1620 - (6-002) - POWER TAKEOFF DRIVE (03) - POWER TRAIN
4
26
10
16
7
25
21
9
6
31
20
23
12
27
13
14
19
24
2
17
3
28
30
14
5
11
1
29
22
18
15
8
FIT
1:1
100%

Артикул

Название

Примечание

Количество

1

188075C92

HOUSING

ASSEMBLY - power takeoff drive, Includes: Ref. 2

1шт.

2

188072C1

TUBE,25.4 mm OD, 127 mm Length

- oil gauge

1шт.

3

188073C91

DIPSTICK

GAUGE ASSEMBLY - oil level, Includes: Ref. 4

1шт.

4

350684R1

O-RING,0.139" Thk x 0.734" ID, -210, Cl 5, 75 Duro

- oil level gauge, 1 x 3/4 inch, Class 5

2шт.

5

185056C1

COVER

- bolt hole

1шт.

6

185057C1

GASKET

- bolt hole cover

1шт.

7

113-204

BOLT,Hex, 3/8" - 16 x 1/2", Gr 5, Full Thd

2шт.

8

192-21

LOCK WASHER,3/8"

WASHER, LOCK, 3/8"

2шт.

9

195461C93

HOUSING

ASSEMBLY - separator drive, Includes: Ref. 10

1шт.

10

195439C2

PIN,25.29mm OD x 101.6mm L

- separator drive housing

1шт.

11

609836R1

WASHER

- flat, 1-1/32 x 1-3/4 x 3/64 inch

4шт.

12

132-349

COTTER PIN,1/4" x 1 1/2"

PIN, Split (Cotter), 1/4" x 1-1/2"

1шт.

13

20537R1

BOLT,Hex, 3/8" - 16 x 1 1/4", Gr 8

- hex, 3/8 NC x 1-1/4 inch, Grade 8

6шт.

14

50057K

PLUG

- square head pipe, 1/2 inch PT

2шт.

15

188279C1

O-RING,0.139" Thk x 7.984" ID, -266, Cl 6, 90 Duro

- separator housing, 8 x 8-1/4 x 1/8 inch

1шт.

188195C1

SHIM KIT

- housing separator, Includes: Ref. 16

1шт.

16

NSS

NOT SOLD SEPARAT

SHIM - separator housing, 0.005 inch

1шт.

16

NSS

NOT SOLD SEPARAT

SHIM - separator housing, 0.007 inch

1шт.

16

NSS

NOT SOLD SEPARAT

SHIM - separator housing, 0.010 inch

1шт.

16

NSS

NOT SOLD SEPARAT

SHIM - separator housing, 0.030 inch

1шт.

17

191459C1

SHAFT ASSY.

SHAFT - separator drive

1шт.

18

18521R1

LOCK NUT,1"-14, G8

NUT - hex prevailing torque, 1 inch NF

1шт.

19

25550R1

WASHER,1 1/16" x 2" x .219", HDN

- flat, 1-1/16 x 2 x 7/32 inch

2шт.

20

194737C1

LOCK NUT

- hex, 1 inch NF

1шт.

21

ST987

BEARING CUP

CUP - bearing, separator housing, rear, 3.265 inch OD

1шт.

22

300426R91

BEARING ASSY,45.618 mm ID x 25.4 mm

CONE - bearing, separator housing, rear, 1.796 inch ID

1шт.

23

376463C1

BEARING CUP

CUP - bearing, separator housing, front, 3.228 inch OD

1шт.

24

533729R91

ROLLER BEARING,1.968" ID x 3.2283" OD x 0.8465"

CONE - bearing, separator housing, front, 2 inch ID

1шт.

25

194051C1

SEAL,63.42mm ID x 82.8mm OD x 11mm Thk

- separator housing

1шт.

26

191461C1

PULLEY,110mm OD

- separator drive, 11 inch OD

1шт.

27

192817C2

FLANGE,92.02 mm ID x 241.249 mm OD x 54.61 mm

HUB - drive shaft bearing

1шт.

28

ST297

BEARING, BALL

BEARING - ball, drive shaft, 4.72 inch OD

1шт.

29

27822R1

SNAP RING,4.78", Int, #475

RING - internal retaining, 5.213 inch

1шт.

30

876086C1

O-RING,0.139" Thk x 6.48" ID, -260, Cl 8, 90 Duro

- drive shaft bearing, 6-1/2 x 6-3/4 x 1/8 inch

1шт.

31

20537R1

BOLT,Hex, 3/8" - 16 x 1 1/4", Gr 8

- hex, 3/8 NC x 1-1/4 inch, Grade 8

4шт.

Выбрано товаров: 35