Запчасти Case IH 1620 (6-006) - POWER TAKEOFF DRIVE (CONTD) (03) - POWER TRAIN

Схема запчастей Case IH 1620 - (6-006) - POWER TAKEOFF DRIVE (CONTD) (03) - POWER TRAIN
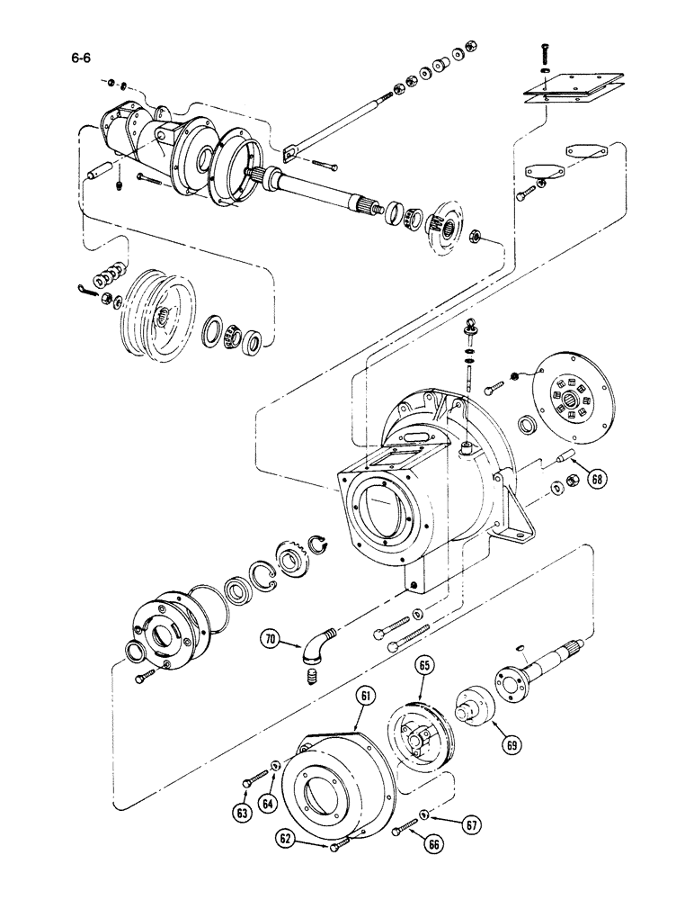
63
68
66
62
61
69
67
65
70
64
FIT
1:1
100%

Артикул

Название

Примечание

Количество

61

1303141C1

HOUSING

- hydrostatic pump mounting

1шт.

62

113-417

BOLT,Hex, 1/2" - 13 x 1-1/4", Gr 5, Full Thd

3шт.

63

113-412

BOLT,Hex, 1/2" - 13 x 1-3/4", Gr 5

2шт.

64

283856C1

WASHER

- flat, 17/32 x 1 x 3/16 inch

2шт.

65

1302923C1

PULLEY

- auxiliary pump drive, 9-1/4 inch OD

1шт.

66

168392R1

BOLT,Hex, 1/2" - 13 x 2 1/2", Gr 8

- hex, 1/2 NC x 2-1/2 inch, Grade 8

3шт.

67

25710R1

WASHER

- flat, 1/32 x 1-1/16 x 5/64 inch

3шт.

68

375362R1

PIN,12.69mm OD x 34.8mm L

- rear mounting dowel

2шт.

69

196482C2

HUB

- pump pulley

1шт.

70

108686

ELBOW,90 Degree, 1/2" NPT Street

- 90 degree street, 1/2 inch PT

1шт.

Выбрано товаров: 10