Запчасти Case IH 1620 (6-038) - TRANSMISSION MAIN SHAFT (03) - POWER TRAIN

Схема запчастей Case IH 1620 - (6-038) - TRANSMISSION MAIN SHAFT (03) - POWER TRAIN
22
5
4
11
3
21
14
13
5
8
2
1
16
18
15
8
6
10
7
19
12
1
1
20
23
1
4
9
17
FIT
1:1
100%

Артикул

Название

Примечание

Количество

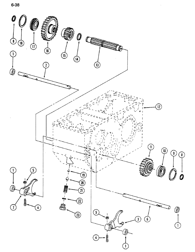
1

G10450

OIL SEAL,19.05mm ID x 31.85mm OD x 6.35mm Thk

- oil, shifter rail

4шт.

2

121796C2

RAIL

- second gear shifter

1шт.

3

574904R1

FORK

- second and reverse gear shifter

1шт.

4

573985R1

SET SCREW,Sq Hd, 3/8"-24 x 1"

SCREW - set, shifter fork

2шт.

5

129-653

NUT,#10-32

- hex jam, 3/8 inch NF

2шт.

6

63893C2

RAIL

- first and third gear shifter

1шт.

7

395656R1

FORK

- first and third gear shifter

1шт.

8

370504R1

RING

- snap, transmission main shaft, 1.063 inch ID

2шт.

9

ST421

SNAP RING,1.65mm Thk, Ext

RING - snap, transmission main shaft, 2.337 inch ID

1шт.

10

379475R91

BEARING, ROLLER, CYL,30mm ID x 62.03mm OD x 16mm W

- transmission main shaft, right (Straight roller) 2.442 inch OD

1шт.

11

402841R1

GEAR

- second speed drive, 26 teeth

1шт.

12

REF

INSTRUCTION

CASE - transmission, see Figure 6-044

1шт.

13

1276989C4

SHAFT

- transmission main

1шт.

14

A21619

CIRCLIP

RING - snap, transmission main shaft bearing

1шт.

15

395649R1

GEAR

- first speed drive, 18 teeth

1шт.

16

379495R1

GEAR

- input drive, 44 teeth

1шт.

17

ST364

BALL BEARING,30mm ID x 62mm OD x 16mm W

BEARING - transmission main shaft, left 2.440 inch OD

1шт.

18

404207R1

RING,61.6mm ID x 68.4mm OD x 2.54mm Thk

- transmission case square seal

1шт.

19

17014R1

BALL

- shift detent, 7/16 inch

2шт.

20

17016R1

BALL,1/2" Dia

Shift detent 1/2" Dia

2шт.

21

64600C1

SPRING

- shift detent ball

2шт.

23

9410358

PLUG

- o-ring boss, 9/16 inch NF

2шт.

22

237-6006

O-RING,0.078" Thk x 0.468" ID, -906, Cl 6, 90 Duro

6-1, 90 Duro, .468" ID x .078" Thk, 3/4 OD tube

1шт.

Выбрано товаров: 23