Запчасти Case IH 1620 (4-64) - WINDSHIELD WIPER MOTOR (06) - ELECTRICAL

Схема запчастей Case IH 1620 - (4-64) - WINDSHIELD WIPER MOTOR (06) - ELECTRICAL
14
16
9
11
2
8
10
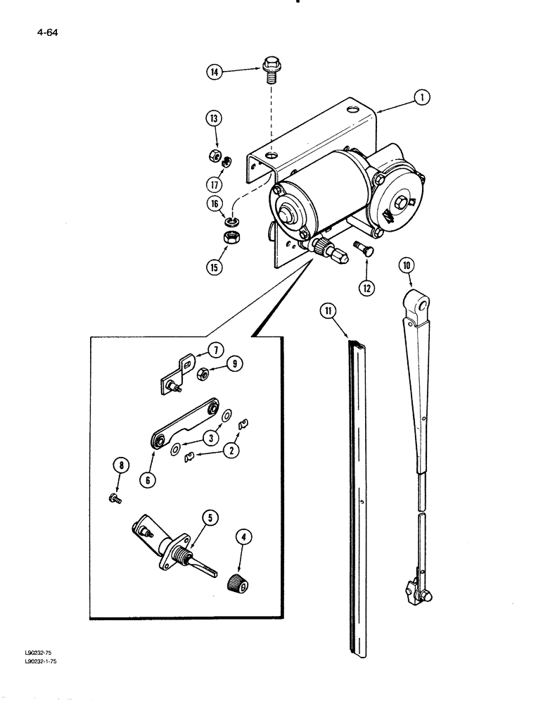
1
15
13
6
3
7
12
5
4
17
FIT
1:1
100%

Артикул

Название

Примечание

Количество

1

1276130C92

WIPER MOTOR

WIPER ASSEMBLY - windshield (With mounting bracket), Includes: Ref. 2 - 9 and motor assembly P/N F96765

1шт.

F96765

WIPER MOTOR

MOTOR ASSEMBLY - wiper, without bracket

1шт.

2

739487C1

CLIP

- spring

2шт.

3

148074R1

WASHER

- link

2шт.

4

1267556C1

BUTTON

NUT - knurled drive

1шт.

5

196796C1

SHAFT ASSY.

SHAFT AND PIVOT ASSEMBLY - wiper

1шт.

6

260514C91

LINK

ASSEMBLY - connecting

1шт.

7

A36091

ARM

ASSEMBLY - drive

1шт.

8

118129C1

SCREW

- shaft

2шт.

9

27122R1

LOCK NUT,1/4"-28, GC

NUT - retainer

1шт.

10

1321282C1

ARM

- wiper, 18 inch

1шт.

11

1327520C1

WIPER BLADE

BLADE - wiper, 22 inch

1шт.

12

111-111

CARRIAGE BOLT,Short NK, 1/4"-20 x 1", G2

BOLT, CARRIAGE, Short NK, 1/4"-20 x 1", G2

1шт.

13

7770

NUT,Hex, 1/4 - 20, Cl 5

1/4"-20, G5

2шт.

14

1327763C1

SCREW,Hex Wshr Hd, 3/8" - 16 x 3/4"

BOLT - hex washer head, 3/8 x 3/4 inch

2шт.

15

129-103

NUT,Hex, 3/8" - 16, Gr 5

NUT, 3/8"-16, G5

2шт.

16

192-21

LOCK WASHER,3/8"

WASHER, LOCK, 3/8"

2шт.

17

192-19

LOCK WASHER,Helical Spring, 0.256" ID, CST, ZND

WASHER, LOCK, 1/4"

2шт.

Выбрано товаров: 18