Запчасти Case IH 1620 (9G-18) - OPERATORS CAB (10) - CAB & AIR CONDITIONING

Схема запчастей Case IH 1620 - (9G-18) - OPERATORS CAB (10) - CAB & AIR CONDITIONING
9
27
22
2
15
19
30
1
13
16
3
7
3
16
10
4
12
24
17
29
21
23
20
8
31
11
24
14
26
17
26
18
24
28
5
25
6
FIT
1:1
100%

Артикул

Название

Примечание

Количество

1

1327763C1

SCREW,Hex Wshr Hd, 3/8" - 16 x 3/4"

- hex washer head, 3/8 NC x 3/4 inch

8шт.

2

1327764C1

BOLT,Hex Wshr Hd, 3/8" - 16 x 1 1/4"

- hex washer head, 3/8 NC x 1-1/4 inch

8шт.

3

1327765C1

LOCK NUT

- flange lock, 3/8 inch

18шт.

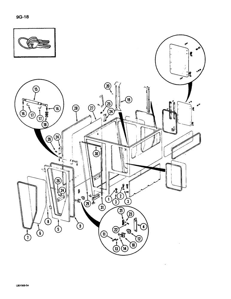
1330154C92

CAB

ASSEMBLY - operators, with heater and air conditioning, Includes: Ref. 4 - 31

1шт.

4

1329477C1

DOOR

ASSEMBLY - cab, Includes: Ref. 5 - 14

1шт.

5

NSS

NOT SOLD SEPARAT

DOOR ASSEMBLY - cab (Order 1329477C1)

1шт.

6

198184C1

GLASS

- cab door

1шт.

7

NSS

NOT SOLD SEPARAT

STRIP - cab door glass, 130-1/2 inch (Order 198131C2, Serial Range: cut-length)

1шт.

8

NSS

NOT SOLD SEPARAT

STRIP - cab door front, 52 inch (Order 198522C1, Serial Range: cut-length)

1шт.

9

NSS

NOT SOLD SEPARAT

STRIP - cab door top and bottom, 118 inch (Order 198522C1, Serial Range: cut-length)

1шт.

1970178C1

SET OF 2 KEYS

KEY - cab door, locking (Not Shown)

1шт.

1329468C1

HANDLE

ASSEMBLY - door inside lock, Includes: Ref. 10 - 14

1шт.

10

1329440C1

HANDLE

ASSEMBLY - door outside lock

1шт.

1329441C1

GASKET

- door latch

1шт.

11

28595R1

SCREW

- machine, No. 10-32 x 3/4 inch

2шт.

12

1329443C1

LATCH

ASSEMBLY - door inside

1шт.

1329442C1

HANDLE

- door, inside

1шт.

13

187-1740

SELF-TAP SCREW,Truss Hd, #10 x 3/4"

SCREW - truss head, No. 10-32 x 3/4 inch

4шт.

14

493-41020

LOCK WASHER,Ext Tooth, #10

WASHER - star

4шт.

28388R1

HOLE PLUG BUTTON,27/32"

PLUG - button, 27/32 inch hole

1шт.

15

1280157C1

GAS STRUT

GAS SPRING - door control

1шт.

16

F44882

BALL

STUD - ball

2шт.

17

1304647C1

CLIP

- retainer

2шт.

18

131-1215

LOCK NUT,5/16"-18, GC

NUT, LOCK, 5/16"-18, GC

1шт.

19

1276305C1

SUPPORT

ASSEMBLY - hose cover, left

1шт.

20

187-1012

SELF-TAP SCREW,Slotted Pan Hd, #10 x 3/8"

SCREW - No. 10 x 3/8 inch

6шт.

21

392801R2

CATCH

STRIKER - door catch

1шт.

22

442-1258

SCREW,Cross Oval Hd, 1/4"-20 x 1/2"

- oval head, 1/4 NC x 1/2 inch

2шт.

23

493-51026

LOCK WASHER,Ext Csk Tooth, 1/4"

WASHER - external lock, 1/4 inch

2шт.

24

196742C2

SUPPORT

- windshield retainer

7шт.

25

313-58

BOLT,Hex, 5/16" - 18 x 1/2", Gr 5

- hex, 5/16 NC x 1/2 inch

2шт.

26

25228R1

BOLT,Hex, 5/16" - 18 x 3/4", Gr 8

- 5/16 NC x 3/4 inch

8шт.

27

198242C1

GLASS

- cab windshield

1шт.

28

NSS

NOT SOLD SEPARAT

STRIP - windshield glass, 225 inch (Order 198131C2, Serial Range: cut-length)

1шт.

29

NSS

NOT SOLD SEPARAT

STRIP - cab door opening front, 54 inch (Order 1330108C2, Serial Range: cut-length)

1шт.

30

NSS

NOT SOLD SEPARAT

STRIP - cab door opening top, 26 inch (Order 1330108C2, Serial Range: cut-length)

1шт.

31

NSS

NOT SOLD SEPARAT

STRIP - cab door opening rear, 54 inch (Order 1330108C2, Serial Range: cut-length)

2шт.

Выбрано товаров: 37