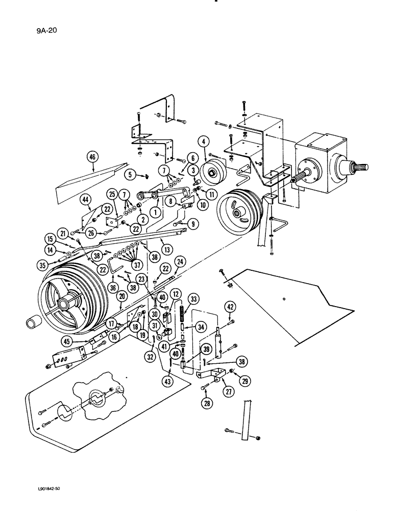
Запчасти Case IH 1620 (9A-20) - FEEDER DRIVE, WITH ROCK TRAP (13) - FEEDER

Схема запчастей Case IH 1620 - (9A-20) - FEEDER DRIVE, WITH ROCK TRAP (13) - FEEDER
33
1
41
27
2
10
32
14
30
23
17
45
38
22
20
5
35
7
7
31
8
15
35
38
28
46
21
40
34
4
25
13
6
39
37
24
22
16
9
38
43
40
11
44
22
12
19
42
26
18
22
29
3
36
FIT
1:1
100%

Артикул

Название

Примечание

Количество

1

1315090C91

LEVER

ASSEMBLY - drive idler, Includes: Ref. 2 - 4

1шт.

2

186431C1

BUSHING

- idler lever

2шт.

3

559205R91

BEARING ASSY,15.92 mm ID x 30 mm OD x 82.55 mm

- idler lever pulley

1шт.

4

1315091C1

PULLEY

- idler, 6-1/2 inch O.D.

1шт.

5

80717

LUBE NIPPLE,45 Degree, 1/8" NPT x 7/8" lg

NIPPLE, LUBE, 45º, 1/8" NPT x 7/8" lg

1шт.

6

432-1620

COTTER PIN,1/4" x 1 1/4"

Pin, Split (Cotter), 1/4" x 1 1/4"

1шт.

7

495-81056

WASHER,29/32" x 1 1/2" x 3/64

- flat, 29/32 x 1-1/2 x 3/64 inch

6шт.

8

1315093C1

BRACKET

SUPPORT - upper belt guide

1шт.

9

413-1040

BOLT,Hex, 5/8" - 11 x 2-1/2", Gr 5

- hex, 5/8 NC x 2-1/2 inch

1шт.

10

492-11062

BEARING WASHER,5/8"

WASHER, LOCK, 5/8"

1шт.

11

425-1010

NUT,5/8"-11, G5

1шт.

12

1315097C1

SLIDE

CHANNEL - tightener

1шт.

13

1315170C1

BRACKET

GUIDE - belt

1шт.

14

496-21053

WASHER,17/32" x 1 1/16" x .134"

- flat, 17/32 x 1-1/16 x 1/8 inch, hardened

1шт.

15

432-1216

COTTER PIN,3/16" x 1"

1шт.

16

1315098C1

BRACKET

SUPPORT - belt guide, rear

1шт.

17

426-816

BOLT,Hex, 1/2" - 13 x 1", Gr 8

- hex, 1/2 NC x 1 inch, Grade 8

3шт.

18

495-81025

WASHER,13.49mm ID x 31.75mm OD x 4.93mm Thk

- flat, 17/32 x 1-1/4 x 5/32 inch

3шт.

19

195312C1

FLANGE NUT,Flg, USR, 1/2"-13, G8

- hex, 1/2 inch NC, Grade 8

3шт.

20

1315096C1

BRACKET

GUARD - drive belt

1шт.

21

187620C1

BOLT,Hex Serr Flg, 3/8" - 16 x 1 1/2"

- hex flange, 3/8 NC x 1-1/2 inch

2шт.

22

482256R1

BEARING LOCK NUT,Flg, USR, 3/8"-16

- hex, 3/8 inch NC

24шт.

23

477-73812

SERRATED SCREW,Truss HD, 3/8" - 16 x 3/4"

- slotted truss, 3/8 NC x 1 inch

8шт.

24

1315169C1

V-BELT,3771.7 mm L

Feeder Drive 3771.7 mm L

1шт.

25

186866C1

SUPPORT ASSY.

SUPPORT - idler pivot

1шт.

26

477-73816

SERRATED SCREW,Sl Truss Hd, 3/8" x 1"

- slotted truss, 3/8 NC x 1 inch

12шт.

27

194369C2

SUPPORT

- cylinder

1шт.

28

413-816

BOLT,Hex, 1/2" - 13 x 1", Gr 5

2шт.

29

131-930

FLANGE NUT,Hex Serr, 1/2" - 13, Gr 5

- hex flange lock, 1/2 inch NC

2шт.

30

186853C1

PIVOT

- spring rod

1шт.

31

495-81225

WASHER,1 17/32" x 2 1/2" x .060"

- flat, 1-17/32 x 2-1/2 x 3/64 inch

1шт.

32

432-1240

COTTER PIN,3/16" x 2 1/2"

3/16" x 2 1/2"

1шт.

33

186745C1

SPRING

- tightener rod

1шт.

34

186472C2

TUBE,0.875" OD, 320 mm Length

- spring rod

1шт.

35

186873C1

HINGE

- pivot

1шт.

36

186874C1

ROD

- retainer

1шт.

37

495-81129

WASHER,13/32" x 3/4" x .120"

- flat, 13/32 x 3/4 x 7/64 inch

6шт.

38

432-812

COTTER PIN,3/4" OAL x 1/8" W

PIN, SPLIT (COTTER), 1/8" x 3/4"

5шт.

39

194216C2

ROD

- tightener

1шт.

40

425-108

NUT,1/2" - 13, Gr 5

NUT, , Hex 1/2"-13, G5

10шт.

41

495-81163

WASHER,17/32" x 1 1/2" x .120"

- flat, 17/32 x 1-1/2 x 7/64 inch

1шт.

42

23304R1

CLEVIS PIN,3/8" x 1 9/16"

PIN, CLEVIS, 3/8" x 1 9/16"

1шт.

43

432-612

COTTER PIN,3/32" x 3/4"

PIN , SPLIT (COTTER), 3/32" x 3/4"

1шт.

44

186878C2

SUPPORT

- belt guard upper

1шт.

45

181373C1

SUPPORT ASSY.

SUPPORT - belt guard lower

1шт.

46

1322658C2

COVER ASSY

COVER - drive belt upper

1шт.

Выбрано товаров: 46