Запчасти Case IH 1620 (9A-22) - FEEDER DRIVE WITH ROCK TRAP, (CONT) (13) - FEEDER

Схема запчастей Case IH 1620 - (9A-22) - FEEDER DRIVE WITH ROCK TRAP, (CONT) (13) - FEEDER
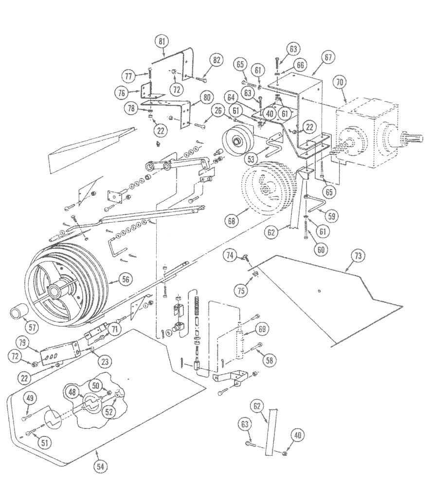
68
62
72
61
22
53
54
50
63
65
81
40
58
69
62
74
49
40
57
79
78
80
59
60
61
52
66
23
76
82
70
72
65
26
63
73
75
71
22
67
64
22
63
61
51
48
77
61
56
FIT
1:1
100%

Артикул

Название

Примечание

Количество

48

188315C1

DOOR

- drive belt

1шт.

49

413-48

BOLT,Hex, 1/4" - 20 x 1/2", Gr 5

- hex, 1/4 NC x 1/2 inch

1шт.

50

86625061

NUT,1/4"-20, GB

NUT - hex prevailing torque, 1/4 inch NC

1шт.

51

937059R1

SCREW,Serr, M10 x 70mm, Cl 10.9

- slotted truss, 1/4 NC x 1/2 inch

1шт.

52

86627130

WING NUT,1/4"-20

NUT - wing, 1/4 inch NC

1шт.

53

186444C1

ROD

- drive belt trap

1шт.

54

1303109C93

COVER ASSY

COVER ASSEMBLY - drive belt (With decal)

1шт.

56

184506C91

PULLEY ASSY.

PULLEY ASSEMBLY - feeder, Includes: Ref. 57

1шт.

57

610435C1

BUSHING,69.93mm ID x 82.65mm OD x 76.2mm L

- pulley

1шт.

58

23948R1

HEADED PIN,3/8" x 3 1/4"

PIN - clevis, 3/8 x 3-1/4 inch

1шт.

59

183233C1

ROD

- upper

1шт.

60

413-840

BOLT,Hex, 1/2" - 13 x 2-1/2", Gr 5

- hex, 1/2 NC x 2-1/2 inch

1шт.

61

80679

LOCK WASHER,1/20.507 CST ZND

WASHER, LOCK, 1/2"

9шт.

62

185328C1

SUPPORT

- gear case

1шт.

63

413-820

BOLT,Hex, 1/2" - 13 x 1-1/4", Gr 5

- hex, 1/2 NC x 1-1/4 inch

8шт.

64

185220C1

SUPPORT

- gear case lower

1шт.

65

413-828

BOLT,Hex, 1/2" - 13 x 1-3/4", Gr 5

3шт.

66

495-11053

WASHER,1/2", SAE

(17/32" x 1-1/16" x 5/64") 1/2", SAE

2шт.

67

185219C1

SUPPORT

- gear case upper

1шт.

68

REF

INSTRUCTION

PULLEY - feeder drive (See Figure 9A-4)

1шт.

69

REF

INSTRUCTION

CYLINDER - feeder clutch (See Figure 8-74)

1шт.

70

REF

INSTRUCTION

CASE ASSEMBLY - gear (See Figure 9A-18)

1шт.

71

177107C1

BOLT,Hex Serr, 1/2" - 13 x 3/4"

- hex, 1/2 NC x 3/4 inch

2шт.

72

131-930

FLANGE NUT,Hex Serr, 1/2" - 13, Gr 5

- hex flange lock, 1/2 inch NC

4шт.

73

1315089C1

GUARD

SHIELD - extension

1шт.

74

135270

SERRATED SCREW,5/16" - 18 x 3/4"

- slotted truss, 5/16 NC x 3/4 inch

3шт.

75

938017R1

FLANGE NUT,Flg, USR, 5/16"-18

- hex flange lock, 5/16 inch NC

3шт.

76

1315092C1

ANGLE

SUPPORT - shield, upper

1шт.

77

179464C1

SERRATED SCREW,Sl Truss Hd, 3/8" - 16 x 1 1/4"

- slotted truss, 3/8 NC x 1-1/4 inch

2шт.

78

495-11041

WASHER,0.406" ID x 0.812" OD x 0.065" W

(Flat, 13/32 x 13/16 x 1/16") 3/8", SAE

2шт.

79

1315083C1

SUPPORT

- shield, lower extension

1шт.

80

1324024C1

BRACKET

- pivot extension

1шт.

81

1315233C1

BRACKET

SUPPORT - belt guard

1шт.

82

174985C1

BOLT,Hex Serr, 1/2" - 13 x 1"

- hex flange, 1/2 NC x 1 inch

2шт.

Выбрано товаров: 34