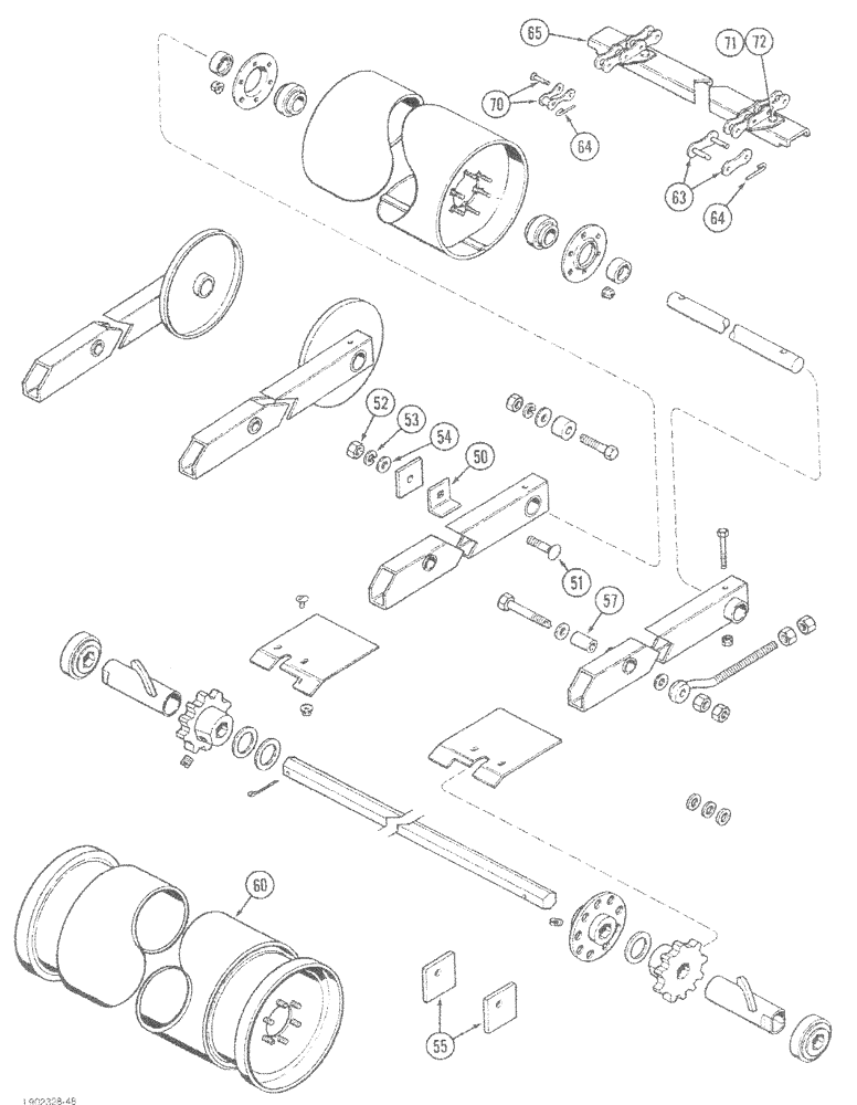
Запчасти Case IH 1620 (9A-40) - FEEDER CONVEYOR, (CONT) (13) - FEEDER

Схема запчастей Case IH 1620 - (9A-40) - FEEDER CONVEYOR, (CONT) (13) - FEEDER
55
72
51
65
52
64
70
53
57
63
60
71
50
64
54
FIT
1:1
100%

Артикул

Название

Примечание

Количество

50

187364C2

ANGLE

- stop, upper

2шт.

51

433-1036

CARRIAGE BOLT,Sq Nk, 5/8" - 11 x 2 1/4", Gr 5

BOLT - round head square neck, 5/8 NC x 2-1/4 inch

2шт.

52

425-1010

NUT,5/8"-11, G5

2шт.

53

492-11062

BEARING WASHER,5/8"

WASHER, LOCK, 5/8"

2шт.

54

498-81008

SQ HOLE WASHER,41/64" x 1 1/4" x .060", Sq Hole

- flat square hole, 21/32 x 1-1/4 x 3/64 inch

2шт.

55

187225C1

BAR

- stop, upper (With stone retarder) (With decal)

2шт.

57

187217C1

SPACER,7/8" Tube x 1 13/16"

- pivot, 7/8 x 1-13/16 inch

2шт.

60

1957439C1

DRUM

- conveyor (With stone retarder)

1шт.

63

1324294C1

LINK,40.893mm Pitch

LINK ASSEMBLY - conveyor (With riveted pins), Includes: Ref. 64

1шт.

64

1329837C1

PIN

- S Type

2шт.

65

1324281C1

LINK,A557, Links x 41.4mm = mm

LINK ASSEMBLY - conveyor

1шт.

70

1324835C1

OFFSET LINK

LINK ASSEMBLY - offset, conveyor (With roller)

1шт.

71

113-207

BOLT,Hex, 3/8" - 16 x 1", Gr 5

1шт.

72

1306680C1

FLANGE NUT

NUT - hex flange collar lock

1шт.

Выбрано товаров: 0