Запчасти Case IH 1620 (9B-30) - ROTOR VANES (14) - ROTOR, CONCANVES & SIEVE

Схема запчастей Case IH 1620 - (9B-30) - ROTOR VANES (14) - ROTOR, CONCANVES & SIEVE
2
8
4
8
7
4
6
2
11
1
10
12
4
4
4
3
8
9
10
5
5
3
13
1
4
FIT
1:1
100%

Артикул

Название

Примечание

Количество

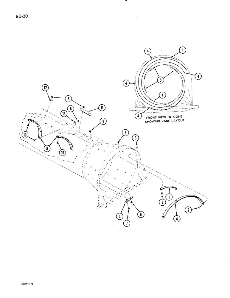
1

186984C1

EXTENSION

VANE - transition cone front

1шт.

2

135270

SERRATED SCREW,5/16" - 18 x 3/4"

- slotted truss, 5/16 NC x 3/4 inch (grain and corn)

32шт.

2

151446C1

SERRATED SCREW,Flg Lock, Sl Truss Hd, 5/16" - 18 x 1 1/4"

- slotted truss, 5/16 NC x 1-1/4 inch (rice)

32шт.

3

938017R1

FLANGE NUT,Flg, USR, 5/16"-18

- hex flange lock, 5/16 inch NC

32шт.

4

186042C2

SUPPORT

VANE - transition cone front

5шт.

5

194190C1

GUIDE

VANE - transition cone front

3шт.

6

477-73812

SERRATED SCREW,Truss HD, 3/8" - 16 x 3/4"

- slotted truss, 3/8 NC x 3/4 inch

3шт.

7

1302160C1

SCREW,Truss HD, 3/8" - 16 x 3/4"

LOCK, Sltd Truss Hd, 3/8"-16 x 3/4"

3шт.

8

482256R1

BEARING LOCK NUT,Flg, USR, 3/8"-16

- hex flange lock, 3/8 inch NC

47шт.

9

194192C2

SUPPORT

VANE - transport

13шт.

10

1324105C1

BOLT,Spcl, T-Hd, 3/8" - 16 x 38mm, HT

- transport vane

39шт.

11

1318418C1

BAR

TIE - transport vane

6шт.

12

55805C1

WASHER,11.13mm ID x 63.5mm OD x 4.55mm Thk

- flat, 13/32 x 2-1/2 x 5/32 inch

10шт.

13

570052R1

SQ HOLE WASHER,11mm ID x 38mm OD x 4.8mm Thk

- flat, square, 13/32 x 1-1/2 x 3/16 inch

2шт.

Выбрано товаров: 14