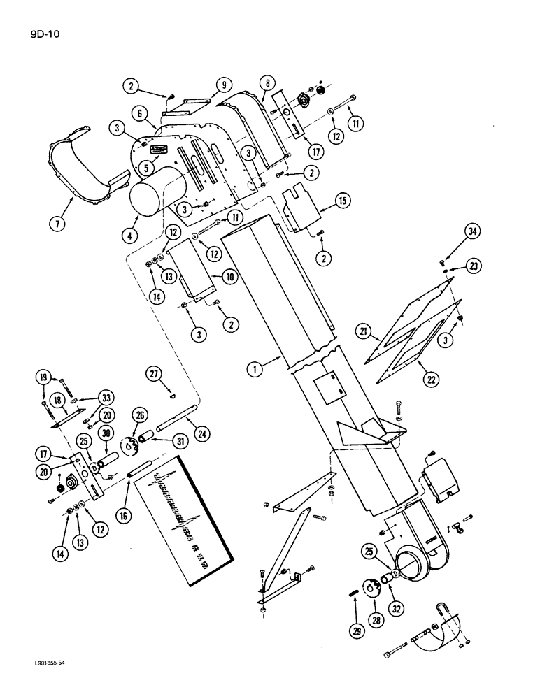
Запчасти Case IH 1620 (9D-10) - GRAIN ELEVATOR (16) - GRAIN ELEVATORS & AUGERS

Схема запчастей Case IH 1620 - (9D-10) - GRAIN ELEVATOR (16) - GRAIN ELEVATORS & AUGERS
17
33
17
23
11
11
9
20
18
25
25
14
27
1
2
13
2
19
3
28
3
7
14
10
4
3
30
2
12
3
16
24
22
32
20
21
34
2
31
12
6
26
8
5
3
13
12
15
29
12
FIT
1:1
100%

Артикул

Название

Примечание

Количество

1

186151C1

ELEVATOR TUBE

TUBE - elevator

1шт.

2

477-73108

SERRATED SCREW,Sl Truss Hd, 5/16" - 18 x 1/2"

- slotted truss head, 5/16 NC x 1/2 inch

51шт.

3

938017R1

FLANGE NUT,Flg, USR, 5/16"-18

- hex flange lock, 5/16 inch NC

78шт.

4

1300898C91

SIDE PLATE

SIDE - elevator, left (Grain and corn)

1шт.

4

1319631C91

SIDE ASSY.

SIDE - elevator, left (Rice), Includes: Ref. 5

1шт.

5

REF

INSTRUCTION

DECAL - caution (See Figure 9H-34)

1шт.

6

183370C1

SIDE ASSY.

SIDE - elevator, right (Grain and corn)

1шт.

6

181428C1

SIDE ASSY.

SIDE - elevator, right (Rice)

1шт.

7

186157C1

SUPPORT ASSY.

COVER - spout (Grain and corn)

1шт.

7

181430C1

SUPPORT ASSY.

COVER - spout (Rice)

1шт.

8

186239C1

SUPPORT

TOP - elevator head (Grain and corn)

1шт.

8

181429C1

SUPPORT ASSY.

TOP - elevator head (Rice)

1шт.

9

186159C1

CHANNEL

DOOR - elevator head

1шт.

10

186160C1

HINGE

END - elevator spout (Grain and corn)

1шт.

10

181431C1

SUPPORT ASSY.

END - elevator spout (Rice)

1шт.

11

25368R1

BOLT,Hex, 5/16" - 18 x 8 1/2", Gr 2

- hex, 5/16 NC x 8-1/2 inch

2шт.

12

28588R1

WASHER

- flat, 11/32 x 11/16 x 3/64 inch

4шт.

13

192-20

LOCK WASHER,Helical Spring, 0.318" ID, CST, ZND

WASHER, LOCK, 5/16"

2шт.

14

9635082

NUT,5/16" - 18, Gr 5

2шт.

15

186161C1

SUPPORT

END - faise bottom (Grain and corn)

1шт.

15

181432C1

CHANNEL

END - false bottom (Rice)

1шт.

16

186162C1

PIPE

SPACER - lock guide

1шт.

17

181364C1

SUPPORT

- head shaft

2шт.

18

183383C1

BAR

- adjustment bolt

1шт.

19

667486R1

BOLT

BOLT - adjustment

2шт.

20

25933R1

JAM NUT,Jam, 1/2"-13, G8

- hex jam, 1/2 inch NC

2шт.

21

182551C1

SHEET

SEAL - elevator

1шт.

22

182552C1

PLATE

- elevator

1шт.

23

25708R1

WASHER

- flat, 11/32 x 3/4 x 3/64 inch

10шт.

24

186164C1

SHAFT

- elevator

1шт.

25

495-81065

WASHER,26.19mm ID x 31.75mm OD x 1.7mm Thk

- flat, 1-1/32 x 1-1/4 x 3/64 inch

1шт.

26

168683C1

SPROCKET

- elevator head, 7 tooth

1шт.

27

126-124

WOODRUFF KEY,#15, 1/4" x 1", HT

1шт.

28

1319176C1

SPROCKET ASSY.

SPROCKET - elevator boot, 7 tooth

1шт.

29

Q1443

KEY,5/16" Sq x 1 1/2", Par

- parallel, 5/16 x 1-1/2 inch

1шт.

30

186165C1

SPACER

- head sprocket, left, 1-1/32 x 1-5/16 x 3-1/4 inch

1шт.

31

PO27260

SPACER,1" Pipe x 2"

- head sprocket, right 1-1/32 x 1-5/16 x 2 inch

1шт.

32

80074C1

SPACER

- boot sprocket, 1-9/32 x 1-1/2 x 1-13/16 inch

1шт.

33

25710R1

WASHER

- flat, 17/32 x 1 x 7/64 inch

4шт.

34

135270

SERRATED SCREW,5/16" - 18 x 3/4"

- slotted truss head, 5/16 NC x 3/4 inch

25шт.

36

214490C91

BALL BEARING,25.4mm ID

BEARING - head shaft

2шт.

37

455102R21

COLLAR

- bearing locking

2шт.

38

127782

SET SCREW,Hex Skt, 1/4"-20 x 1/4", Cup Pt

2шт.

39

186166C1

SUPPORT

BRACKET - elevator, upper

1шт.

40

154273C1

BOLT,Hex Serr, 3/8" - 16 x 1", Spcl

- hex, 3/8 NC x 1 inch

7шт.

41

495-11041

WASHER,0.406" ID x 0.812" OD x 0.065" W

- flat, 13/32 x 13/16 x 3/64 inch

1шт.

42

482256R1

BEARING LOCK NUT,Flg, USR, 3/8"-16

- hex flange lock, 3/8 inch NC

7шт.

43

186167C1

SUPPORT

BRACKET - elevator lower

1шт.

44

186225C2

BOOT

- eievator

1шт.

45

1310250C1

DOOR ASSY.

DOOR - elevator boot (Non-perforated)

1шт.

45

186309C1

DOOR

- elevator boot (Perforated)

1шт.

46

REF

INSTRUCTION

CONVEYOR ASSEMBLY - grain (See Figure 9D-14)

1шт.

47

113-134

BOLT,Hex, 5/16" - 18 x 7-1/2", Gr 5

- hex, 5/16 NC x 7-1/2 inch

1шт.

48

664360R1

BOLT,U, 1/4" - 20 x 69.65"

- door

1шт.

49

86625061

NUT,1/4"-20, GB

NUT - hex lock, 1/4 inch NC

4шт.

50

155909C1

LATCH

- door

1шт.

51

21879R1

HEADED PIN,1/4" x 1 1/4"

PIN - headed, 1/4 x 1-1/4 inch

1шт.

52

432-812

COTTER PIN,3/4" OAL x 1/8" W

PIN, SPLIT (COTTER), 1/8" x 3/4"

1шт.

53

186233C1

HINGE

END - false bottom

1шт.

54

186733C1

SUPPORT

- lower

1шт.

55

161945C1

SERRATED SCREW,Sl Truss Hd, 5/16" - 18 x 1"

- slotted truss head, 5/16 NC x 1 inch

1шт.

56

477-73816

SERRATED SCREW,Sl Truss Hd, 3/8" x 1"

- slotted truss head, 3/8 NC x 1 inch

1шт.

57

131-1215

LOCK NUT,5/16"-18, GC

NUT, LOCK, 5/16"-18, GC

1шт.

Выбрано товаров: 63