Запчасти Case IH 1620 (6-20) - HYDROSTATIC PUMP (CONT) (03) - POWER TRAIN

Схема запчастей Case IH 1620 - (6-20) - HYDROSTATIC PUMP (CONT) (03) - POWER TRAIN
98
101
99
95
101
104
97
102
94
103
96
105
100
FIT
1:1
100%

Артикул

Название

Примечание

Количество

REF

INSTRUCTION

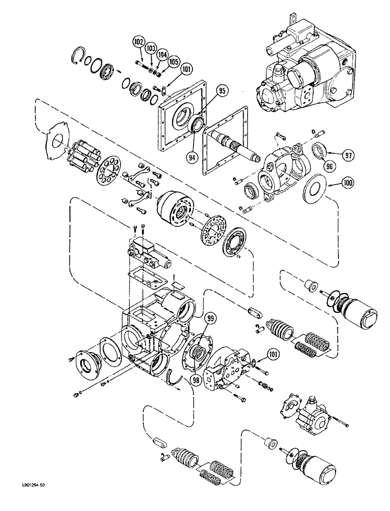
PUMP ASSEMBLY - hydrostatic, continued, Includes: Ref. 94 - 99, 2 - 38 on Fig. 6-16, and 39 - 93 on Fig. 6-18

1шт.

94

92742C1

TAPERED BEARING

CONE - bearing, drive shaft, 1-7/8 inch ID

1шт.

95

317706C1

BEARING, CUP,88.925 mm OD x 25.6 mm

CUP - bearing, input shaft

1шт.

96

399933C91

ROLLER BEARING,45.24mm ID x 19.81mm W

CONE - bearing trunnion, 1-25/32 inch ID

2шт.

97

399934C1

BEARING CUP,73.43mm OD x 15.75mm W

CUP - bearing trunnion, 2-57/64 inch O.D.

2шт.

98

140758C91

ROLLER BEARING,0.88" ID x 2.25" OD x 0.6875"

CONE - bearing, output shaft, 5/8 inch ID

1шт.

99

140759C1

BEARING CUP

CUP - bearing, output shaft, 2-1/4 inch O.D.

1шт.

100

80369C1

PLATE

- thrust

1шт.

101

NSS

NOT SOLD SEPARAT

STRAP - shipping (Shown for reference only)

2шт.

102

413-836

BOLT,Hex, 1/2" - 13 x 2-1/4", Gr 5

- hex, 1/2 NC x 2-1/4 inch

4шт.

103

80679

LOCK WASHER,1/20.507 CST ZND

WASHER, LOCK, 1/2"

4шт.

104

283856C1

WASHER

- flat, 17/32 x 1 x 3/16 inch

4шт.

105

425-108

NUT,1/2" - 13, Gr 5

NUT, , Hex 1/2"-13, G5

4шт.

Выбрано товаров: 13