Запчасти Case IH 1620 (6-40) - TRANSMISSION PINION DRIVE SHAFT (03) - POWER TRAIN

Схема запчастей Case IH 1620 - (6-40) - TRANSMISSION PINION DRIVE SHAFT (03) - POWER TRAIN
4
5
5
8
1
10
2
3
6
2
4
9
7
FIT
1:1
100%

Артикул

Название

Примечание

Количество

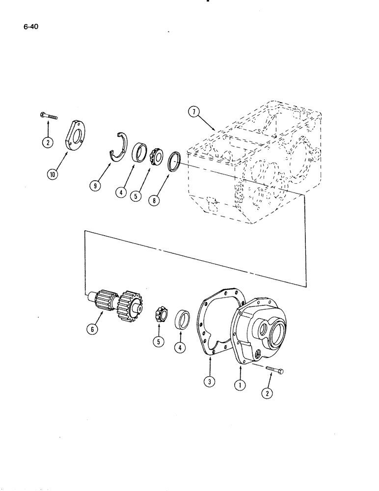
1

121811C2

COVER ASSY

COVER - change gear

1шт.

2

326-618

BOLT,Hex, 3/8" - 16 x 1-1/8", Gr 8

13шт.

3

573997R3

GASKET,0.41mm Thk

- change gear cover

1шт.

4

50213V

BEARING CUP

CUP - bearing, pinion shaft

2шт.

5

50212VA

ROLLER BEARING,33.35mm ID x 24.01mm W

CONE - bearing, pinion shaft

2шт.

6

395630R1

GEAR

SHAFT - differential pinion, 13 and 23 teeth

1шт.

7

REF

INSTRUCTION

CASE - transmission (See figure 6-42)

1шт.

8

548585R1

BEARING WASHER,71.17mm ID x 74.52mm OD x 3.61mm Thk

SEAL - pinion shaft

1шт.

9

381222R1

SHIM

- pinion bearing, 0.007 inch

1шт.

9

405626R1

SHIM

- pinion bearing, 0.003 inch

1шт.

10

573971R2

CAP

- pinion shaft

1шт.

Выбрано товаров: 11