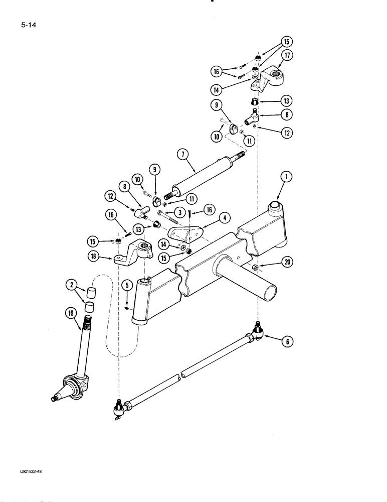
Запчасти Case IH 1620 (5-14) - STEERING AXLE, NON-ADJUSTABLE (04) - STEERING

Схема запчастей Case IH 1620 - (5-14) - STEERING AXLE, NON-ADJUSTABLE (04) - STEERING
20
18
6
15
11
14
10
8
11
4
1
14
13
2
15
8
19
16
16
7
3
15
5
12
9
10
16
9
12
13
17
FIT
1:1
100%

Артикул

Название

Примечание

Количество

1

182798C2

AXLE

ASSEMBLY - steering, Includes: Ref. 2

1шт.

2

358958R2

BUSHING,42.57mm ID x 46.08mm OD x 51.05mm L

- spindle

4шт.

3

26523R1

BOLT,Hex, 3/4" - 10 x 5 1/4", Gr 8

- hex, 3/4 NC x 5-1/4 inch

2шт.

4

193917C1

ANCHOR

- steering cylinder

1шт.

5

219-17

LUBE NIPPLE,3/16" NPTF

FITTING - grease, straight, 3/16 drive type x 17/32"

2шт.

6

REF

INSTRUCTION

ROD ASSEMBLY - tie (See Figure 5-16)

1шт.

7

REF

INSTRUCTION

CYLINDER ASSEMBLY - steering (See Figure 5-10)

1шт.

8

186796C1

BALL JOINT

SOCKET ASSEMBLY - steering cylinder end, Includes: Ref. 9 - 12

2шт.

9

384371R1

CLAMP

ASSEMBLY - socket, Includes: Ref. 10 and 11

1шт.

10

180152

BOLT,Hex, 7/16" - 14 x 1 7/8", Gr 5

- hex, 7/16 NC x 1-7/8 inch

1шт.

11

131-667

NUT,7/16"-14, GB

NUT - hex prevailing torque, 7/16 inch NC

1шт.

12

219-8

LUBE NIPPLE,1/4" - 28 NPTF

NIPPLE, LUBE, , straight NPT 1/4"-28 NPT x .54" lg

1шт.

13

382562R1

SEAL

- socket end

2шт.

14

21712R1

WASHER

- flat, 23/32 x 1-1/2 x 7/64 inch

2шт.

15

NLS

NO LONGER SERVICED

- hex slotted, 5/8 inch NF

4шт.

16

137204

COTTER PIN,1/8" x 1 1/2"

PIN, SPLIT (COTTER), 1/8" x 1 1/2"

4шт.

17

193911C3

ARM

- steering, left

1шт.

18

193912C3

STEERING ARM

- steering, right

1шт.

19

REF

INSTRUCTION

KNUCKLE - steering (See Figure 5-22)

1шт.

20

177744C1

FLANGE NUT,Flg, USR, 3/4"-10

- hex, 3/4 inch NC, Grade 8

2шт.

Выбрано товаров: 20