Запчасти Case IH 1620 (5-28) - AXLE HYDRAULIC MOTOR SYSTEM, POWER GUIDE AXLE (04) - STEERING

Схема запчастей Case IH 1620 - (5-28) - AXLE HYDRAULIC MOTOR SYSTEM, POWER GUIDE AXLE (04) - STEERING
19
23
6
1
7
23
11
25
12
18
6
9
14
22
7
21
1
6
10
3
20
4
14
14
24
6
7
3
7
2
FIT
1:1
100%

Артикул

Название

Примечание

Количество

1

REF

INSTRUCTION

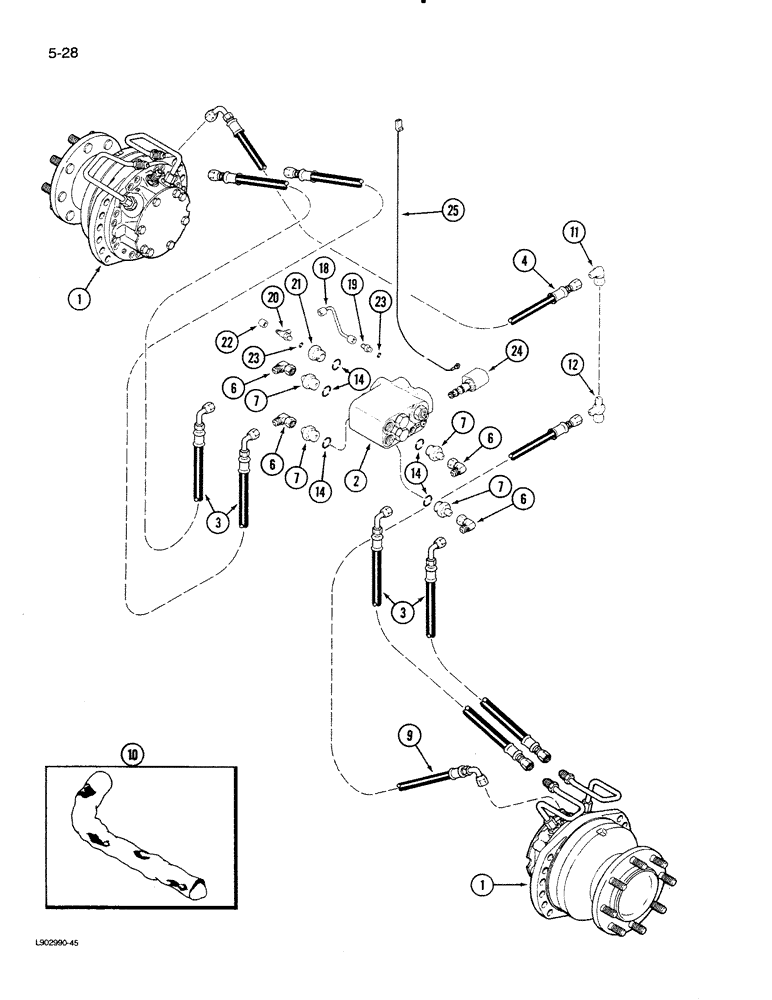
MOTOR ASSEMBLY - drive (See Figure 5-46)

2шт.

2

REF

INSTRUCTION

VALVE ASSEMBLY - selector (See Figure 5-44)

1шт.

3

1970387C1

HOSE

ASSEMBLY - pressure, motor drain, 57 inch

4шт.

4

1970388C1

HOSE

ASSEMBLY - pressure, motor drain, 67 inch

1шт.

6

9410255

ELBOW,45 Degree, 3/4"-16, 37 Degree x 3/4"-16, 37 Degree Fem Sw

ASSEMBLY - 45 degree swivel, 3/4-16 inch

4шт.

7

380632R1

HYD CONNECTOR,3/4"-16, 37 Degree x 1 1/16"-12, O-Ring

CONNECTOR - straight, 1-1/16-12 inch

4шт.

9

1970389C1

HOSE

ASSEMBLY - motor drain, 61 inch

1шт.

10

1970108C1

PROTECTIVE COVER

SLEEVE - nylon, 2-3/8 ID x 48 inch long

2шт.

11

218-5230

ELBOW,90 Degree, 3/4"-16, 37 Degree x 3/4"-16, 37 Degree Fem Sw

ASSEMBLY - 90 degree swivel, 3/4-16 inch

1шт.

12

218-845

TEE,37 Degree, 3/4"-16 x 3/4"-16, Fem Sw Run

Assy 37º, 3/4"-16 x 3/4"-16, Fem Sw Run

1шт.

14

237-6012

O-RING,0.116" Thk x 0.924" ID, -912, Cl 6, 90 Duro

12-1, 90 Duro, .924 ID x .116" Thk, 3/4 inch O.D. tube

5шт.

18

1970140C1

TUBE,4.78 mm ID

ASSEMBLY - pressure, charge

1шт.

19

218-5053

HYD CONNECTOR,7/16" - 20 JIC x 7/16" - 20 ORB

CONNECTOR - straight, 7/16-20 inch

1шт.

20

9411128

TEE,7/16"-20, 37 Degree x 7/16"-20, O-Ring Run

ASSEMBLY - adjustable, 7/16-20 inch

1шт.

21

1970176C1

PLUG

- hex special, hydraulic

1шт.

22

218-752

CAP,37 Degree, 7/16"-20

1/4 inch tube 37º, 7/16"-20

1шт.

23

237-6004

O-RING,0.072" Thk x 0.351" ID, -904, Cl 6, 90 Duro

4-1, 90 Duro, .351" ID x .072" Thk, 1/4 OD tube

2шт.

24

REF

INSTRUCTION

SOLENOID ASSEMBLY - spool, charge preessure (See Figure 5-44)

1шт.

25

1964572C2

WIRE HARNESS

CABLE ASSEMBLY - power, solenoid

1шт.

Выбрано товаров: 19